Doručujeme do více než 25 zemí
info@sgarden.cz
Zaměřujeme se zvláště na náhradní díly, stačí kliknout
Přihlášení
/
Registrace
Přihlaste se
E-mail:
Heslo:
Zůstat přihlášen
Přihlásit se
Zapomenuté heslo?
Jsem tu nový:
registrovat
/
Odhlášení
CZ
€
CS
EN
€
Kč
Váš
KOŠÍK
čeká na naplnění
ks
Vysypat košík
Objednat
Opravdu
chcete
aby zůstal prázdný?
Ano, vysypat
Nechci
,
,
Náhradní díly
vše pro vaše stroje
Náhradní díly
>
Husqvarna
>
Zahradní traktory
>
YTH200 YTH200 TWIN, 96041006402, 2010-01
>
NÁHON
zpět na
YTH200
YTH200 TWIN, 96041006402, 2010-01
NÁHON
YTH200
YTH200 TWIN, 96041006402, 2010-01
Najeďte myší na rozkres
kolečko:
přiblížení, levé tlačítko:
pohyb
Další díly
pro
YTH200 TWIN, 96041006402, 2010-01
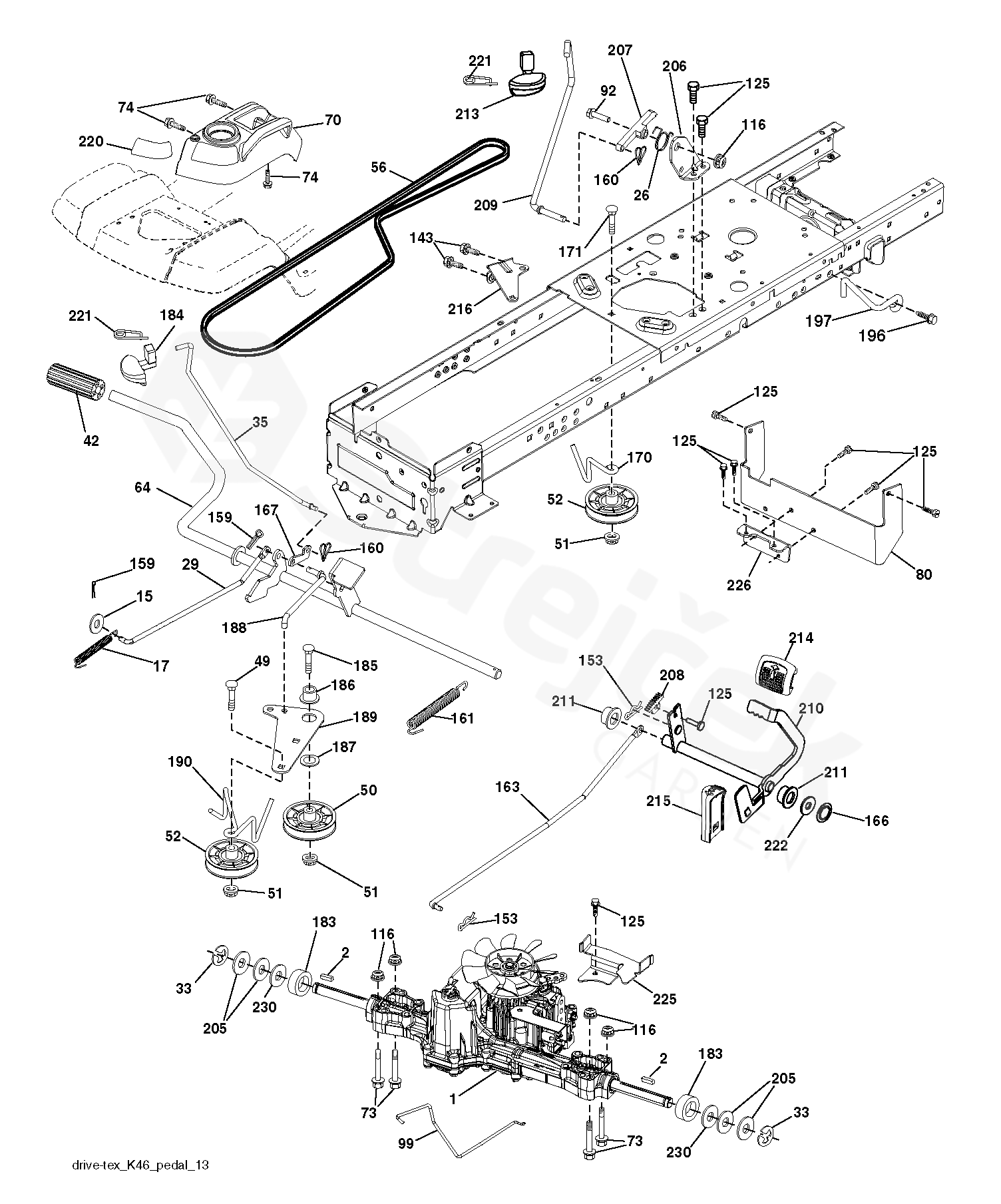
1
W/O DESCRIPTION
Náprava, TUFFTORQ K46 BT
000000000
2
KLÁVESA
532123583
15
PODLOŽKA
819131316
17
SRPING.BRAKE.K46.GREEN*SUBS/2*
532413678
26
PRUŽINA
532199679
29
TYČ
532403806
33
POJISTNÝ KROUŽEK
812000001
35
TYČ
532199591
42
PEDAL RUBBER
532124872
49
ŠROUB
872110614
50
ŘEMENICE
532194327
51
MATICE
873900600
52
ŘEMENICE
532194326
56
ŘEMEN
532130969
64
HRÍDEL
532197865
70
PANEL
532400530
73
ŠROUB
874490544
74
ŠROUB
532142432
80
STRAP TORQUE
532410024
92
ŠROUB
874760520
99
TYČ
532415742
116
MATICE
873900500
125
ŠROUB
817000512
143
ŠROUB
817490508
153
RETAINING RING
532124788
159
ZÁVLAČKA
876020412
160
KOLÍČEK
532169484
161
PRUŽINA
532105709
163
TYČ
532401034
166
MATICE
532428305
167
ZÁPADKA
532405257
170
HLÍDAČ
532194322
171
ŠROUB
872110616
183
ROZPĚRKA
532137057
184
OVLADAČ
532403118
185
ŠROUB
872110622
186
ROZPĚRKA
532194321
187
PODLOŽKA
819133210
188
ČLÁNEK
532194323
189
DESKA
532194317
190
VODÍTKO ŘEMENU
532194318
196
ŠROUB
817000616
197
DRŽÁK
532195804
205
PODLOŽKA
532121748
206
DRŽÁK
532197867
207
ZÁPADKA
532197868
208
OPĚRNÁ MISKA
532197869
209
TYČ
532199592
210
RAMENO
532197860
211
LOŽISKO
532120183
213
OVLADAČ
532403119
214
PODLOŽKA
532421263
215
PEDÁL
532401723
216
DRŽÁK
532196131
220
SKLO SVĚTLOMETU
532198908
221
RETAINER SPRING
532403187
222
PODLOŽKA
879212010
225
VODÍTKO ŘEMENU
532403319
226
DRŽÁK
532401564
230
PODLOŽKA
532188967