Doručujeme do více než 25 zemí
info@sgarden.cz
Zaměřujeme se zvláště na náhradní díly, stačí kliknout
Přihlášení
/
Registrace
Přihlaste se
E-mail:
Heslo:
Zůstat přihlášen
Přihlásit se
Zapomenuté heslo?
Jsem tu nový:
registrovat
/
Odhlášení
CZ
€
CS
EN
€
Kč
Váš
KOŠÍK
čeká na naplnění
ks
Vysypat košík
Objednat
Opravdu
chcete
aby zůstal prázdný?
Ano, vysypat
Nechci
,
,
Náhradní díly
vše pro vaše stroje
Náhradní díly
>
Husqvarna Construction Products
>
Řezačky spár
>
FS400 LV FS400 LV, 2014-08
>
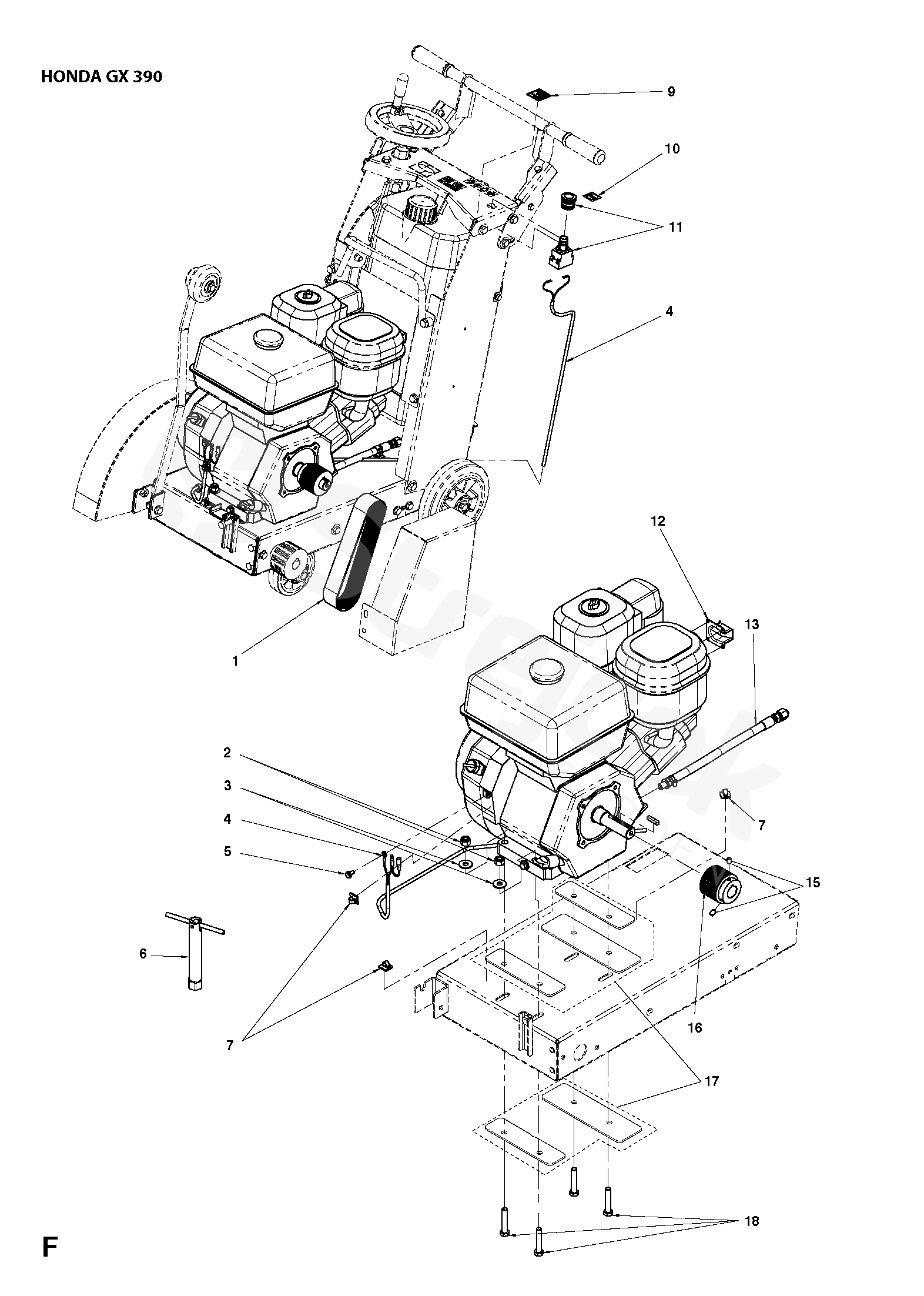
MOTOR
zpět na
FS400 LV
FS400 LV, 2014-08
MOTOR
FS400 LV
FS400 LV, 2014-08
Najeďte myší na rozkres
kolečko:
přiblížení, levé tlačítko:
pohyb
Další díly
pro
FS400 LV, 2014-08
1
ŘEMEN
543044964
2
ŠESTIHRANNÁ POJISTNÁ MATICE
732252001
3
PODLOŽKA
734117441
4
ŠŇŮRA
542182252
5
ŠROUB EHHFT
725236661
6
CLE A BOUGIE D.21 L160/
543047852
7
ATTACHE FIL D/9 ADH/
543045099
9
NOISE STICKER 108/
543045788
10
GRAPH STOP/
543045871
11
STOP VYPÍNAČ
587005001
12
BOUCHON ECHAPPEMENT/UNIVERSEL
543047841
13
OIL DRAIN ASSY
542202151
15
ŠROUB IHSETM
728744505
16
ŘEMENICE
543046572
17
PLATE KIT
587613801
18
ŠROUB EHHM
725250251