We deliver to more than 25 countries
info@sgarden.cz
We focus especially on spare parts, just click!
Log in
/
Registration
Sign In
E-mail:
Password:
Stay logged in
Log in
Forgot your password?
I'm new here:
register
/
Log off
EN
€
CS
EN
€
Kč
Your
CART
Awaiting fulfillment
ks
Empty cart
Order
Are you
sure
to empty your cart?
Yes, empty
I don't want to
,
,
Spare parts
Everything for your machines
Spare parts
>
Husqvarna
>
TRACTORS/RIDE MOWERS
>
TS 342 TS 342, 96041038601, 2018-12
>
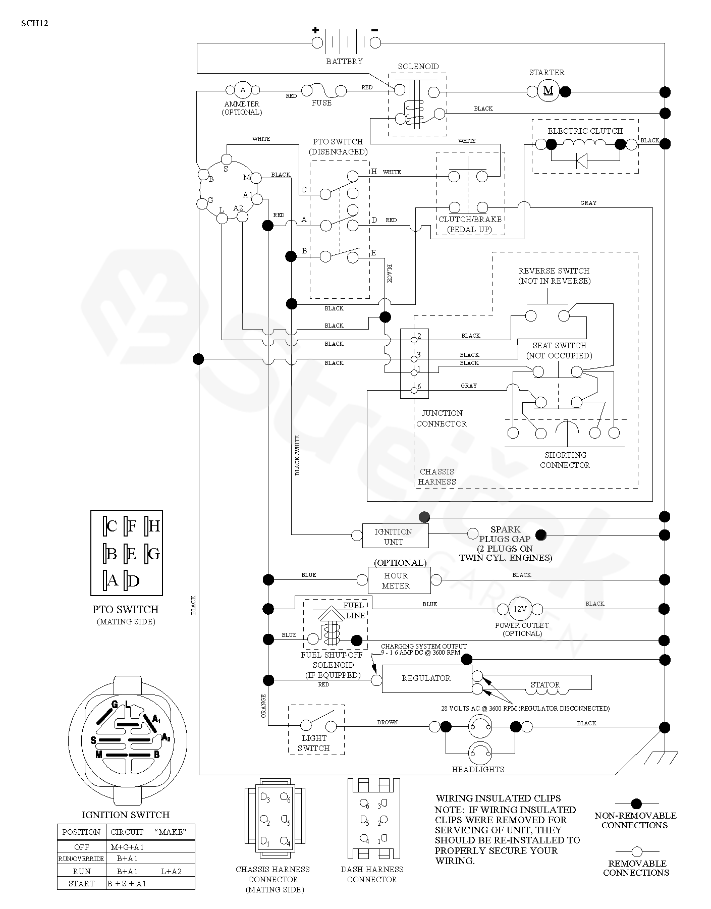
SCHEMATIC
Back to
TS 342
TS 342, 96041038601, 2018-12
SCHEMATIC
TS 342
TS 342, 96041038601, 2018-12
Hover mouse on parts list
Wheel:
Zoom, left button:
Movement
Other parts
For
TS 342, 96041038601, 2018-12