We deliver to more than 25 countries
info@sgarden.cz
We focus especially on spare parts, just click!
Log in
/
Registration
Sign In
E-mail:
Password:
Stay logged in
Log in
Forgot your password?
I'm new here:
register
/
Log off
EN
€
CS
EN
€
Kč
Your
CART
Awaiting fulfillment
ks
Empty cart
Order
Are you
sure
to empty your cart?
Yes, empty
I don't want to
,
,
Spare parts
Everything for your machines
Spare parts
>
STIGA
>
Lawn Mower
>
SILENT 41 BATTERY STIGA SILENT 41 BATTERY STIGA (2001)
>
Battery pack
Back to
SILENT 41 BATTERY STIGA
SILENT 41 BATTERY STIGA (2001)
Battery pack
SILENT 41 BATTERY STIGA
SILENT 41 BATTERY STIGA (2001)
Hover mouse on parts list
Wheel:
Zoom, left button:
Movement
Other parts
For
SILENT 41 BATTERY STIGA (2001)
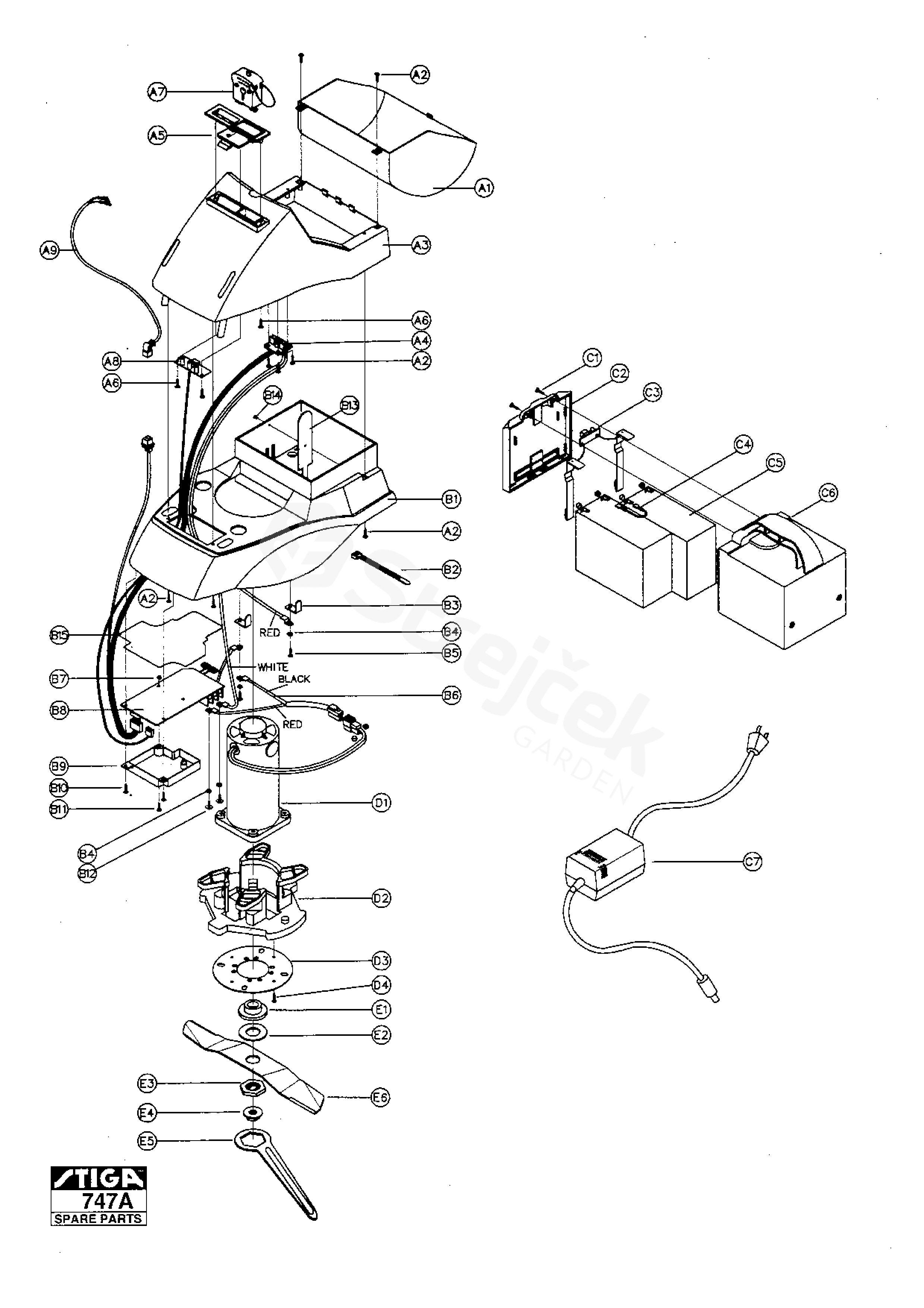
A01
Top Housing (Yellow)
1117-2076-01
A02
Screw
9836-9216-12
A03
Upper Housing (Yellow)
1117-2077-01
A04
Safety Key Plate
1117-2137-01
A05
Led Place
1117-2062-01
A06
Screw
9836-9012-12
A07
Safety Key
1111-3205-01
A08
Led Circuit Board
1117-2087-01
A09
Switch Cable
1175 mm
1117-2141-01
B01
Battery Housing , Green
1117-2078-01
B02
Cable Holder
9579-0008-00
B03
Connection
1117-2084-01
B04
Washer
9683-0015-02
B05
Screw
9836-9520-12
B06
Motor Plug Set
1117-2086-01
B07
Nut
9799-0431-02
B08
IC card
1117-2140-01
B09
P.C. Board Cover
1117-2079-01
B10
Screw
9847-7716-16
B11
Screw
9865-0408-16
B12
Screw
9849-7909-16
B13
Charging Insulation
1117-2108-01
B14
Rivet
1117-2131-01
B15
Pad
1117-2105-01
C02
Battery Cover
1117-2080-01
C03
Charging Plate
1117-2089-01
C04
Cord
1117-2091-01
C05
Battery
12 volt - 9 Ah
1117-2083-01
C06
Battery Box
1117-2075-01
C07
Charger
9400-0262-00
C99
Charging Wire (450 Mm)
Ej ill/not ill.
1111-3122-01
D01
Motor
1117-2085-01
D02
Motor Base
1117-2092-01
D03
Motor Mounting Plate
1117-2082-01
E01
Blade Hub
1111-3128-01
E02
Washer
1111-0020-01
E03
Hexagonal Washer
1111-3135-01
E04
Nut
1111-3129-01
E05
Blade Wrench
1111-3156-01
E06
Blade
1111-9101-01