We deliver to more than 25 countries
info@sgarden.cz
We focus especially on spare parts, just click!
Log in
/
Registration
Sign In
E-mail:
Password:
Stay logged in
Log in
Forgot your password?
I'm new here:
register
/
Log off
EN
€
CS
EN
€
Kč
Your
CART
Awaiting fulfillment
ks
Empty cart
Order
Are you
sure
to empty your cart?
Yes, empty
I don't want to
,
,
Spare parts
Everything for your machines
Spare parts
>
STIGA
>
Lawn Mower
>
COMBI 48 S Combi 48 S (2018) [295486048/STX]
>
Transmission
Back to
COMBI 48 S
Combi 48 S (2018) [295486048/STX]
Transmission
COMBI 48 S
Combi 48 S (2018) [295486048/STX]
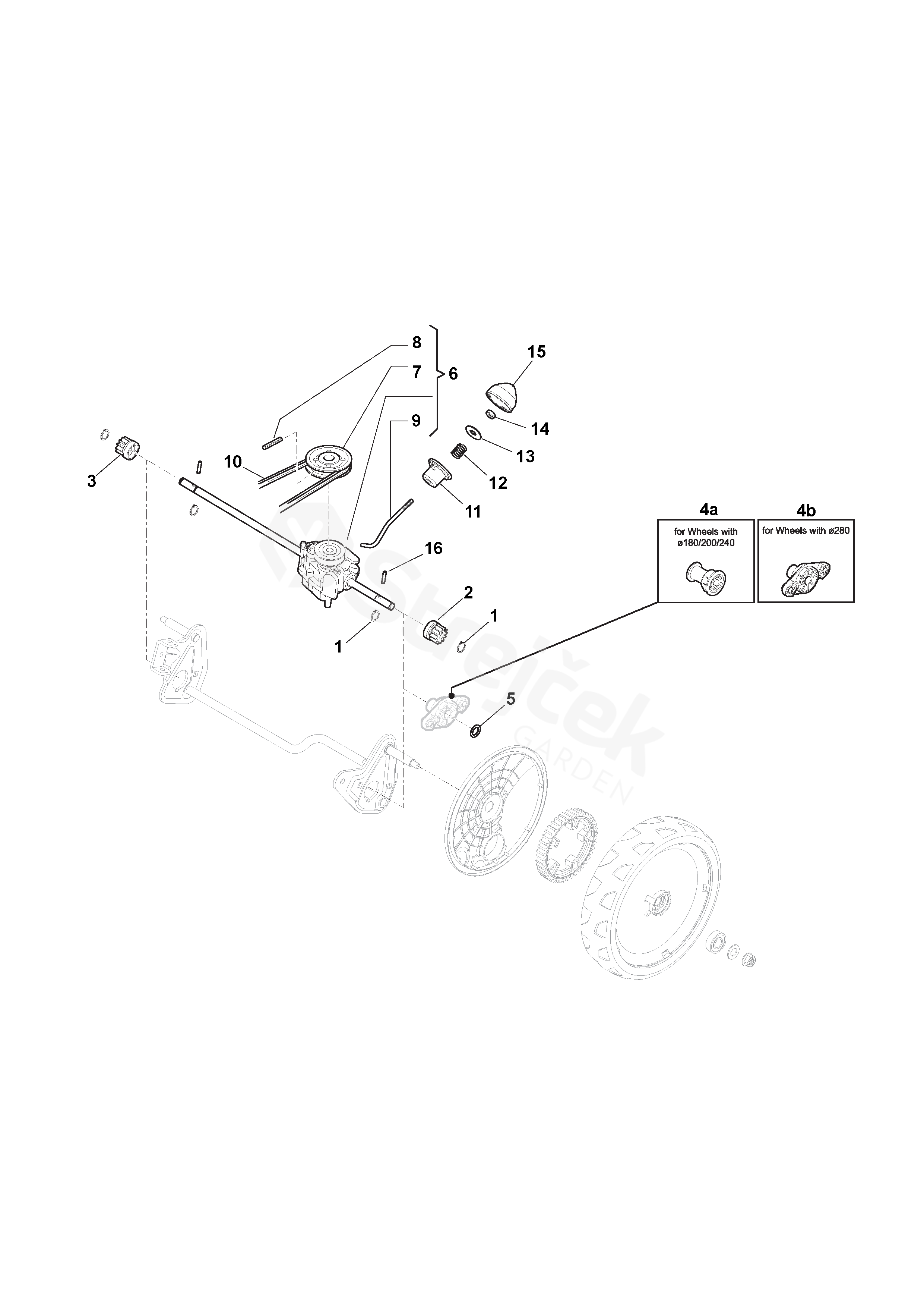
Hover mouse on parts list
Wheel:
Zoom, left button:
Movement
Other parts
For
Combi 48 S (2018) [295486048/STX]
1
Seeger
112608600/0
2
Left pinion
122570120/1
3
Right Pinion
122570110/1
5
Washer
112521371/0
6
Gear Box
181003092/0
7
Pulley
122601904/0
8
Elastic Pin
ø5X32
112645705/0
9
Adjustment Rod
122033283/0
10
Trapezoidal Belt
135063800/0
11
Bushing
122041957/1
12
Spring
122450063/0
13
Washer
322680009/0
14
Nut
112154510/0
15
Hub Cover
122110230/0
16
Pin
122753000/0
4a
Bushing
For wheels ø180/200/240
322042066/0