We deliver to more than 25 countries
info@sgarden.cz
We focus especially on spare parts, just click!
Log in
/
Registration
Sign In
E-mail:
Password:
Stay logged in
Log in
Forgot your password?
I'm new here:
register
/
Log off
EN
€
CS
EN
€
Kč
Your
CART
Awaiting fulfillment
ks
Empty cart
Order
Are you
sure
to empty your cart?
Yes, empty
I don't want to
,
,
Spare parts
Everything for your machines
Spare parts
>
STIGA
>
Lawn Mower
>
MULTICLIP 46 EURO MULTICLIP 46 EURO (2003) [11-3281-37]
>
Walkbehind
Back to
MULTICLIP 46 EURO
MULTICLIP 46 EURO (2003) [11-3281-37]
Walkbehind
MULTICLIP 46 EURO
MULTICLIP 46 EURO (2003) [11-3281-37]
Hover mouse on parts list
Wheel:
Zoom, left button:
Movement
Other parts
For
MULTICLIP 46 EURO (2003) [11-3281-37]
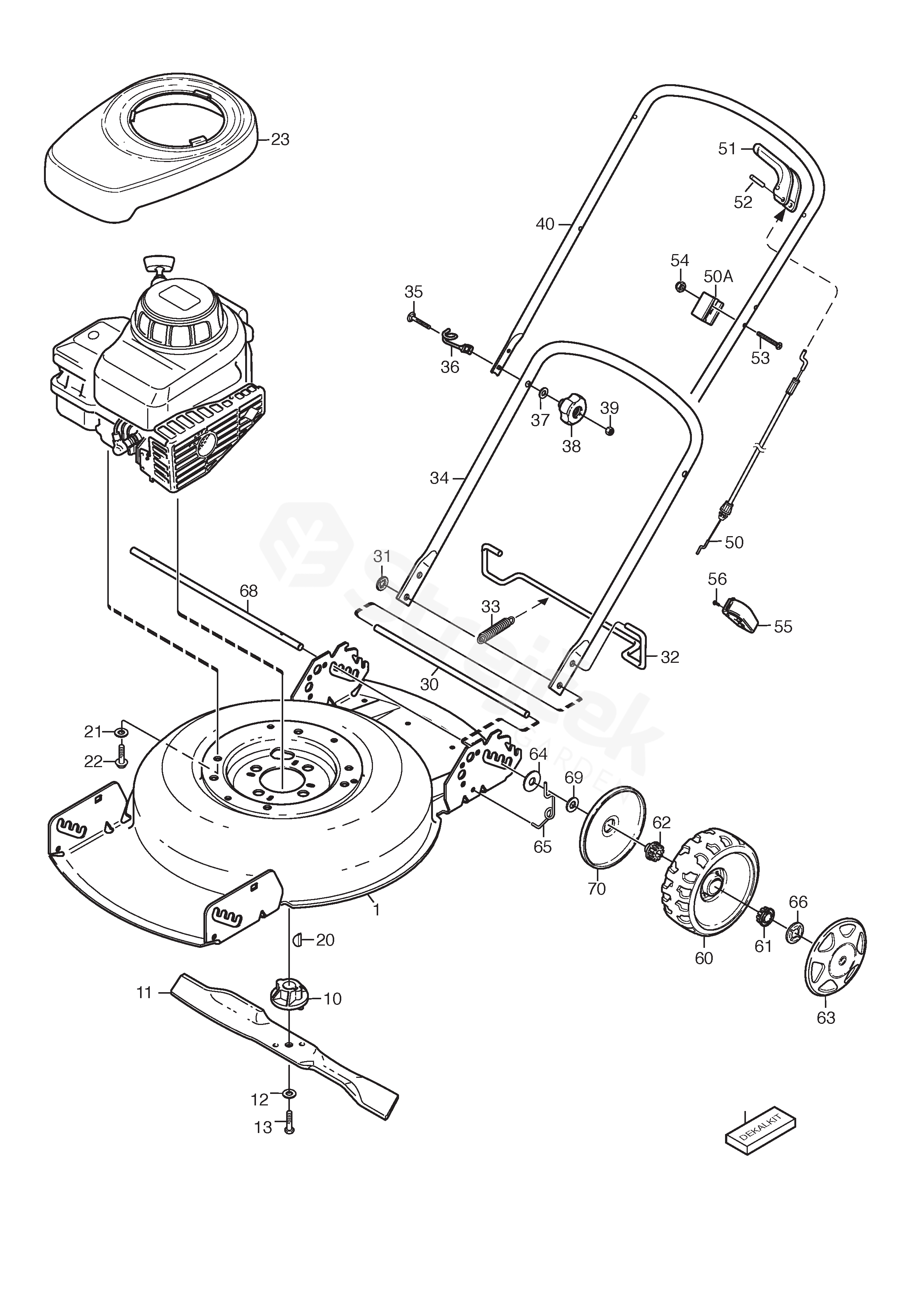
1
Chassis (Green)
1111-3338-08
10
Blade Hub
1111-9066-01
11
Blade
1111-9078-01
12
Washer
9696-0011-01
13
Screw
9987-5238-12
20
Key
9600-0014-00
21
Washer
9699-0029-02
22
Screw
9955-3732-12
30
Pivot rod
1111-1532-01
31
Washer
9670-0203-00
32
Handlebar Clamp
1111-3017-01
33
Spring
1111-2375-01
34
Handle-Lower Part
1111-3018-01
35
Screw
9899-3551-12
36
Eyelink
1111-3062-01
37
Washer
9699-0028-02
38
Locking Knob
1111-3023-01
39
Nut
9795-3531-02
40
Handle-upper part
1111-3502-01
50
Cable, Thread Engine Brake
1111-3250-01
51
Opc Lever (Red)
1117-3221-01
52
Locating Pin
9595-0258-00
53
Screw
9948-0640-16
54
Lock Nut
9747-0631-02
55
Cable Holder
1111-2018-01
56
Screw
9836-9216-12
60
Wheel
1111-3163-01
61
Bushing
1111-3165-01
62
Bushing
1117-3012-01
63
Hub Cap (White)
1111-2804-03
64
Washer
1111-1593-01
65
Spring
Ej ill/not ill.
1111-1589-02
66
Washer
Inkl. pos 31, 66
1111-9042-01
68
Shaft
1111-3312-01
69
Washer
9699-0037-02
70
Protection, Wheel
1117-1161-01
99
Label Kit
1111-3595-02
50A
Cable Holder
1111-2969-01