We deliver to more than 25 countries
info@sgarden.cz
We focus especially on spare parts, just click!
Log in
/
Registration
Sign In
E-mail:
Password:
Stay logged in
Log in
Forgot your password?
I'm new here:
register
/
Log off
EN
€
CS
EN
€
Kč
Your
CART
Awaiting fulfillment
ks
Empty cart
Order
Are you
sure
to empty your cart?
Yes, empty
I don't want to
,
,
Spare parts
Everything for your machines
Spare parts
>
STIGA
>
Lawn Mower
>
MULTICLIP 46 MAJOR MULTICLIP 46 MAJOR (1998)
>
Walkbehind
Back to
MULTICLIP 46 MAJOR
MULTICLIP 46 MAJOR (1998)
Walkbehind
MULTICLIP 46 MAJOR
MULTICLIP 46 MAJOR (1998)
Hover mouse on parts list
Wheel:
Zoom, left button:
Movement
Other parts
For
MULTICLIP 46 MAJOR (1998)
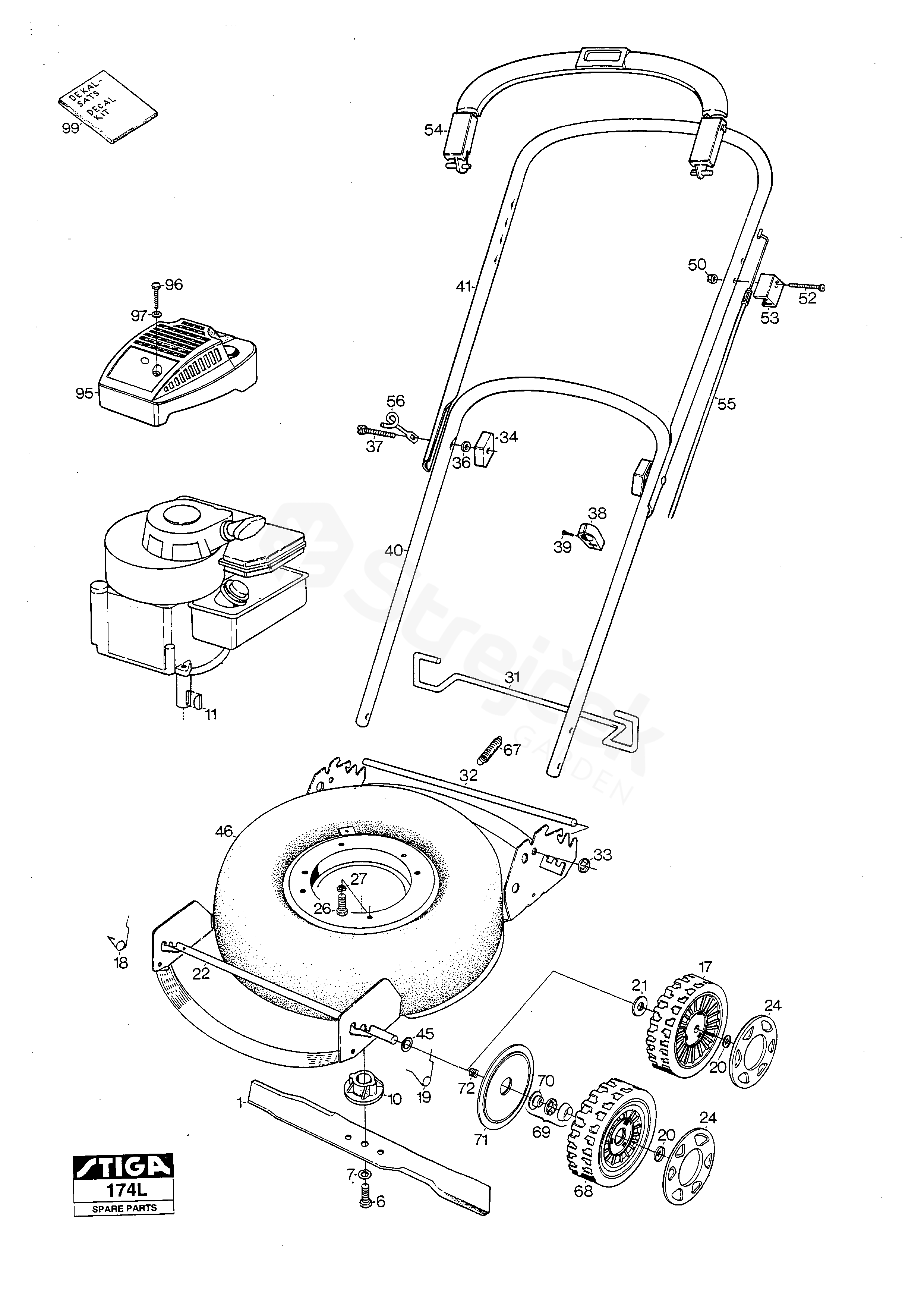
1
Blade
1111-9078-01
6
Screw
9987-5245-12
7
Washer
9696-0011-01
10
Blade Hub
1111-9066-01
11
Key
9600-0014-00
17
Wheel
1111-2656-01
18
Spring
1111-9035-01
19
Spring
1111-1589-01
20
Washer
1111-9042-01
21
Washer
9699-0069-02
22
Wheel Axle
1111-1590-01
24
Hub Cap (175) White
11-3290-62
1111-3084-03
26
Screw
9955-3732-12
27
Washer
9699-0029-02
31
Handlebar Clamp
1111-3017-01
32
Pivot rod
1111-1532-01
33
Washer
9670-0203-00
34
Handle Bolt Kit (2 Pcs)
1111-9030-02
36
Washer
9699-0025-02
37
Screw
9899-3551-12
38
Cable Holder
1111-2018-01
39
Screw
9836-9216-12
40
Handle-Lower Part
1111-3018-01
41
Handlebar Upper Part
1111-2957-01
45
Washer
1111-1593-01
46
Chassis, Yellow
1111-2982-01
50
Lock Nut
9747-0631-02
52
Screw
L = 40 mm
9948-0640-16
53
Cable Holder
1111-2969-01
54
Control Handle (Eng.Brake
1111-2953-01
55
Cable, Thread Engine Brake
1111-2968-05
56
Eyelink
1111-3062-01
67
Spring
1111-2375-01
99
Label Kit
1111-2893-02