EN
Your CART
Awaiting fulfillment

ks
Empty cart Order
Are you
sure
to empty your cart?
Yes, empty I don't want to
Spare parts
Everything for your machines
Walkbehind
MULTICLIP 46 MAJOR MULTICLIP 46 MAJOR (2003)
Hover mouse on parts list
Wheel: Zoom, left button: Movement
Other parts For MULTICLIP 46 MAJOR (2003)
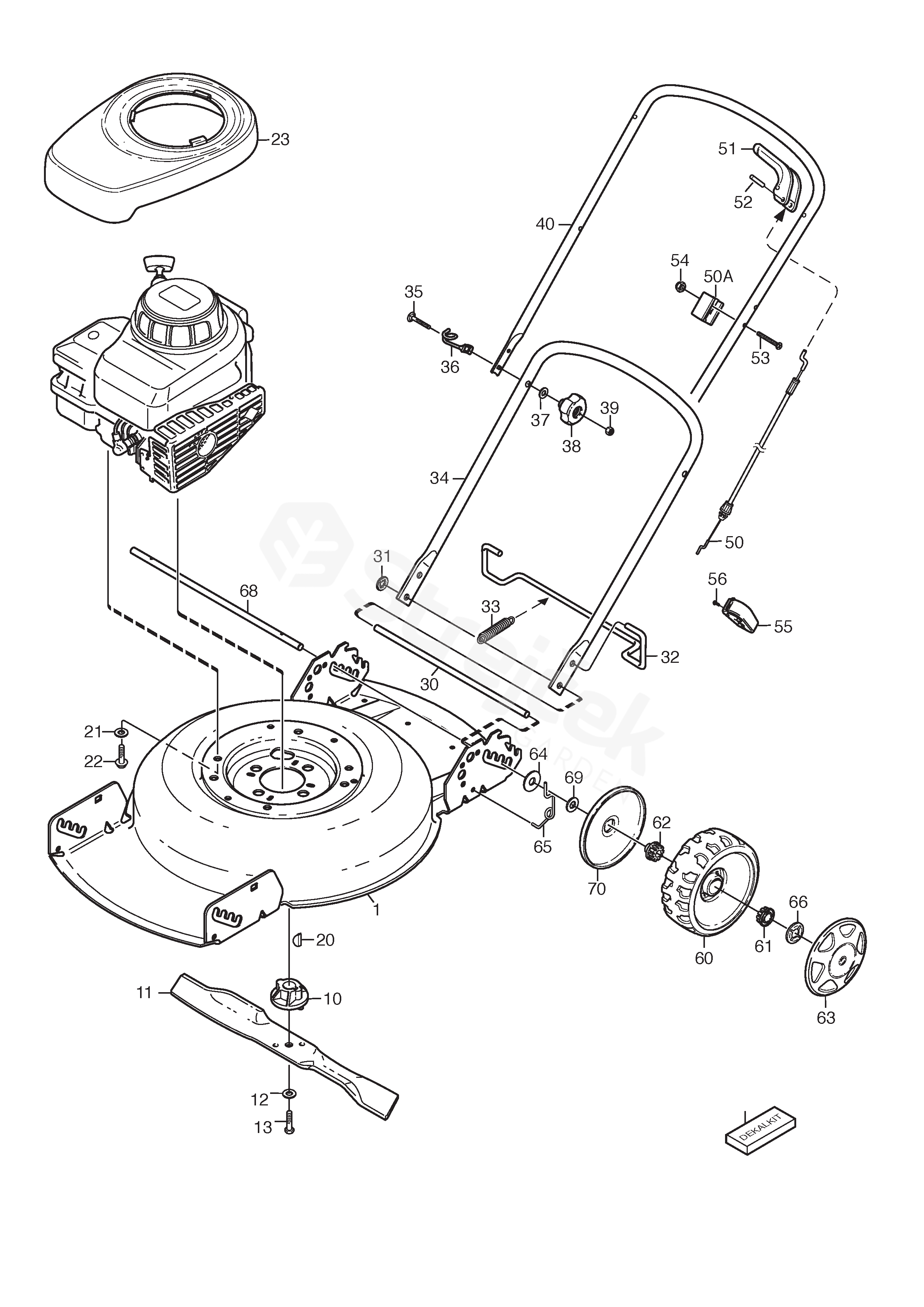
1 Chassis (Black) 1111-3338-05
10 Blade Hub 1111-9066-01
11 Blade 1111-9078-01
12 Washer 9696-0011-01
13 Screw 9987-5238-12
20 Key 9600-0014-00
21 Washer 9699-0029-02
22 Screw 9955-3732-12
23 Engine Cover-Black 1111-3289-01
30 Pivot rod 1111-1532-01
31 Washer 9670-0203-00
32 Handlebar Clamp 1111-3017-01
33 Spring 1111-2375-01
34 Handle-Lower Part 1111-3018-01
35 Screw 9899-3551-12
36 Eyelink 1111-3062-01
37 Washer 9699-0028-02
38 Locking Knob 1111-3023-01
39 Nut 9795-3531-02
40 Handle-upper part 1111-3502-01
50 Cable, Thread Engine Brake 1111-3250-01
51 Opc Lever (Red) 1117-3221-01
52 Locating Pin 9595-0258-00
53 Screw 9948-0640-16
54 Lock Nut 9747-0631-02
55 Cable Holder 1111-2018-01
56 Screw 9836-9216-12
60 Wheel 1111-3163-01
61 Bushing 1111-3165-01
62 Bushing 1117-3012-01
63 Hub Cap (175) Black 1111-3084-06
64 Washer 1111-1593-01
65 Spring
Inkl. pos 65, 66
1111-9035-01
66 Washer
Inkl. pos 31, 66
1111-9042-01
68 Shaft 1111-3312-01
69 Washer 9699-0037-02
70 Protection, Wheel 1117-1161-01
50A Cable Holder 1111-2969-01