We deliver to more than 25 countries
info@sgarden.cz
We focus especially on spare parts, just click!
Log in
/
Registration
Sign In
E-mail:
Password:
Stay logged in
Log in
Forgot your password?
I'm new here:
register
/
Log off
EN
€
CS
EN
€
Kč
Your
CART
Awaiting fulfillment
ks
Empty cart
Order
Are you
sure
to empty your cart?
Yes, empty
I don't want to
,
,
Spare parts
Everything for your machines
Spare parts
>
STIGA
>
Lawn Mower
>
MULTICLIP 47 S BLUE MULTICLIP 47 S BLUE (2016)
>
Deck And Height Adjusting
Back to
MULTICLIP 47 S BLUE
MULTICLIP 47 S BLUE (2016)
Deck And Height Adjusting
MULTICLIP 47 S BLUE
MULTICLIP 47 S BLUE (2016)
Hover mouse on parts list
Wheel:
Zoom, left button:
Movement
Other parts
For
MULTICLIP 47 S BLUE (2016)
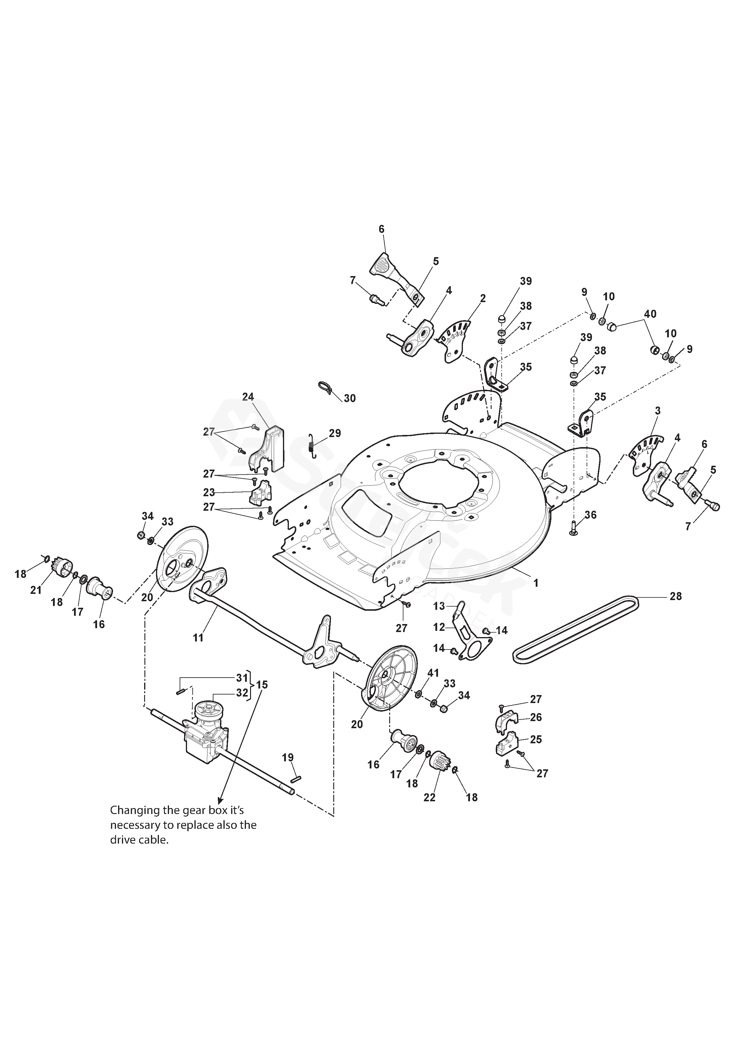
1
Grey Deck
381004781/0
2
Sector, Height Adjustment
322735595/1
3
Sector, Height Adjustment
322735597/1
4
Wheel Support
381005143/0
5
Lever, Height Adjustment
322321537/0
7
Pin
122519811/0
9
Grower
112583500/0
10
Nut
112293200/0
11
Front Wheel Axle
381302899/0
12
Lever
322321546/0
13
Knob
122394501/0
14
Screw
112735661/0
15
Gear Box
Transmission with plastic gear
181003123/0
16
Bushing
322042066/0
17
Washer
112521371/0
18
Seeger
112608600/0
19
Pin
122753000/0
20
Internal Wheel Protectection
322600204/0
21
Right Pinion
122570110/1
22
Left pinion
122570120/1
23
Support
322785476/0
24
Support
322785477/0
25
Support
322785478/0
26
Support
322785479/0
27
Screw
112728697/0
28
Trapezoidal Belt
Belt for ttransmission with bronze gear
135063800/0
29
Spring
122450439/0
30
Fastpoint Clamp
133320022/0
31
Elastic Pin
112645705/0
32
Pulley, Crankshaft Ø 25
122601921/0
33
Washer
112521350/0
34
Nut
112155015/0
35
Reinforcement
322608569/0
36
Screw
112815200/0
37
Grower
112582100/0
38
Nut
112292100/0
39
Cap
118203853/0
40
Cap
118203854/0
41
Washer
122671661/0