EN
Your CART
Awaiting fulfillment

ks
Empty cart Order
Are you
sure
to empty your cart?
Yes, empty I don't want to
Spare parts
Everything for your machines
Chassis
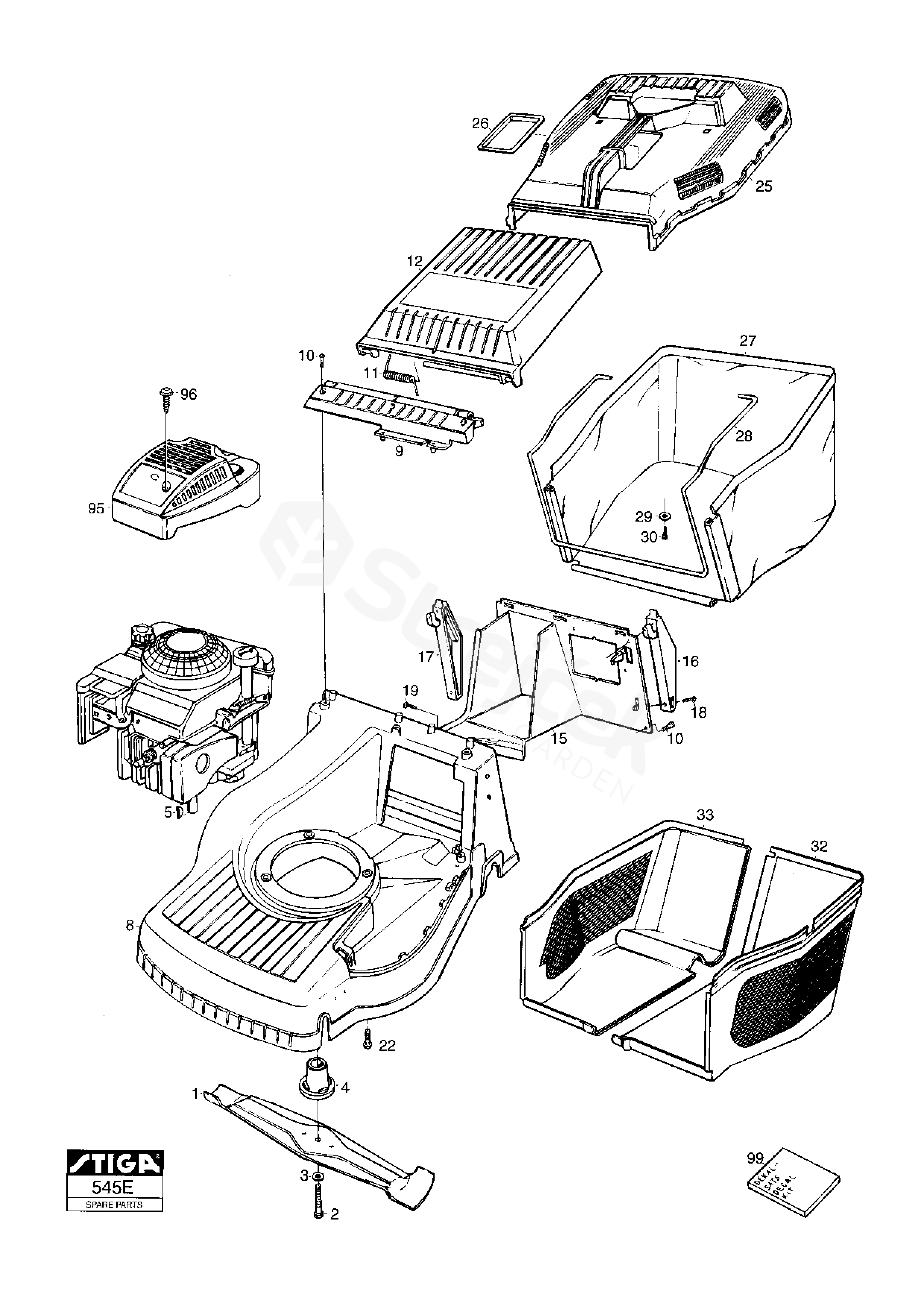
TURBO 48S 4-SPEED TURBO 48S 4-SPEED (2000)
Hover mouse on parts list
Wheel: Zoom, left button: Movement
Other parts For TURBO 48S 4-SPEED (2000)
1 Blade 1111-9090-01
2 Screw 9987-5251-12
3 Washer 9696-0011-01
4 Blade Hub 1111-9070-01
5 Key 9600-0014-00
8 Chassie (Red)
5604, 5688, 5804
1111-3090-04
9 Flap Attachment-Black
5604, 5688, 5804
1111-2793-02
10 Screw 9947-0616-16
11 Spring 1111-2792-01
12 Stone Guard, Black
5604, 5688, 5804
1111-3283-02
15 Rear Attachment 1111-2795-01
16 Attachment L.H. 1111-3236-01
17 Attachment R.H. 1111-3237-01
18 Screw 9836-9520-12
19 Screw 9838-9522-12
22 Screw 9955-3732-12
25 Collector-Upper Part Black
5604, 5688, 5804
1111-2840-02
26 Cover 1111-2764-01
32 COLLECTOR-LOWER PART LEFT 1111-2841-02
33 COLLECTOR-LOWER PART RIGHT 1111-2842-02
95 Engine Cover Black
5288-27, 5688
1111-3287-01
96 Screw
5288-27, 5688
9828-7942-12
99 Label Kit
STIGA
1111-2893-12