EN
Your CART
Awaiting fulfillment

ks
Empty cart Order
Are you
sure
to empty your cart?
Yes, empty I don't want to
Spare parts
Everything for your machines
Wheel Suspension
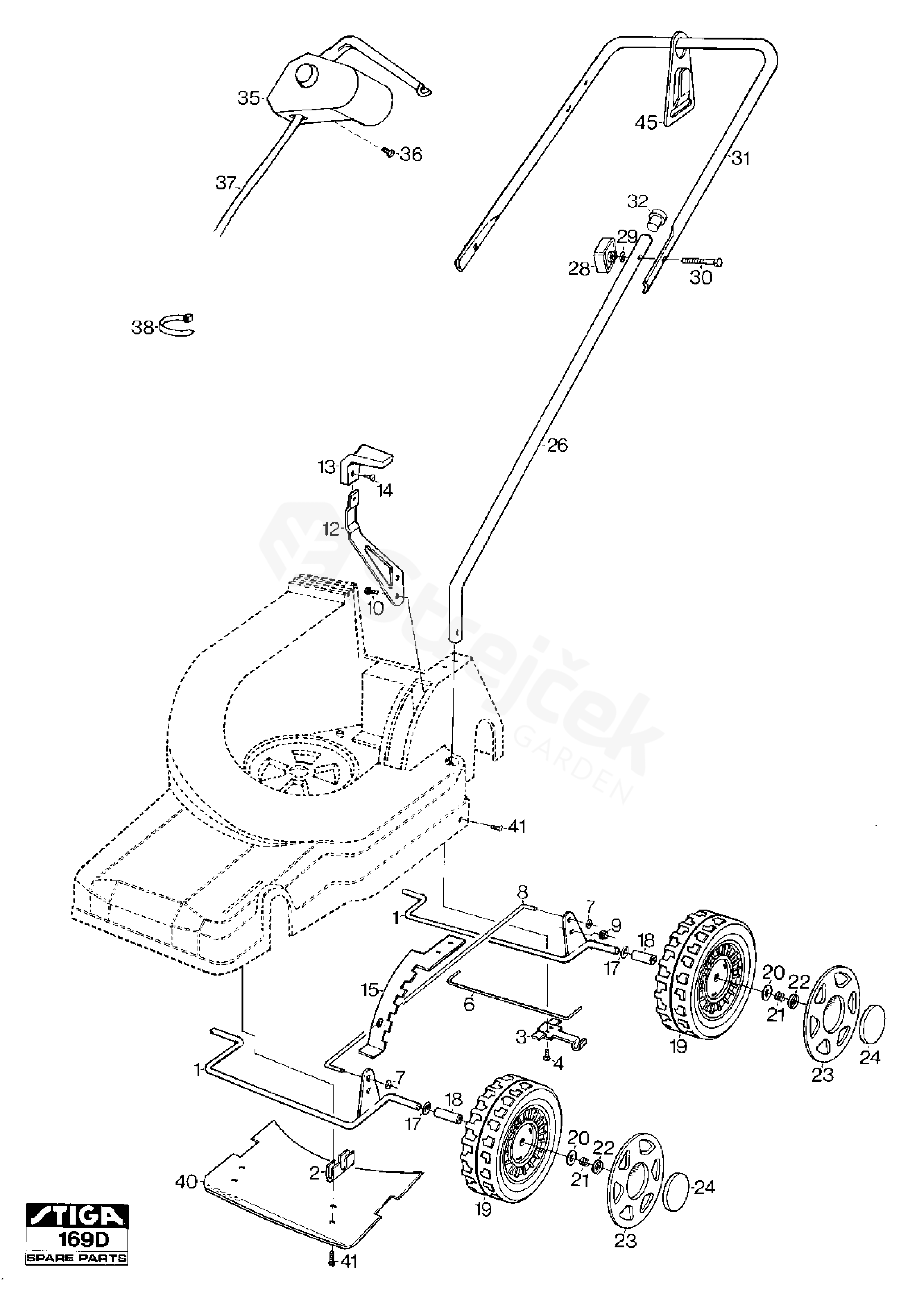
SILENT 35 EL SILENT 35 EL (1994) [12-3862-58]
Hover mouse on parts list
Wheel: Zoom, left button: Movement
Other parts For SILENT 35 EL (1994) [12-3862-58]
1 Wheel Axle 1111-1301-02
2 Holder 1111-1356-01
3 Holder 1111-1389-01
4 Screw 9836-9512-12
6 Spring 1111-1306-01
7 Starlock 9675-0008-02
8 Tension Rod 1111-1305-01
9 Nut 9747-0531-02
10 Screw 9997-0512-16
12 Control Lever 1111-1307-01
13 Knob 1111-1308-01
14 Screw 9849-7909-16
15 Height Adjusting Plate 1111-1630-01
17 Washer 9699-0090-02
18 Bushing 1111-1304-01
19 Wheel 1111-2656-01
20 Washer 9699-0112-02
21 Spring 1111-1391-01
22 Locking washer 9675-0012-02
23 Hub Cap Yellow 1111-2657-01
24 Wheel Cup 1111-2675-01
26 Handle Tube 1111-2614-01
28 Handle Bolt Kit (2 Pcs) 1111-9030-02
29 Washer 9699-0025-02
30 Screw 9899-3545-12
31 Handle-upper part 1111-2613-01
32 Knob 9403-0033-70
35 Operating Device 9400-0164-02
36 Screw 9843-7813-16
38 Cable Holder 9579-0008-00
40 Front Plate 1111-1418-01
41 Screw 9847-8019-16
45 Cable Holder (Handle) 9579-0009-00