We deliver to more than 25 countries
info@sgarden.cz
We focus especially on spare parts, just click!
Log in
/
Registration
Sign In
E-mail:
Password:
Stay logged in
Log in
Forgot your password?
I'm new here:
register
/
Log off
EN
€
CS
EN
€
Kč
Your
CART
Awaiting fulfillment
ks
Empty cart
Order
Are you
sure
to empty your cart?
Yes, empty
I don't want to
,
,
Spare parts
Everything for your machines
Spare parts
>
STIGA
>
Lawn Mower
>
TURBO 42 EL TURBO 42 EL (1990) [12-2877-14]
>
Chassis
Back to
TURBO 42 EL
TURBO 42 EL (1990) [12-2877-14]
Chassis
TURBO 42 EL
TURBO 42 EL (1990) [12-2877-14]
Hover mouse on parts list
Wheel:
Zoom, left button:
Movement
Other parts
For
TURBO 42 EL (1990) [12-2877-14]
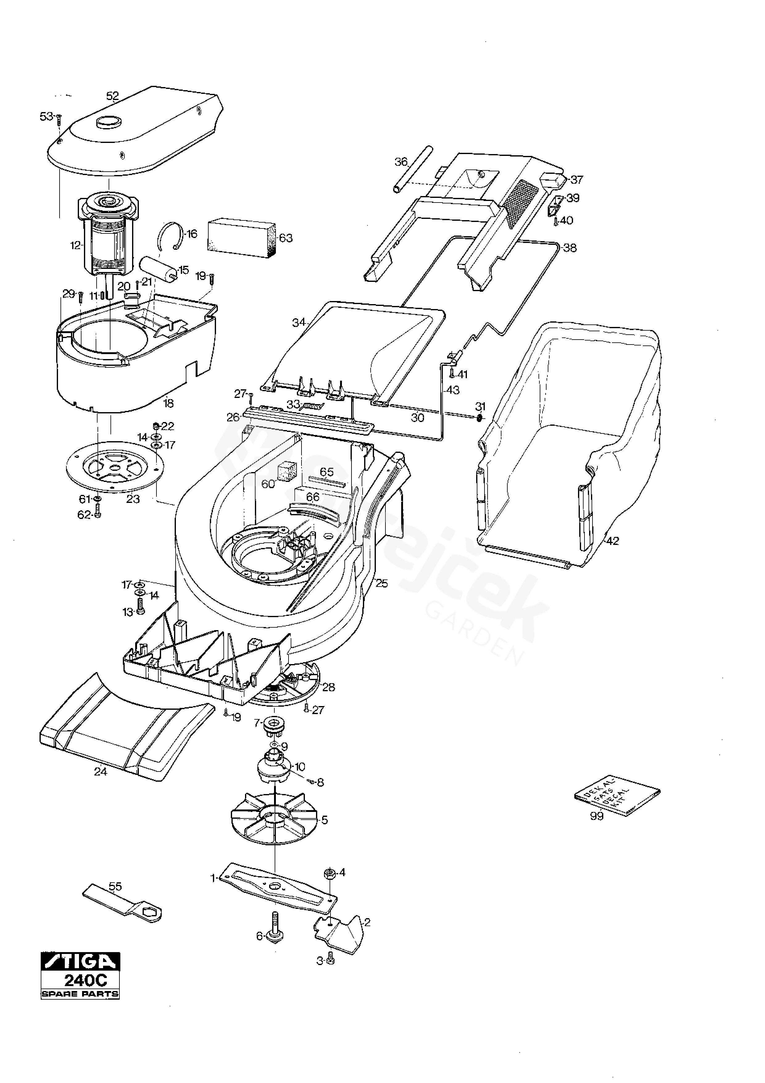
1
Blade Bar Assy
1111-1933-02
2
Blade kit
1111-9048-01
3
Screw
9997-0816-16
5
Ventilator
1111-1753-01
6
Blade Bolt (L=42.5 Mm)
1111-2679-03
9
Washer
1111-1275-01
10
Blade Holder
1111-1777-01
11
Key
9600-0132-00
12
Electric Motor
9500-1400-00
13
Screw
9997-0825-16
14
Washer
9699-0078-02
15
Capacitor
9400-0175-00
16
Cable Holder
9579-0003-00
17
Washer
1111-1959-02
18
Engine housing
1111-2215-01
19
Screw
9836-9516-12
20
Cable Holder,Chassie
9579-0007-00
21
Screw
9849-7819-16
22
Nut
9747-0831-02
23
Attachment Ring
1111-2214-01
24
Cover
1111-1749-01
25
Chassie
1111-2690-01
26
Flap Attachment
1111-1764-02
27
Screw
9836-9512-12
28
Guide Plate
1111-1748-01
29
Screw
9848-8013-16
30
Rod
1111-1805-01
31
Lock washer
9672-0002-02
33
Spring
1111-2324-01
34
Flap (Yellow)
1111-1747-02
36
Handle
1111-1635-01
37
Upper Part Collector
1111-2047-01
38
Mounting Frame
1111-1813-01
39
Holder
1111-2045-01
42
Collecting Bag
1111-2043-02
43
Wire Clamp
1111-2044-01
52
Motor Cover
1111-1934-01
55
Blade Wrench
1111-1419-01
60
Seal
1111-1958-01
62
Screw
9997-0812-16
63
Seal
1111-2386-01