We deliver to more than 25 countries
info@sgarden.cz
We focus especially on spare parts, just click!
Log in
/
Registration
Sign In
E-mail:
Password:
Stay logged in
Log in
Forgot your password?
I'm new here:
register
/
Log off
EN
€
CS
EN
€
Kč
Your
CART
Awaiting fulfillment
ks
Empty cart
Order
Are you
sure
to empty your cart?
Yes, empty
I don't want to
,
,
Spare parts
Everything for your machines
Spare parts
>
STIGA
>
Front Mowers
>
VILLA 11E VILLA 11E (1993) [13-2828-16]
>
Transmission Engine
Back to
VILLA 11E
VILLA 11E (1993) [13-2828-16]
Transmission Engine
VILLA 11E
VILLA 11E (1993) [13-2828-16]
Hover mouse on parts list
Wheel:
Zoom, left button:
Movement
Other parts
For
VILLA 11E (1993) [13-2828-16]
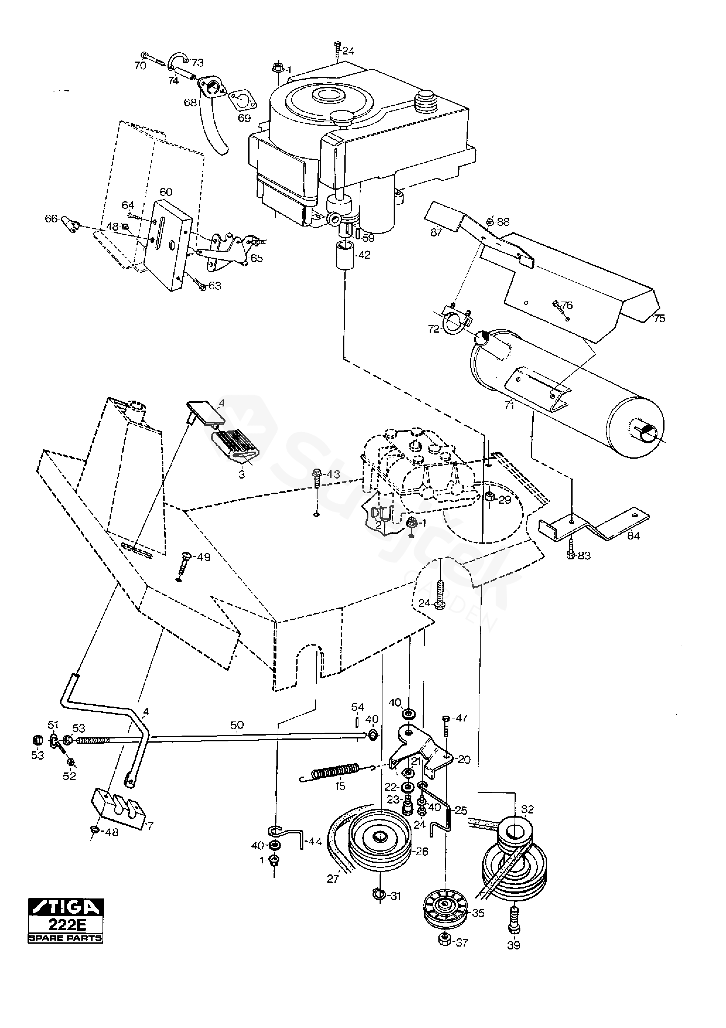
1
Nut
9739-0831-22
2
Key
9600-0050-00
3
Pedal Rubber
1134-0269-00
4
Clutch Pedal
1134-2123-02
7
Bearing
1134-1927-01
15
Spring
1134-1949-01
20
Tension Arm
1134-1631-02
21
Washer
9696-0013-01
22
Washer
9699-0037-02
23
Screw
1134-0240-00
24
Screw
9997-0840-16
25
Belt Guard
1134-0139-01
26
Belt Pulley
1134-1849-01
27
V-Belt
9535
1134-9008-01
29
Nut
9747-0831-02
31
Circlip
9650-0016-04
32
Engine Belt Pulley
1134-1633-01
35
Tension Roller (Black)
1134-9027-01
37
Nut
9739-1031-22
39
Screw
9987-5338-12
40
Washer
9699-0090-02
42
Spacer Ring
1134-1364-02
43
Screw
9959-0825-16
44
Belt Stirrup
1134-1795-01
47
Screw
9997-1030-16
48
Nut
9739-0631-22
49
Screw
9898-0635-12
50
Clutch Control Rod
1134-1931-01
51
Eye Bolt
1134-1889-01
52
Lock Nut
9747-0631-02
53
Nut
9799-0831-02
54
Locating Pin
9595-0160-00
59
Key
9600-0250-00
60
Panel
1134-1594-01
63
Screw
9959-0612-16
64
Screw
9849-8009-16
65
Throttle Cable
1134-1975-01
66
Knob
9403-0035-10
68
Exhaust Pipe
1134-2350-01
69
Gasket
1134-0433-00
70
Screw
9988-3651-12
71
Muffler
1134-3245-02
72
Clamp
9578-0011-00
73
Lock
1134-2462-01
74
Spacer
1134-1565-01
75
Heat Guard
1134-2354-01
76
Screw
9997-0612-16
83
Screw
9959-0820-16
84
Tow Bar
1134-2352-02
87
Heat Guard
1134-2394-01