We deliver to more than 25 countries
info@sgarden.cz
We focus especially on spare parts, just click!
Log in
/
Registration
Sign In
E-mail:
Password:
Stay logged in
Log in
Forgot your password?
I'm new here:
register
/
Log off
EN
€
CS
EN
€
Kč
Your
CART
Awaiting fulfillment
ks
Empty cart
Order
Are you
sure
to empty your cart?
Yes, empty
I don't want to
,
,
Spare parts
Everything for your machines
Spare parts
>
STIGA
>
Front Mowers
>
PARK 12HST PARK 12HST (1992) [13-1358-14]
>
Power Take-Off
Back to
PARK 12HST
PARK 12HST (1992) [13-1358-14]
Power Take-Off
PARK 12HST
PARK 12HST (1992) [13-1358-14]
Hover mouse on parts list
Wheel:
Zoom, left button:
Movement
Other parts
For
PARK 12HST (1992) [13-1358-14]
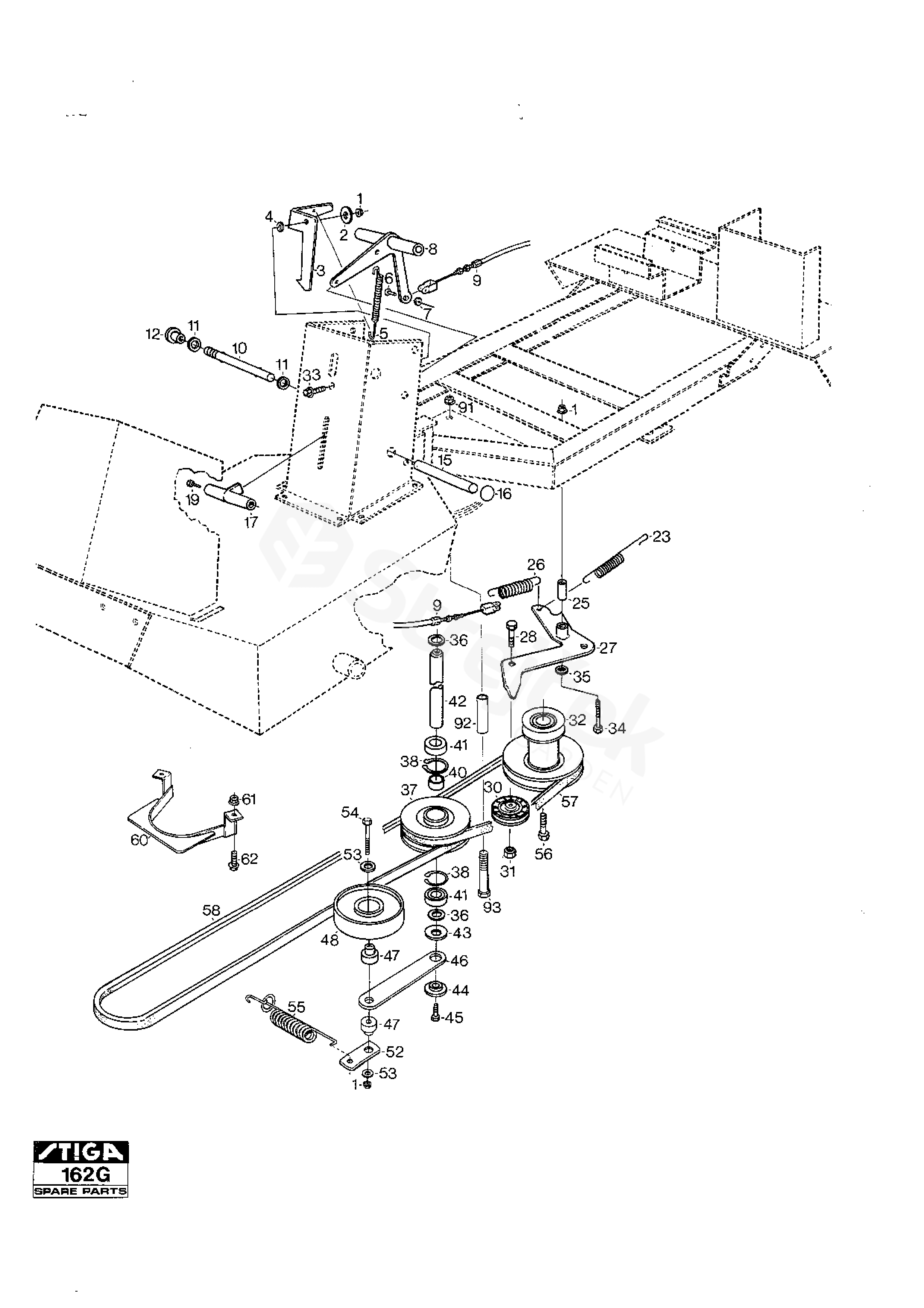
1
Nut
9739-0831-22
2
Washer
1134-0143-00
3
Locking Pawl
1134-2453-01
4
Washer
9695-0002-00
5
Brake Spring
1131-1497-01
6
Rivet
9646-0036-22
7
Starlock
9675-0008-02
8
Control Lever
1134-0027-01
9
Cable
1134-3573-01
10
Disengaging Lever
1134-1972-01
11
Washer
9699-0025-02
12
Knob
1134-0583-00
15
Control Rod
1134-0022-00
16
Starlock
9672-0004-02
17
Handle Gear Shifter
1134-0153-00
19
Screw
9847-8016-16
23
Spring
4231-0013-00
25
Spacer
1134-1565-01
26
Spring
1134-1242-02
27
Tensioning arm
1134-2018-01
28
Screw
9997-1030-16
30
Tension Roller (Black)
1134-9027-01
31
Nut
9799-1031-02
32
Engine Pulley
1134-2020-01
33
Screw
9959-0820-16
34
Screw
9997-0850-16
35
Washer
9699-0056-02
36
Spacer
1134-0052-00
37
Belt Pulley
1134-1769-02
38
Circlip
9651-0040-04
40
Spacer
1134-0051-09
41
Ball Bearing
9549-0019-00
42
Centre Shaft
1134-0057-00
43
Washer
9699-0109-02
44
Washer
1134-0222-00
45
Screw
9959-1025-16
46
Tensioning Wheel Arm
1134-1730-01
47
Spacer
1134-1888-01
48
Tension Roller
1134-1770-01
52
Spring
1134-1893-01
53
Washer
9699-0062-02
54
Screw
9997-0865-12
55
Tensioning Wheel Spring
1134-1322-01
56
Screw
9987-5332-16
57
V-Belt
9529
1134-9012-01
58
V-Belt
9531
1134-9011-01
60
Guard
Tyskland (DE)
1134-3654-01
61
Nut
Tyskland (DE)
9739-0631-22
62
Screw
Tyskland (DE)
9997-0616-16
91
Nut
9739-1031-22
92
Bushing
1134-0041-03
93
Screw
9997-1070-12