We deliver to more than 25 countries
info@sgarden.cz
We focus especially on spare parts, just click!
Log in
/
Registration
Sign In
E-mail:
Password:
Stay logged in
Log in
Forgot your password?
I'm new here:
register
/
Log off
EN
€
CS
EN
€
Kč
Your
CART
Awaiting fulfillment
ks
Empty cart
Order
Are you
sure
to empty your cart?
Yes, empty
I don't want to
,
,
Spare parts
Everything for your machines
Spare parts
>
STIGA
>
Front Mowers
>
PARK 16HST PRO PARK 16HST PRO (1994) [13-1441-17]
>
Transmission
Back to
PARK 16HST PRO
PARK 16HST PRO (1994) [13-1441-17]
Transmission
PARK 16HST PRO
PARK 16HST PRO (1994) [13-1441-17]
Hover mouse on parts list
Wheel:
Zoom, left button:
Movement
Other parts
For
PARK 16HST PRO (1994) [13-1441-17]
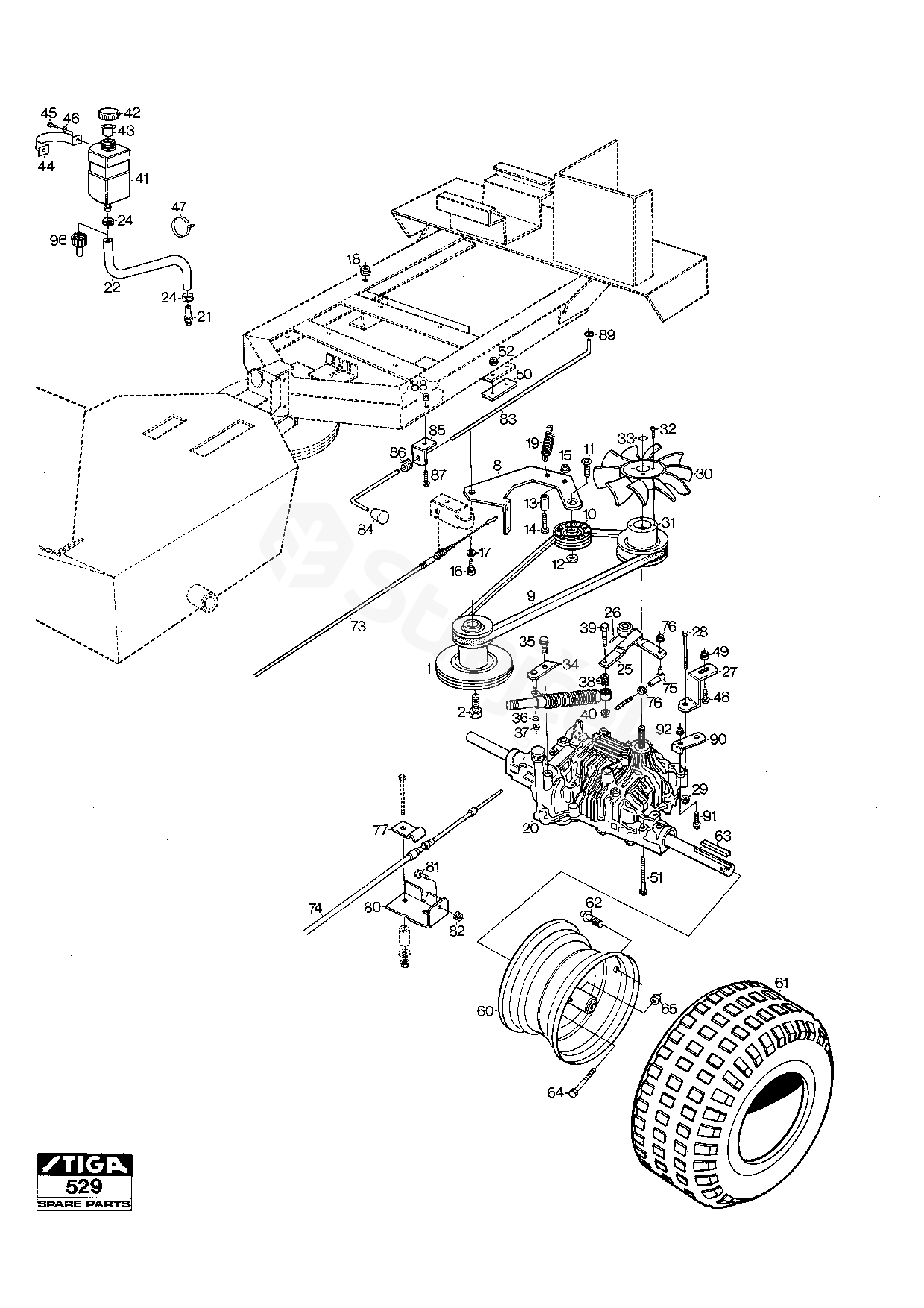
1
Engine Belt Pulley
1134-3394-01
2
Screw
9987-5338-12
8
Tension Arm
1134-3583-01
9
V-Belt
1134-9037-01
10
Tension Roller
1134-3459-01
11
Screw
9924-1035-16
12
Nut
9799-1031-02
13
Spacer
1134-3381-01
14
Screw
9997-0630-12
15
Nut
9739-0631-22
16
Screw
1134-0240-00
17
Washer
9665-0002-00
18
Nut
9739-0831-22
19
Spring
1134-3379-01
20
Transaxle
Kanzaki K61
1134-3365-01
21
Hose Nipple
1134-3389-01
22
Tube
1134-2779-02
24
Hose clamp
1134-3499-02
25
Lever
1134-3386-01
26
Locating Pin
9595-0258-00
27
Bar
1134-3388-01
28
Screw
9997-0855-12
29
Nut
9747-0831-02
30
Fan
1134-3552-01
31
Belt Pulley
1134-3451-01
32
Screw
9959-0612-16
33
CLock ring
9650-0015-04
34
Attachment
1134-3374-01
35
Screw
9959-0816-16
36
Washer
9699-0028-02
37
Locking washer
9675-0012-02
38
Washer
9699-0028-02
39
Screw
9997-0835-12
40
Nut
9739-0831-22
41
Oil Tank
1134-2765-02
42
Filler Cap
1134-2777-02
43
Vent Plug
1134-3734-01
44
Band
1134-2778-01
45
Screw
9842-0001-16
46
Washer
9699-0002-02
47
Cable Holder
9579-0003-00
48
Screw
9959-0820-16
49
Nut
9747-0831-02
50
Spacer Plate
1134-3376-01
51
Screw
9997-0870-16
52
Nut
9747-0831-02
60
Rim
1134-3393-01
61
Tyre
16 x 7.50-8
9545-0116-00
62
Valve Assy.
9545-0500-00
63
Key
1134-3383-01
64
Screw
9997-0850-16
65
Nut
9747-0831-02
73
Wire
1134-3584-01
74
Speed Control Wire
1134-2766-02
75
Elbow Link
9570-0001-00
76
Nut
9739-0531-22
77
Clamp
1134-2021-01
80
Attachment
1134-3395-01
81
Screw
9959-0816-16
82
Nut
9739-0831-22
83
Control Rod
1134-3378-01
84
Knob
1134-2786-01
85
Bracket
1134-2789-01
86
Cable Protection
1134-2790-01
87
Screw
9959-0816-16
88
Nut
9739-0831-22
89
Locking washer
9675-0012-02
90
Attachment
1134-3375-01
91
Screw
9997-0616-16
92
Nut
9739-0631-22
96
Oil Fill Nipple
9404-0500-00