We deliver to more than 25 countries
info@sgarden.cz
We focus especially on spare parts, just click!
Log in
/
Registration
Sign In
E-mail:
Password:
Stay logged in
Log in
Forgot your password?
I'm new here:
register
/
Log off
EN
€
CS
EN
€
Kč
Your
CART
Awaiting fulfillment
ks
Empty cart
Order
Are you
sure
to empty your cart?
Yes, empty
I don't want to
,
,
Spare parts
Everything for your machines
Spare parts
>
STIGA
>
Front Mowers
>
PARK 2002 PARK 2002 (1989) [13-1218-12]
>
Transmission
Back to
PARK 2002
PARK 2002 (1989) [13-1218-12]
Transmission
PARK 2002
PARK 2002 (1989) [13-1218-12]
Hover mouse on parts list
Wheel:
Zoom, left button:
Movement
Other parts
For
PARK 2002 (1989) [13-1218-12]
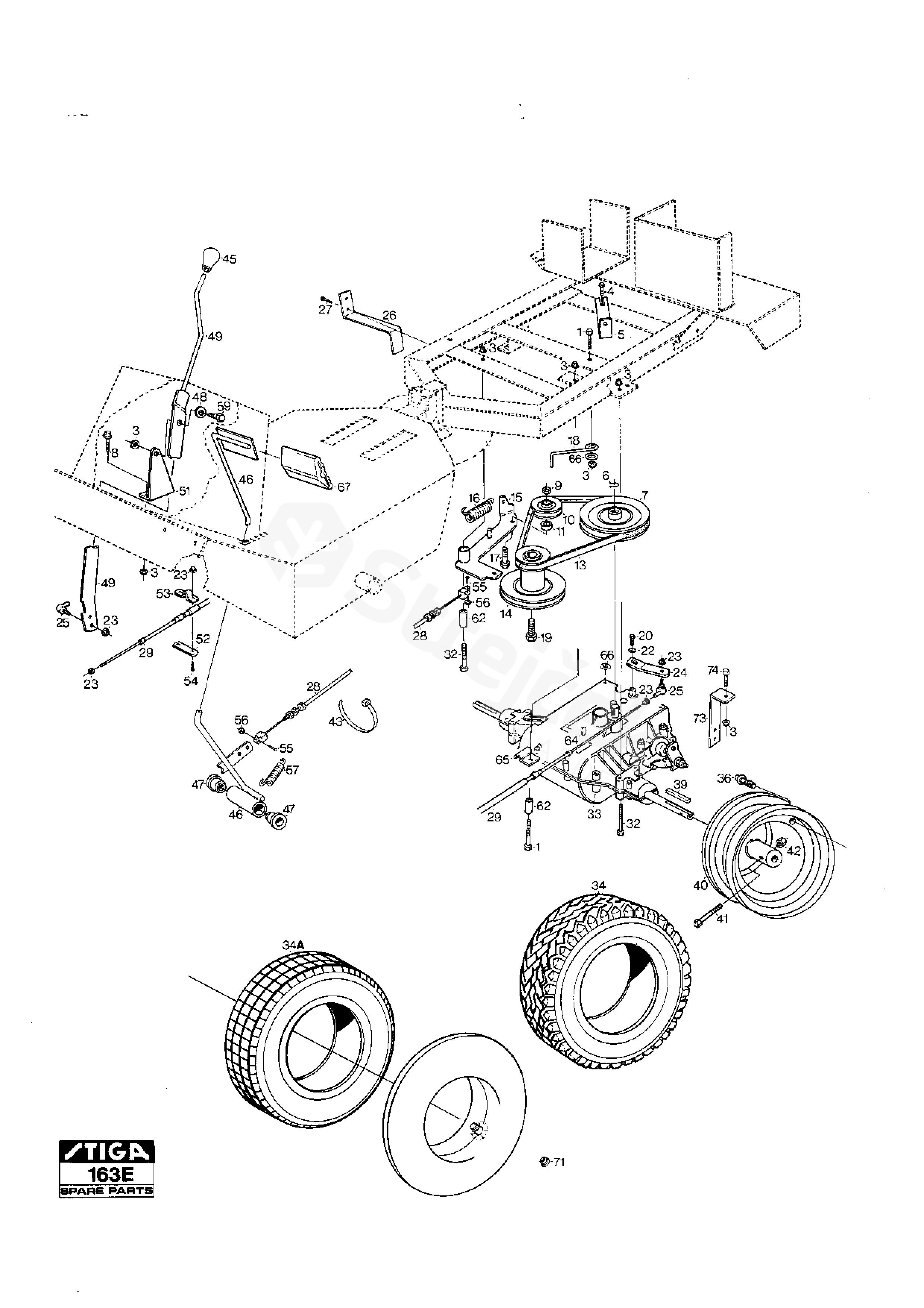
1
Screw
9997-0850-16
3
Nut
9739-0831-22
4
Screw
9942-0825-16
5
Belt Guide
1134-2085-01
6
Circlip
9650-0016-04
7
Belt Pulley
1134-1849-01
8
Screw
9959-0816-16
9
Nut
9799-1031-02
10
Tension Roller (Black)
1134-9027-01
11
Spacer
1134-0054-01
13
V-Belt
Replaced by Service Code: 1134-9013-01
9585-0057-00
14
Engine Pulley
1134-2020-01
15
Tension Arm
1134-2015-03
16
Spring
1134-0645-00
17
Screw
9997-1030-16
18
Belt Stirrup
1134-2086-01
19
Screw
9987-5332-16
20
Screw
9987-5016-16
22
Washer
9699-0060-02
23
Nut
9739-0531-22
24
Gear Shifter Arm
1134-2129-01
25
Elbow Link
9570-0001-00
26
Belt Guide
1134-2381-01
27
Screw
9942-0816-16
28
Clutch Cable
1134-2030-04
29
Gear Shifter Cable(I=1333
1134-2031-02
32
Screw
9997-0865-12
33
Transaxle assy
1134-2469-01
34
Tyre
9545-0116-00
36
Valve Assy.
9545-0500-00
39
Key
1134-2471-01
40
Rim-rear
1134-3175-01
41
Screw
9988-3645-16
42
Nut
9743-3621-32
43
Cable Holder
9579-0003-00
45
Knob
1134-2551-01
46
Brake pedal (L. H.)
1134-3450-01
47
Bearing
1134-9024-01
48
Washer
9696-0013-01
49
Gear Lever
1134-2328-01
51
Gear Shifter Bracket
1134-0220-01
52
Clamp Plate
1134-0267-00
53
Attaching clamp
1134-0266-00
54
Screw
9997-0520-16
55
Rivet
9646-0036-22
56
Starlock
9675-0008-02
57
Spring
1131-1506-00
59
Screw
1134-0240-00
62
Spacer
1134-1565-01
64
Key
9600-0050-00
65
Clamp
1134-2021-01
66
Washer
9699-0056-02
67
Pedal Rubber
1134-0269-00
71
Nipple
1134-2653-01
73
Bracket
1134-2986-01
74
Screw
9959-0820-16