We deliver to more than 25 countries
info@sgarden.cz
We focus especially on spare parts, just click!
Log in
/
Registration
Sign In
E-mail:
Password:
Stay logged in
Log in
Forgot your password?
I'm new here:
register
/
Log off
EN
€
CS
EN
€
Kč
Your
CART
Awaiting fulfillment
ks
Empty cart
Order
Are you
sure
to empty your cart?
Yes, empty
I don't want to
,
,
Spare parts
Everything for your machines
Spare parts
>
STIGA
>
Front Mowers
>
PARK COMPACT 14 PARK COMPACT 14 (2010) [13-6102-21]
>
Electric system
Back to
PARK COMPACT 14
PARK COMPACT 14 (2010) [13-6102-21]
Electric system
PARK COMPACT 14
PARK COMPACT 14 (2010) [13-6102-21]
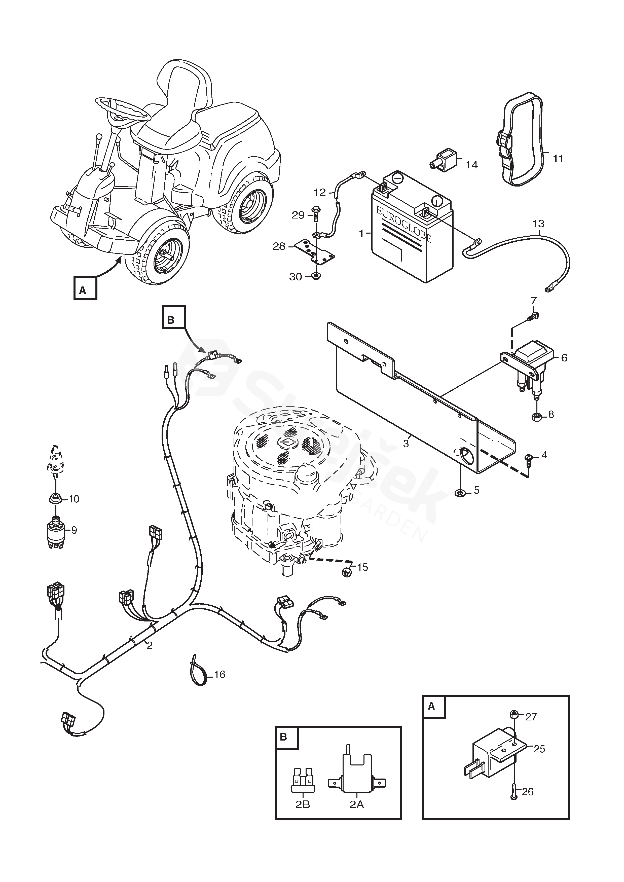
Hover mouse on parts list
Wheel:
Zoom, left button:
Movement
Other parts
For
PARK COMPACT 14 (2010) [13-6102-21]
1
Batterie
1134-4804-01
2
Harness (Park Compact Hst)
Inkl. pos 2B
1134-5769-01
3
Battery Bracket
1134-5343-01
4
Screw
9852-8013-16
5
Washer
9699-0060-02
6
Solenoid
1134-2962-01
7
Screw
9852-8013-16
8
Nut
9794-5131-02
9
Ignition Switch
1134-4093-01
10
Nut
1134-4749-01
11
Battery Strap
1134-5245-01
12
Cable (-)
L = 630 mm
1134-2167-02
13
Battery Cable
1134-0234-02
14
Guard Cap
1134-2310-01
15
Nut
"1/4"" UNC "
9795-3531-02
16
Cable Holder
9579-0003-00
25
Switch
1134-3399-02
26
Screw
9997-0520-16
27
Nut
9747-0531-02