We deliver to more than 25 countries
info@sgarden.cz
We focus especially on spare parts, just click!
Log in
/
Registration
Sign In
E-mail:
Password:
Stay logged in
Log in
Forgot your password?
I'm new here:
register
/
Log off
EN
€
CS
EN
€
Kč
Your
CART
Awaiting fulfillment
ks
Empty cart
Order
Are you
sure
to empty your cart?
Yes, empty
I don't want to
,
,
Spare parts
Everything for your machines
Spare parts
>
STIGA
>
Front Mowers
>
Park 520 DP Park 520 DP (2015)
>
Transmission
Back to
Park 520 DP
Park 520 DP (2015)
Transmission
Park 520 DP
Park 520 DP (2015)
Hover mouse on parts list
Wheel:
Zoom, left button:
Movement
Other parts
For
Park 520 DP (2015)
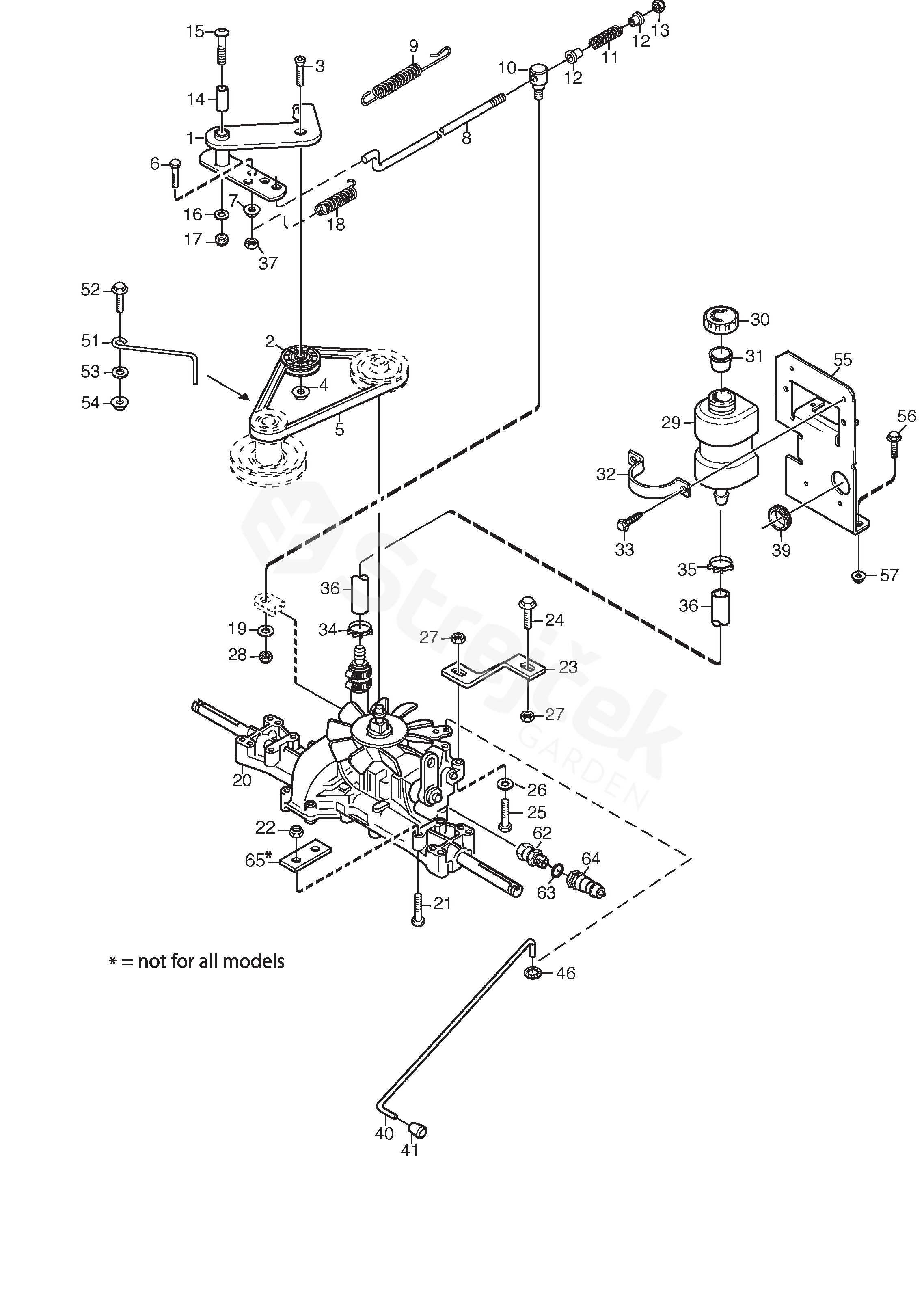
1
Tension Arm
1134-4000-02
2
Tension Roller
1134-3459-01
3
Screw
9924-1035-16
4
Nut
112295200/0
5
V-Belt
contain belt 9585-0091-01
1134-9058-01
6
Screw
112791500/0
7
Nut
9739-0631-22
8
Control Rod
1134-3377-02
9
Spring
4231-0013-00
10
Pivot Pin
1134-4171-01
11
Spring
1134-4183-01
12
Bushing
1134-3456-01
13
Nut
112154510/0
14
Spacer
1134-1565-08
15
Screw
9930-0870-12
16
Washer
112523060/0
17
Nut
112155000/0
18
Spring
1134-6414-01
19
Washer
9699-0060-02
20
Transaxle K57V
Kanzaki K57V
1137-0126-01
21
Screw
L = 60 mm
9960-0860-12
22
Nut
112155000/0
23
Strut
1134-3913-01
24
Screw
9959-0825-16
25
Screw
112691200/0
26
Washer
9699-0090-02
27
Nut
112155000/0
28
Nut
112154510/0
29
Oil Tank
1134-2765-02
30
Filler Cap
1134-2777-02
31
Vent Plug
1134-3734-01
32
Band
1134-2778-01
33
Screw
9852-8013-16
35
Hose clamp
9578-0036-01
36
Tube
L = 290 mm
1134-2779-09
37
Nut
112154510/0
39
Grommet
1134-3203-01
40
Pull Rod
1134-4015-01
41
Knob
1134-4014-01
46
Crown Fastener
112604896/0
51
Belt Guide
1134-3289-02
52
Screw
9959-0820-16
53
Washer
112523060/0
54
Nut
112154220/0
55
Tank Bracket
1134-5941-01
56
Screw
9959-0820-16
57
Nut
112154220/0
62
Hydraulic Coupling-Straight
1134-7245-01
63
Washer
1134-4948-01
64
Quick Coupling-Male
1134-6042-01