EN
Your CART
Awaiting fulfillment

ks
Empty cart Order
Are you
sure
to empty your cart?
Yes, empty I don't want to
Spare parts
Everything for your machines
Frame
SNOW KING SNOW KING (2004)
Hover mouse on parts list
Wheel: Zoom, left button: Movement
Other parts For SNOW KING (2004)
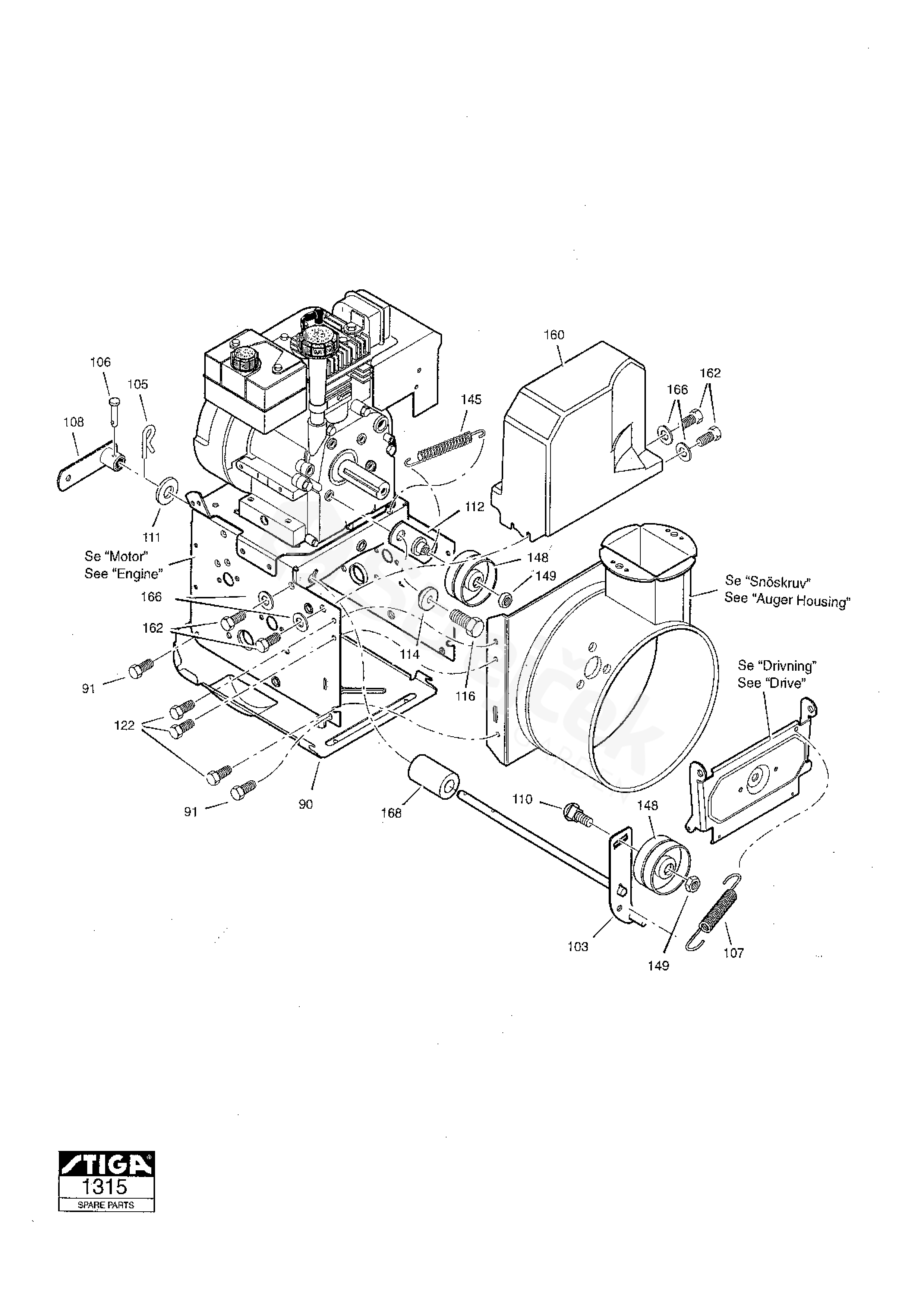
90 Bottom Cover 1812-1700-01
91 Screw 9988-3516-16
103 Auger idler 1812-1747-01
105 Hair Pin 1812-1511-01
106 Klik Clip 1812-1533-01
107 Tension Spring 1812-1676-01
108 Spring Attachment 1812-1693-01
110 Screw 9899-3732-16
111 Flat washer 1812-1509-01
112 Idler Bracket 1812-1722-01
114 Bushing 1812-1705-01
116 Screw 9987-5119-16
122 Screw 1812-0385-01
145 Spring 1812-0329-01
148 Tension Roller 1812-0305-01
149 Nut 9743-3721-32
160 Belt cover 1812-1698-01
162 Screw 1812-1680-01
166 Washer 9699-0028-02
168 Spacer 1812-1741-01