EN
Your CART
Awaiting fulfillment

ks
Empty cart Order
Are you
sure
to empty your cart?
Yes, empty I don't want to
Spare parts
Everything for your machines
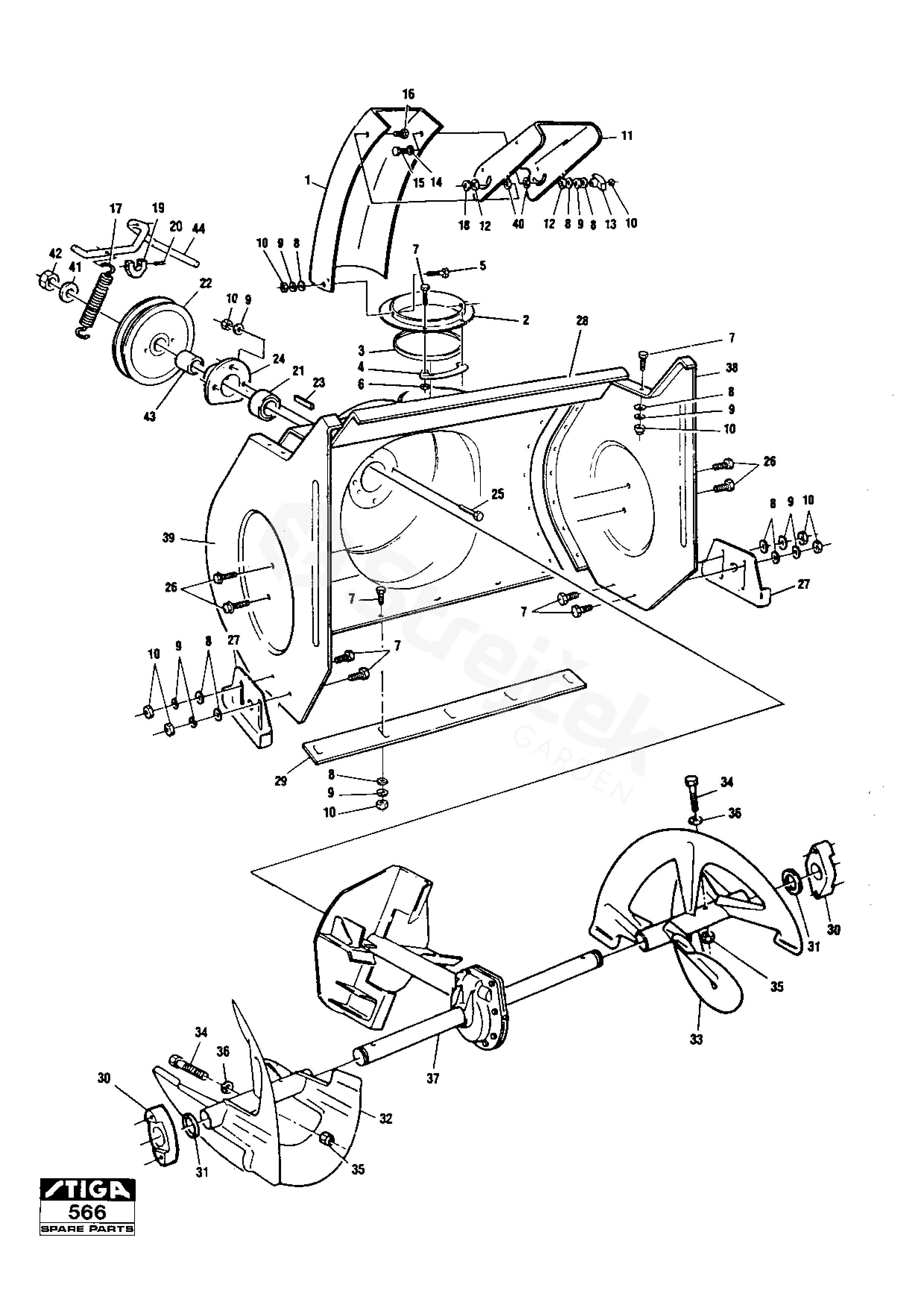
Auger Assy
ST827 ST827 (1994)
Hover mouse on parts list
Wheel: Zoom, left button: Movement
Other parts For ST827 (1994)
2 Flange 1812-1220-01
3 Chute Ring 1812-1180-01
4 Retainer 1812-1198-01
5 Screw 1812-0388-01
6 Nut 1812-0389-01
7 Screw 9899-3622-16
8 Washer 9699-0028-02
9 Washer 9683-0030-02
10 Nut 9795-3631-02
17 Return Spring 1812-1162-01
19 Brake Pad 1812-1244-01
20 Pin 1812-0401-01
21 Ball Bearing 1812-1229-01
22 Auger Pulley 1812-1260-01
23 Key 1812-1167-01
24 Retainer Bearing 1812-1250-01
25 Screw 9988-3616-16
26 Screw 1812-0387-01
27 Height Adjuster 1812-1158-01
28 Auger housing 1812-1270-01
29 Scraper Bar 27 1812-1258-01
30 Bearing 1812-0347-01
31 Spacer 1812-0397-01
32 Auger R.H. 1812-1275-01
33 Auger L.H. 1812-1274-01
34 Shear Bolt Kit 1812-9005-01
36 Spacer 1812-0531-01
37 Gear Box Assy 1812-1278-01
38 Side Plate L.H 1812-0868-01
39 Side Plate R.H 1812-0869-01
41 Washer 9699-0038-02
42 Nut 9743-5421-32
43 Spacer 1812-1263-01
44 Rod Brake Arm 1812-1235-01