We deliver to more than 25 countries
info@sgarden.cz
We focus especially on spare parts, just click!
Log in
/
Registration
Sign In
E-mail:
Password:
Stay logged in
Log in
Forgot your password?
I'm new here:
register
/
Log off
EN
€
CS
EN
€
Kč
Your
CART
Awaiting fulfillment
ks
Empty cart
Order
Are you
sure
to empty your cart?
Yes, empty
I don't want to
,
,
Spare parts
Everything for your machines
Spare parts
>
Alpina
>
Chainsaw
>
470 470 (2007)
>
Housing
Back to
470
470 (2007)
Housing
470
470 (2007)
Hover mouse on parts list
Wheel:
Zoom, left button:
Movement
Other parts
For
470 (2007)
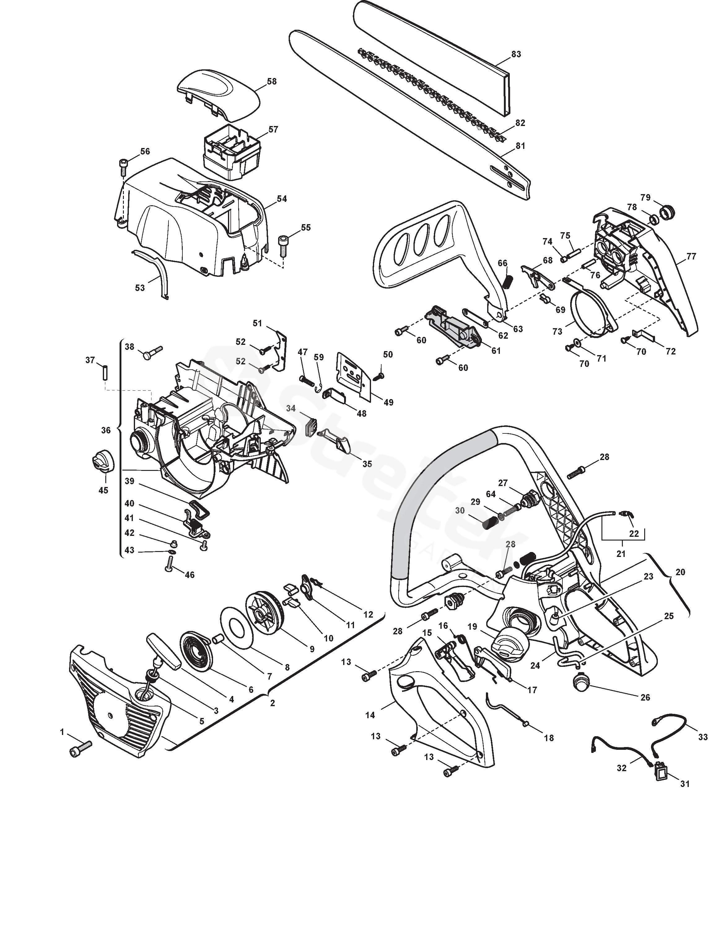
1
Screw
2123030
2
Carter Assy Yellow
383058023/0
3
Bushing
3611290
4
Starter Handle
3749437
5
Starter cord
3784030
6
Starter Spring
4611480
7
Bushing
3623590
8
Disc For Starter Spring
3723640
9
Starter Pulley
3750130
10
Starter Hook
3750080
11
Starter Hook Guide
3750140
12
Retainer
3657480
13
Screw
2123100
14
Handle Cover
323109506/0
15
Throttle Lever For Cable
3743587
16
Molla Leva Accel. E Sicurezza 360-41
1L3654440/1
17
Safety Lever
3743597
18
Throttle Cable
123066002/0
19
Fuel Tank-Cap Ass.Y
383790000/0
20
Handle Assy, Grey
383300003/0
21
Mix Vent Tube
4253580
22
Breather Valve Assy
4253680
23
Intake
3L8783140/2
24
Air Purge Line
323867000/0
25
Air Purge Line
3786180
26
Primer Pump
123018000/0
27
Welch Plug
323790003/0
29
Flat washer
2312090
30
Spring
123430555/0
31
Stop Switch
3210970
32
Stop Wire
123065007/0
33
Ground Cable
3211380
34
Grommet
323275002/0
35
Air Lever
323315059/0
36
Engine Case Ass.Y
383057000/0
37
Oil Tube Assy
3L4353090/1
38
Screw
1L2112460/1
39
Gasket
323280002/0
40
Oil Filter Assy
323520000/0
42
Bushing
123044201/0
45
Tank Cap
383790001/0
46
Screw
2135060
47
Screw
123878004/1
48
Chain Tightener Block
323810000/0
49
Bar Plate
323311001/0
50
Screw
2123060
51
Spike
323026000/0
53
Deflector
323140051/0
54
Cylinder Cover Yellow
323087017/0
57
Air Filter
323220000/0
58
Cover
323109503/0
59
Circlip
3351050
61
Cover
323109505/0
62
Brake Plate
3614490
63
Hand-Guard
383455000/0
64
Screw
2135040
66
Brake Spring
123430553/0
68
Chain Brake Lever
4252310
69
Spring
3614780
71
Washer
2312100
72
Plate
3612400
73
Brake Band
323448000/0
74
Bushing
2382100
75
Roller
112622630/0
76
Pin
3180390
77
Clutch Housing Yellow
323059023/0
78
Bushing
3643000
79
Nut
2670270
81
Guide Bar 18inch
123900101/0
82
Chain 16inch
4113713
83
Chain Cover 18inch
4181497