We deliver to more than 25 countries
info@sgarden.cz
We focus especially on spare parts, just click!
Log in
/
Registration
Sign In
E-mail:
Password:
Stay logged in
Log in
Forgot your password?
I'm new here:
register
/
Log off
EN
€
CS
EN
€
Kč
Your
CART
Awaiting fulfillment
ks
Empty cart
Order
Are you
sure
to empty your cart?
Yes, empty
I don't want to
,
,
Spare parts
Everything for your machines
Spare parts
>
Alpina
>
Chainsaw
>
EA 2000 Q EA 2000 Q (2012)
>
Electric Chain Saw
Back to
EA 2000 Q
EA 2000 Q (2012)
Electric Chain Saw
EA 2000 Q
EA 2000 Q (2012)
Hover mouse on parts list
Wheel:
Zoom, left button:
Movement
Other parts
For
EA 2000 Q (2012)
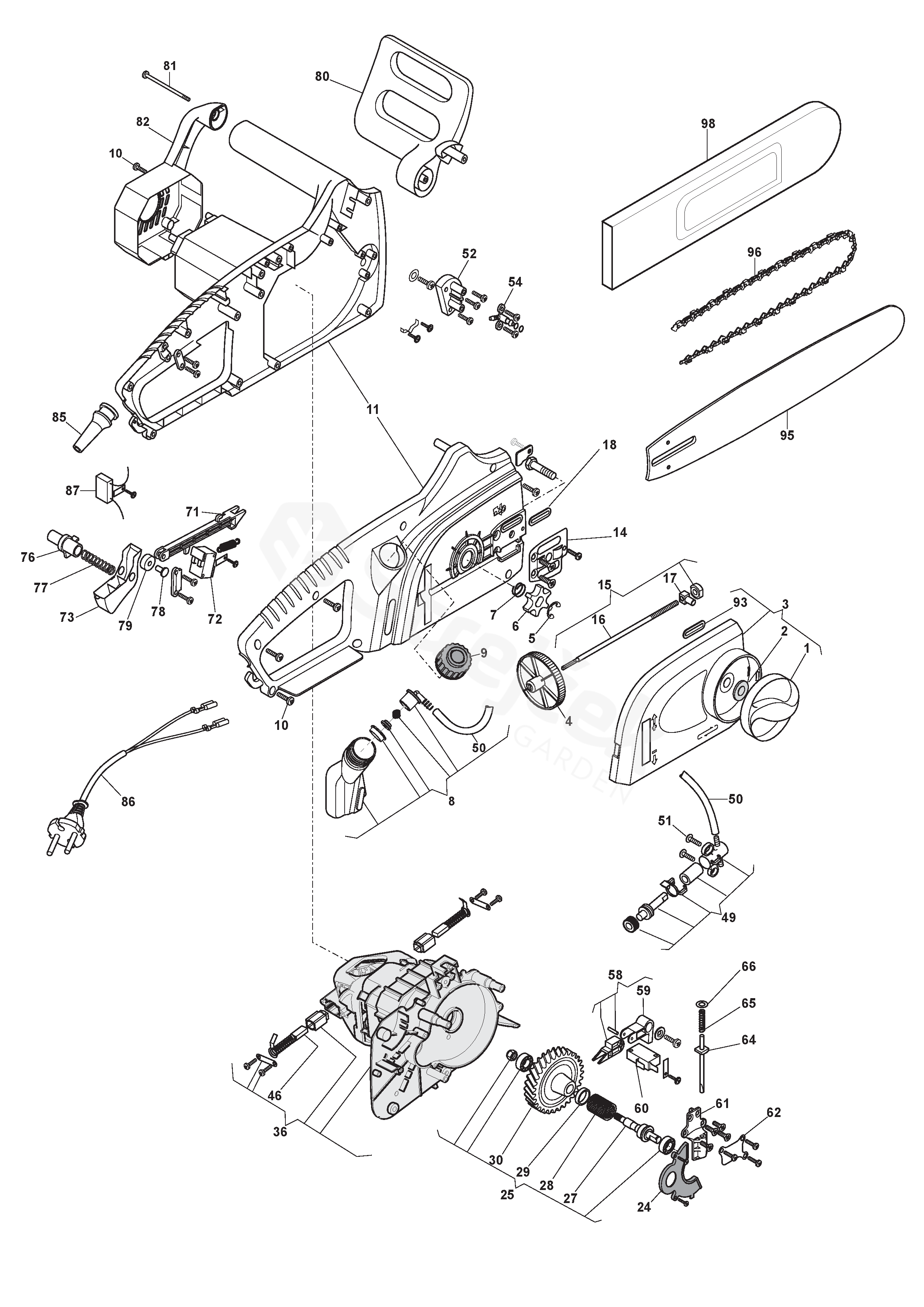
1
Knob
118800486/0
2
Bushing
118800445/0
3
Bar Holder Assy
118800487/1
4
Ring Nut
118800489/0
5
Snap Ring
118800466/0
6
Chain Pinion
118800413/0
7
Spring
118800446/0
8
Oil Tank
118800462/0
9
Tank Cap
118800460/0
10
Screw
118800476/0
11
Housing Assy, Black
118800396/1
14
Bar Plate
118800426/0
15
Tie Rod Assy
118800490/1
16
Tie Rod
118800490/0
17
Nut
118800433/0
18
Oil seal
118800435/0
24
Dust Cover
118800399/0
25
Gear Assy
118800463/0
27
Shaft
118800407/0
28
Spring
118800447/0
29
Shaft sleeve
118800406/0
30
Gear
118800412/0
36
Electric Engine 2000W
118805062/0
46
Brushes
118800453/0
49
Oil Pump Assy
118800461/0
50
Oil Tube
118800405/0
51
Screw
118800477/0
52
Bracket
118800438/0
54
Pipe Connection
118800480/0
58
Push rod
118800464/0
59
Gearshift
118800403/0
60
Micro
118800400/0
61
Plate
118800423/0
62
Plate
118800425/0
64
Rod
118800414/0
65
Spring
118800448/0
66
Plate
118800481/0
71
Rod
118800404/0
72
Switch
118800401/0
73
Switch Lever
118800439/0
76
Button
118800440/0
77
Spring
118800449/0
78
Pin
118800408/0
79
Pulley
118800410/0
80
Hand Guard
118800422/1
81
Screw
118800430/0
82
End Cover
118800394/0
83
Screw
118800476/0
85
Cord Protector
118800443/0
86
Cable
118800459/0
87
Capacitor
118800452/0
93
Grommet
118800434/0
95
Guide Bar 16"-3/8"-0,050"
118800128/0
96
Chain 16"-3/8"-0,050"-57E
118801745/0
98
Chain Cover 16inch
4181307