We deliver to more than 25 countries
info@sgarden.cz
We focus especially on spare parts, just click!
Log in
/
Registration
Sign In
E-mail:
Password:
Stay logged in
Log in
Forgot your password?
I'm new here:
register
/
Log off
EN
€
CS
EN
€
Kč
Your
CART
Awaiting fulfillment
ks
Empty cart
Order
Are you
sure
to empty your cart?
Yes, empty
I don't want to
,
,
Spare parts
Everything for your machines
Spare parts
>
Mountfield
>
Lawn Mower
>
480R 480R (2003) [12-5786-80]
>
Chassis Grass Collector
Back to
480R
480R (2003) [12-5786-80]
Chassis Grass Collector
480R
480R (2003) [12-5786-80]
Hover mouse on parts list
Wheel:
Zoom, left button:
Movement
Other parts
For
480R (2003) [12-5786-80]
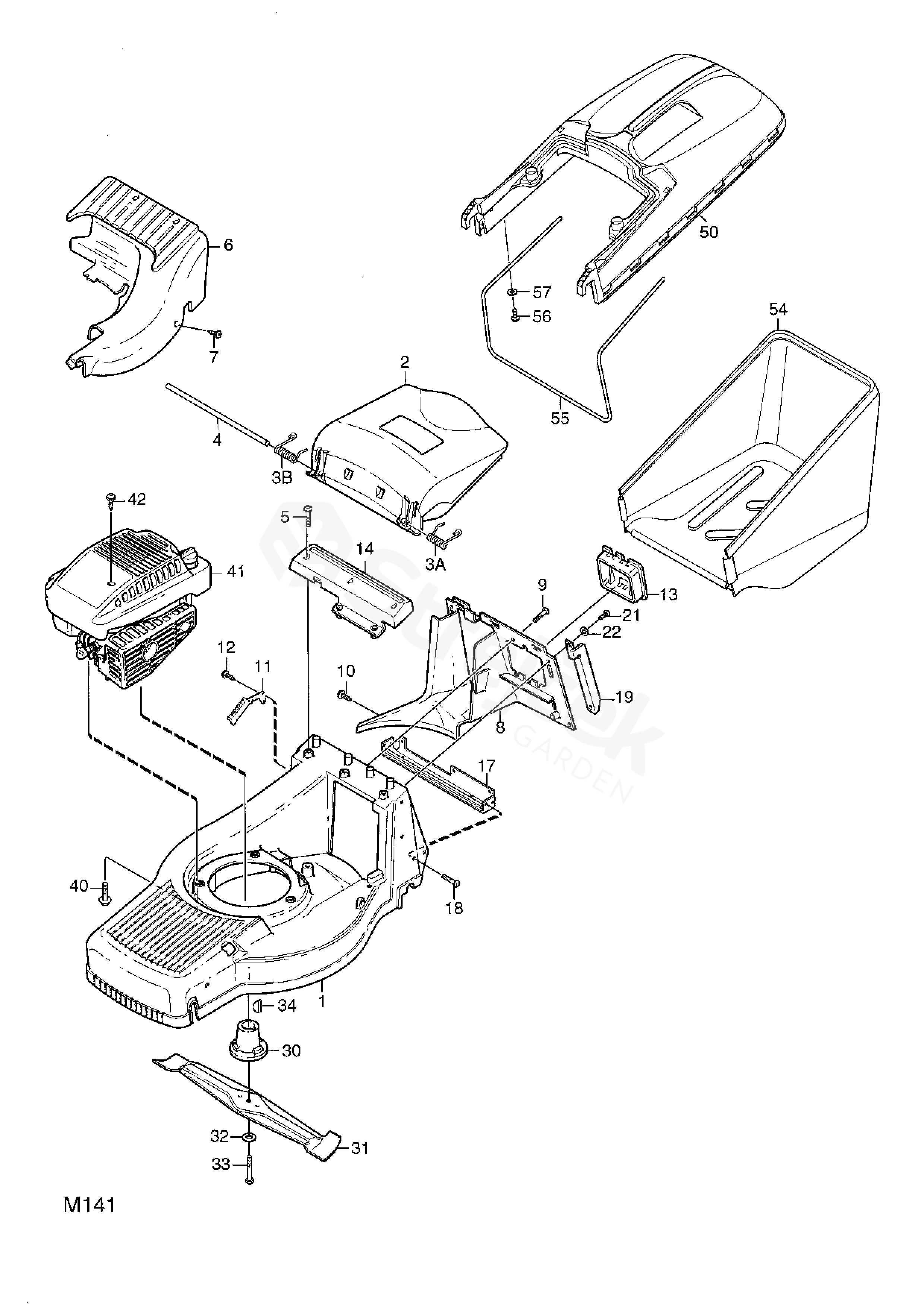
1
Chassis-Red
1111-3410-02
2
Flap Assy-Black
Pos. 3 - 4 incl.
1111-3529-02
4
Pivot rod
1111-3532-01
5
Screw
9947-0616-16
6
Cover (Red 3003)
1111-2794-03
8
Rear Attachment
1111-3412-01
10
Screw
9838-9522-12
11
Height Sector
1111-3548-02
13
Battery Holder
Not on 5798, 9798
1111-2927-01
14
Attachment-Cover
1111-3533-02
17
Strut
1111-3524-01
18
Screw
9943-0620-16
19
Plate-Lh
1111-3568-01
21
Screw
9840-7916-16
22
Washer
9699-0087-02
30
Blade Holder
1111-1408-02
31
Blade
1111-2800-01
32
Washer
9696-0011-01
33
Screw
9987-5251-12
34
Key
9600-0014-00
40
Screw
9955-3732-12
41
Engine Cover (Black)
1111-3352-01
42
Screw
9500-9907-01
50
Top Collector-Black
1111-3525-02
54
Collecting Bag (Mountfield)
1111-3528-02
55
Wire Clamp
1111-3526-01
57
Flat washer
9699-0100-02
3A
Spring-Lh
1111-3531-01
3B
Spring-Rh
1111-3530-01