We deliver to more than 25 countries
info@sgarden.cz
We focus especially on spare parts, just click!
Log in
/
Registration
Sign In
E-mail:
Password:
Stay logged in
Log in
Forgot your password?
I'm new here:
register
/
Log off
EN
€
CS
EN
€
Kč
Your
CART
Awaiting fulfillment
ks
Empty cart
Order
Are you
sure
to empty your cart?
Yes, empty
I don't want to
,
,
Spare parts
Everything for your machines
Spare parts
>
Castelgarden
>
Lawn Mower
>
MULCHER 484 TR MULCHER 484 TR (2002)
>
Chassis
Back to
MULCHER 484 TR
MULCHER 484 TR (2002)
Chassis
MULCHER 484 TR
MULCHER 484 TR (2002)
Hover mouse on parts list
Wheel:
Zoom, left button:
Movement
Other parts
For
MULCHER 484 TR (2002)
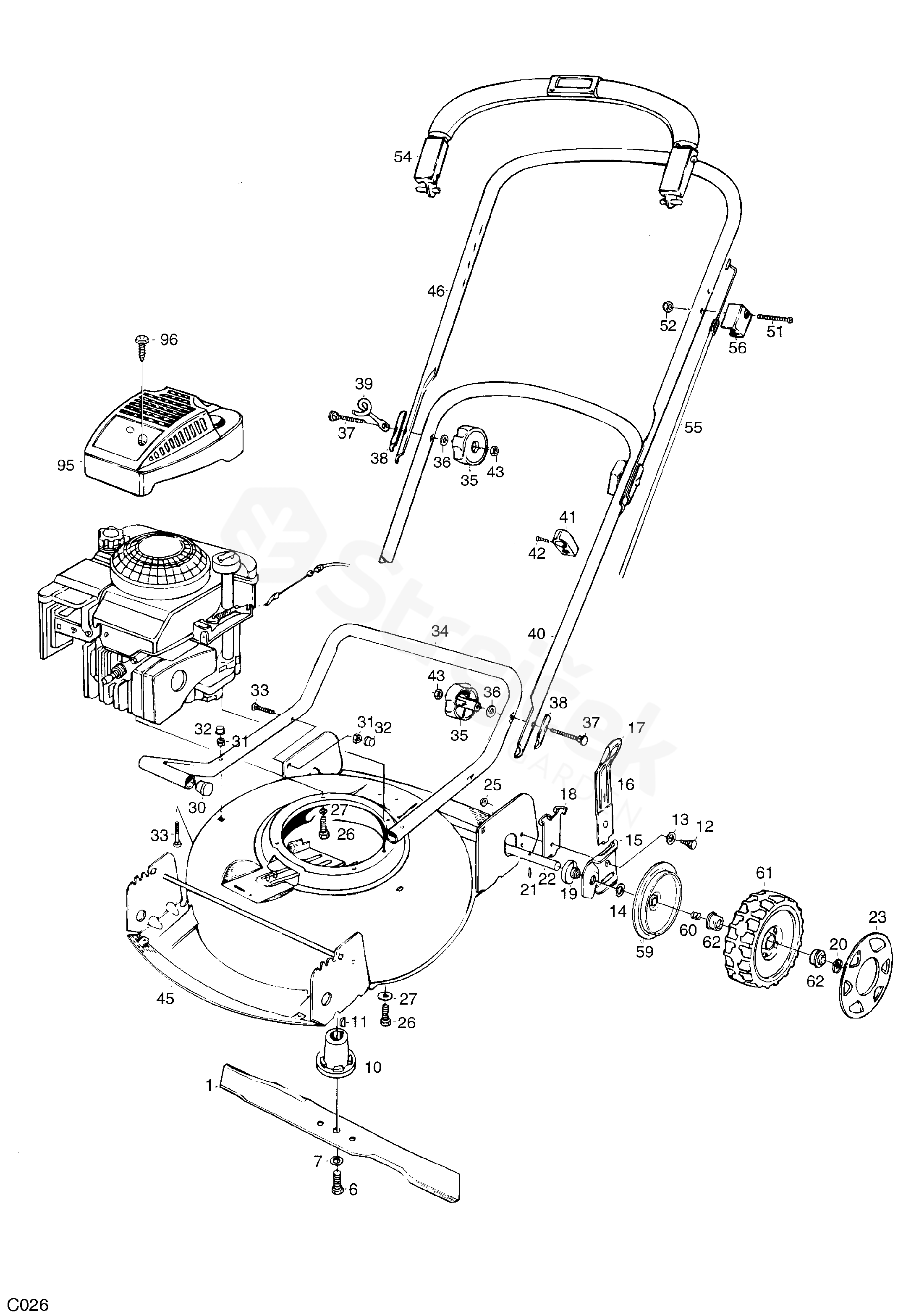
1
Blade
1111-3099-01
6
Screw
9987-5257-12
7
Washer
9696-0011-01
10
Blade Hub
1111-2142-01
11
Key
9600-0014-00
12
Bolt
1111-0545-00
13
Washer
9694-0001-00
14
Washer
13.0 x 24 x 2.0
9699-0037-02
15
Axle Mounting
1111-1268-01
16
Control Lever
Pos 17 incl.
1111-1337-01
17
Knob
1111-2549-01
18
Hole Plate
1111-0497-00
19
Bushing
1111-2057-02
20
Starlock
9675-0017-02
21
Slotted Pin
9595-0182-00
22
Front Axle
1111-2526-01
23
Hub Cap-Grey
1111-3085-07
25
Nut
9739-0831-22
26
Screw
9955-3732-12
27
Washer
9699-0029-02
30
Plug
9403-0043-70
31
Nut
9747-0831-02
32
Ring Nut
9403-0113-00
33
Screw
9898-0835-12
34
Handlebar-lower part
1111-2962-01
35
Locking Knob
1111-3023-01
36
Washer
9699-0025-02
37
Screw
9899-3557-12
38
Reinforcement
1111-0178-00
39
Eyelink
1111-3062-01
40
Handlebar-Interm.Part
1111-2961-01
41
Cable Holder
1111-2018-01
42
Screw
9836-9216-12
43
Nut
9795-3531-02
45
Chassis
1111-3445-02
46
Handlebar-Upper Part
1111-3243-01
51
Screw
9948-0640-16
52
Lock Nut
9747-0631-02
54
Control Handle (Eng.Brake
1111-2953-01
55
Cable, Thread Engine Brake
1111-2968-05
56
Cable Holder
1111-2969-01
59
Wheel Cover
1111-3341-01
60
Spring-Wheel Axle
1111-1138-01
61
Wheel
1111-3238-01
62
Ball Bearing
9549-0053-00
95
Engine Cover Black
1111-3287-01
96
Screw
9828-7942-12