We deliver to more than 25 countries
info@sgarden.cz
We focus especially on spare parts, just click!
Log in
/
Registration
Sign In
E-mail:
Password:
Stay logged in
Log in
Forgot your password?
I'm new here:
register
/
Log off
EN
€
CS
EN
€
Kč
Your
CART
Awaiting fulfillment
ks
Empty cart
Order
Are you
sure
to empty your cart?
Yes, empty
I don't want to
,
,
Spare parts
Everything for your machines
Spare parts
>
Husqvarna
>
RIDERS
>
R422 Ts AWD R422 Ts AWD, 966772901, 2014
>
TRANSMISSION
Back to
R422 Ts AWD
R422 Ts AWD, 966772901, 2014
TRANSMISSION
R422 Ts AWD
R422 Ts AWD, 966772901, 2014
Hover mouse on parts list
Wheel:
Zoom, left button:
Movement
Other parts
For
R422 Ts AWD, 966772901, 2014
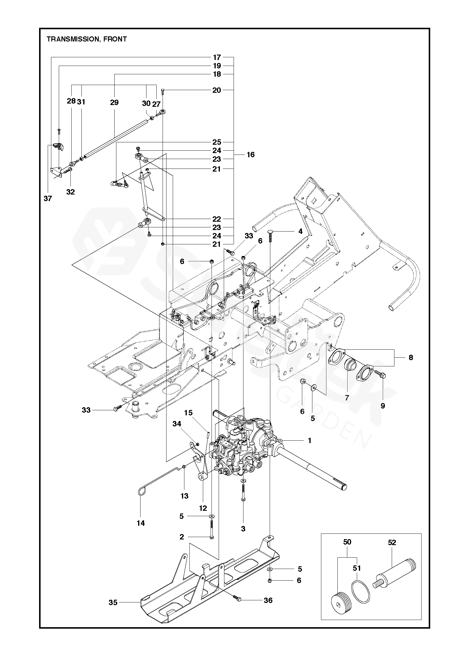
1
TRANSMISSION
577531901
2
SCREW EHHM
725246751
3
SCREW EHHM
725246451
4
SCREW EHHM
535423803
5
PODLOŽKA
734116401
6
LOCK NUT
732211801
7
BEARING
544008902
8
BEARING HOUSING
544009002
9
SCREW EHHFM
506570105
12
LEVER
578291901
13
BUSHING
503735801
14
ARM
535499701
15
ČEP PRUŽINY
721434701
16
LINK ASSY
544841501
17
BRACKET
535492802
18
ROD
544456701
19
SCREW
544841701
20
SCREW EHHM
522622101
21
LOCK NUT
732211601
22
LEVER
535497402
23
ROD END
506951701
24
SCREW EHHFM
535475212
25
ADJUSTMENT ROD
544441901
27
ROD END
535486601
28
ROD END
535486602
29
ROD
535486501
30
HEXAGON NUT
731231601
31
HEXAGON NUT
503221018
32
HEXAGONAL SCREW M6X12
725236651
33
SCREW EHHM
725249371
34
LOCK NUT
732211601
35
SKID PLATE
544845701
36
SCREW EHHFM
506570104
37
COVER
585001501
50
KIT
574515101
51
O-RING
574515201
52
FILTER
535402819