We deliver to more than 25 countries
info@sgarden.cz
We focus especially on spare parts, just click!
Log in
/
Registration
Sign In
E-mail:
Password:
Stay logged in
Log in
Forgot your password?
I'm new here:
register
/
Log off
EN
€
CS
EN
€
Kč
Your
CART
Awaiting fulfillment
ks
Empty cart
Order
Are you
sure
to empty your cart?
Yes, empty
I don't want to
,
,
Spare parts
Everything for your machines
Spare parts
>
ST S p A
>
Lawn Mower
>
CENTRAL PARK CPE33 CENTRAL PARK CPE33 (1999)
>
Electric Walkbehind
Back to
CENTRAL PARK CPE33
CENTRAL PARK CPE33 (1999)
Electric Walkbehind
CENTRAL PARK CPE33
CENTRAL PARK CPE33 (1999)
Hover mouse on parts list
Wheel:
Zoom, left button:
Movement
Other parts
For
CENTRAL PARK CPE33 (1999)
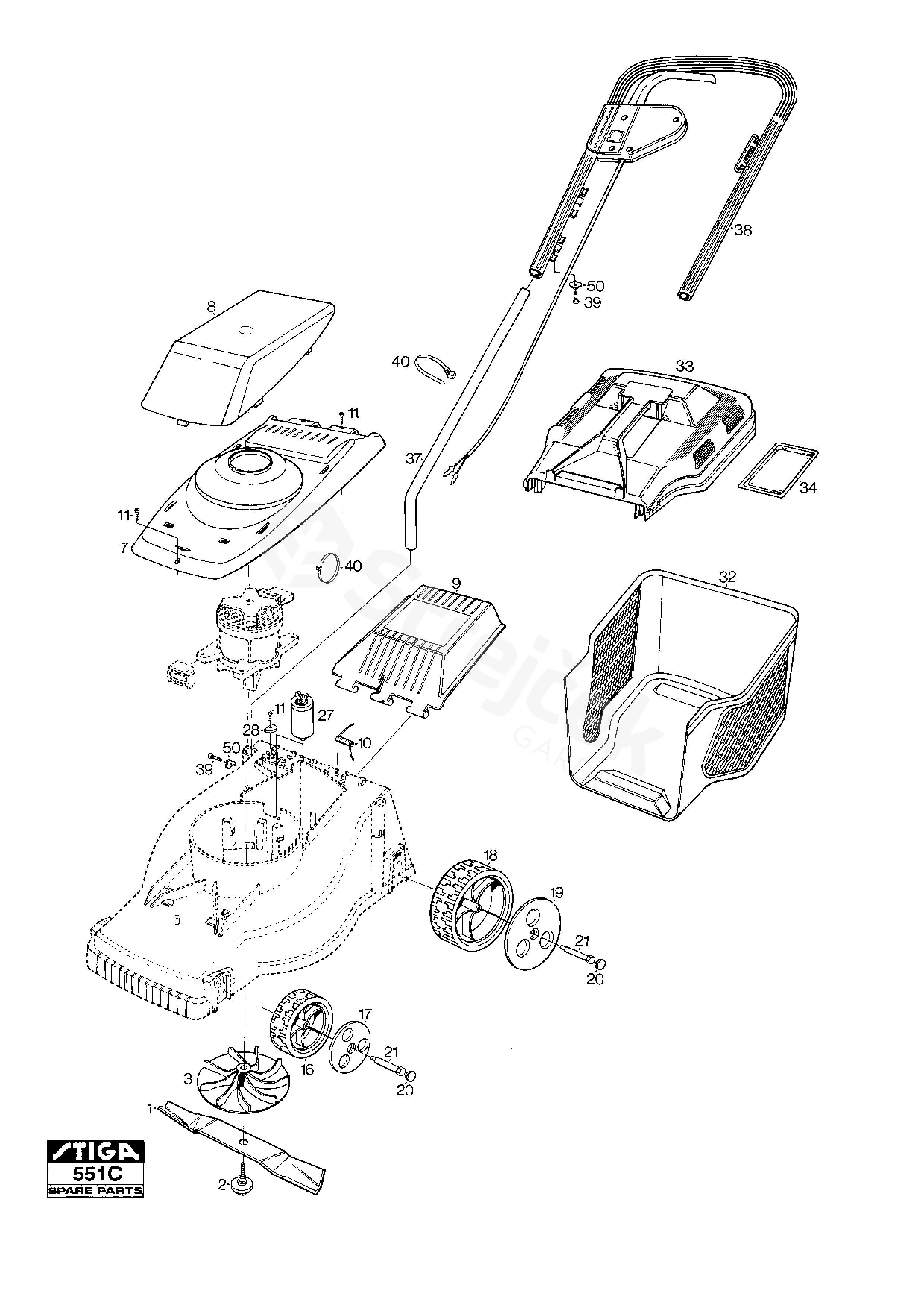
1
Blade
1111-2759-01
2
Blade Bolt
1111-2787-02
3
Fan/Bladeholder
1111-3137-01
7
Motorcover Lower-Black 2
1111-2750-02
8
Motorcover (Red)
1111-2929-04
9
Flap-black
1111-2761-02
10
Spring
1111-2789-01
11
Screw
9836-9110-12
16
Wheel
1111-2762-01
17
Hubcap 130 (Yellow) 2002
1111-2763-01
18
Wheel
1111-3199-01
19
Hub Cap Yellow
1111-2755-01
20
Wheelcup (Yellow)
1111-2756-01
21
Shoulderbolt 2
1111-2788-01
27
Condensor (10 Uf)
9400-0264-00
28
Washer
1111-2765-00
32
Lower Collector (Black)
1111-2760-02
33
Upper Collector (Black)
1111-2758-02
34
Cover
1111-2764-01
37
Lower Handlebar
1111-2768-02
38
Upper Handle with Switch
1111-2904-02
39
Screw
9846-7916-16
40
Cable Holder
9579-0008-00
50
Washer
1111-3136-02