We deliver to more than 25 countries
info@sgarden.cz
We focus especially on spare parts, just click!
Log in
/
Registration
Sign In
E-mail:
Password:
Stay logged in
Log in
Forgot your password?
I'm new here:
register
/
Log off
EN
€
CS
EN
€
Kč
Your
CART
Awaiting fulfillment
ks
Empty cart
Order
Are you
sure
to empty your cart?
Yes, empty
I don't want to
,
,
Spare parts
Everything for your machines
Spare parts
>
Husqvarna
>
ICE AUGERS
>
1027 STE 1027 STE, 10527STE, HL1027STEA, 954633545, 2004-03
>
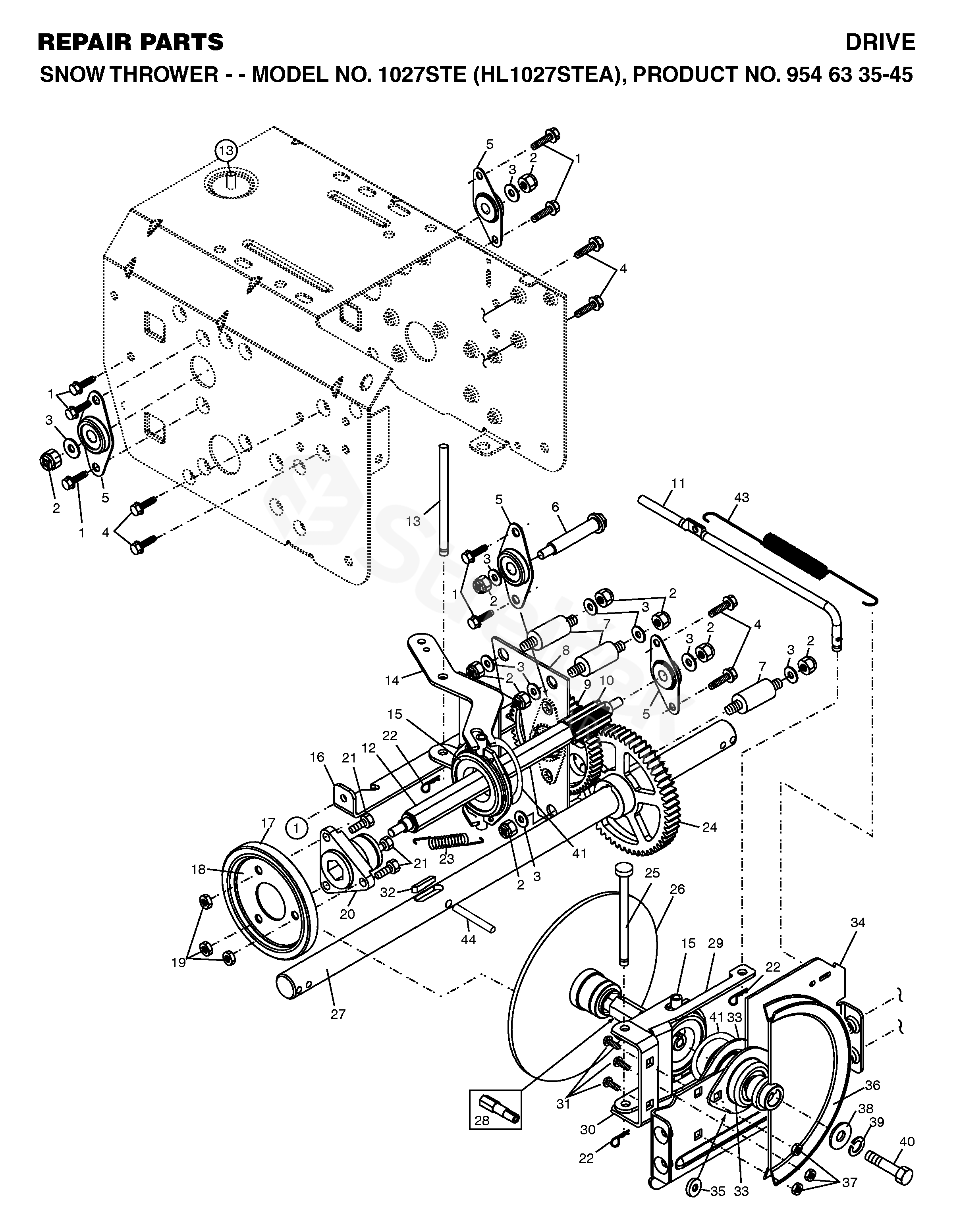
DRIVE
Back to
1027 STE
1027 STE, 10527STE, HL1027STEA, 954633545, 2004-03
DRIVE
1027 STE
1027 STE, 10527STE, HL1027STEA, 954633545, 2004-03
Hover mouse on parts list
Wheel:
Zoom, left button:
Movement
Other parts
For
1027 STE, 10527STE, HL1027STEA, 954633545, 2004-03
1
SCREW
532146315
2
BRACKET
873800500
3
CLIP
532155415
4
SCR5/16-18X1/2 SELFTAP ZN SPEC
817490508
5
BEARING
532180017
6
SHAFT
532180134
7
SPACER
532179270
8
PLATE, AUXILIARY
532184079
9
GEAR
532180082
10
GEAR
532180065
11
ROD
532187714
12
SHAFT
532180066
13
PEN
532178807
14
LEVER
532184080
15
BEARING
532175344
16
BRACKET
532187857
17
RING
532179831
18
PLATE
532184078
19
MATICE
873930500
20
HUB
532178613
21
BOLT
874760514
22
CLIP
532085179
23
SPRING
532180135
24
GEAR
532180081
25
PEN
532178695
26
PLATE ASSEMBLY, DRIVE
532175341
27
SHAFT
532179352
28
SHAFT
532175340
29
LEVER
532184077
30
BRACKET
532184076
31
BOLT
872270505
32
KEY
532178879
33
BEARING
532175323
34
PLATE, DRIVE MOUNTING
532184075
35
SPACER
532182504
36
PULLEY
532175348
37
MATICE
532155377
38
WASHER
819111507
39
PODLOŽKA
810040500
40
SCREW
874950512
41
RETAINER RING
812000012
43
SPRING
532179095
44
PIN
532184206