We deliver to more than 25 countries
info@sgarden.cz
We focus especially on spare parts, just click!
Log in
/
Registration
Sign In
E-mail:
Password:
Stay logged in
Log in
Forgot your password?
I'm new here:
register
/
Log off
EN
€
CS
EN
€
Kč
Your
CART
Awaiting fulfillment
ks
Empty cart
Order
Are you
sure
to empty your cart?
Yes, empty
I don't want to
,
,
Spare parts
Everything for your machines
Spare parts
>
Husqvarna
>
ICE AUGERS
>
1130 SBEXP 1130 SBEXP, 96195000200, 961950002, 2006-06
>
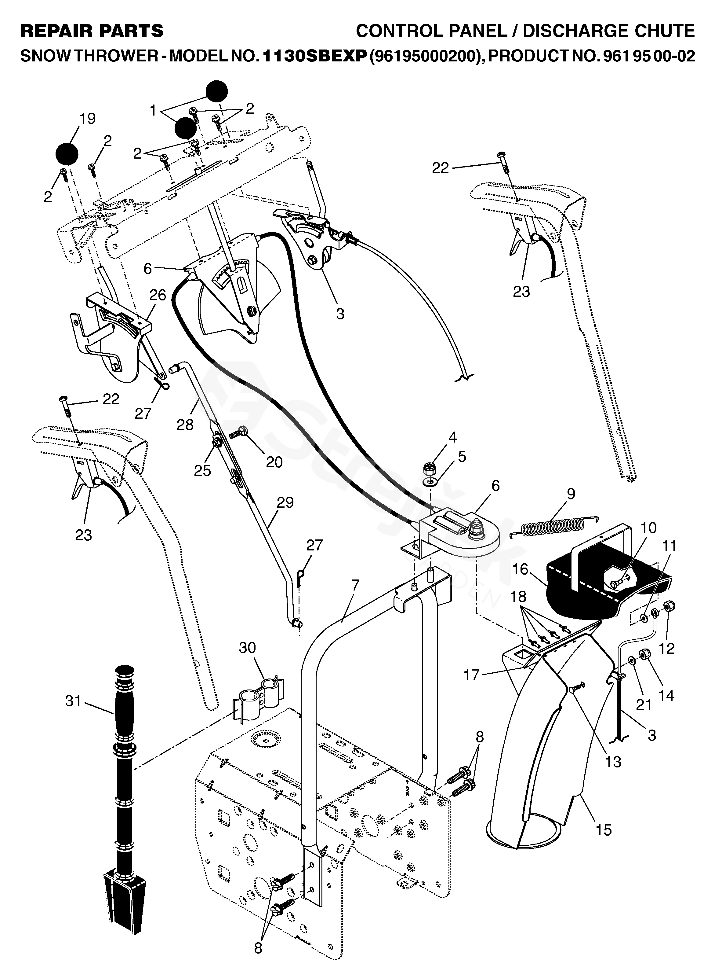
CONTROL PANEL & DISCHARGE CHUTE
Back to
1130 SBEXP
1130 SBEXP, 96195000200, 961950002, 2006-06
CONTROL PANEL & DISCHARGE CHUTE
1130 SBEXP
1130 SBEXP, 96195000200, 961950002, 2006-06
Hover mouse on parts list
Wheel:
Zoom, left button:
Movement
Other parts
For
1130 SBEXP, 96195000200, 961950002, 2006-06
1
KNOB
532183334
2
SCREW
817501010
3
CONTROL
532178674
4
NUT
873800600
5
PODLOŽKA
819131316
6
CONTROL
532178659
7
LOOP
532184089
8
SCREW
532150078
9
PRUŽINA
532184505
10
BOLT
532179829
11
SPACER
532179246
12
MATICE
873800400
13
BOLT
872250505
14
BRACKET
873800500
15
PIPE
532184112
16
DEFLECTOR
532184113
17
SEAL, DEFLECTOR
532179145
18
NÝT
532128415
19
KNOB
532183333
20
BOLT
872270506
21
CLIP
532155415
22
SCREW
874041024
23
CONTROL
532192449
25
MATICE
532155377
26
LEVER
532198875
27
PIN RETAINING SCREW
532169675
28
LEVER
532180445
29
ROD
532187716
30
HOLDER
532192710
31
TOOL.CLEAN.OUT
532192199