EN
Your CART
Awaiting fulfillment

ks
Empty cart Order
Are you
sure
to empty your cart?
Yes, empty I don't want to
Spare parts
Everything for your machines
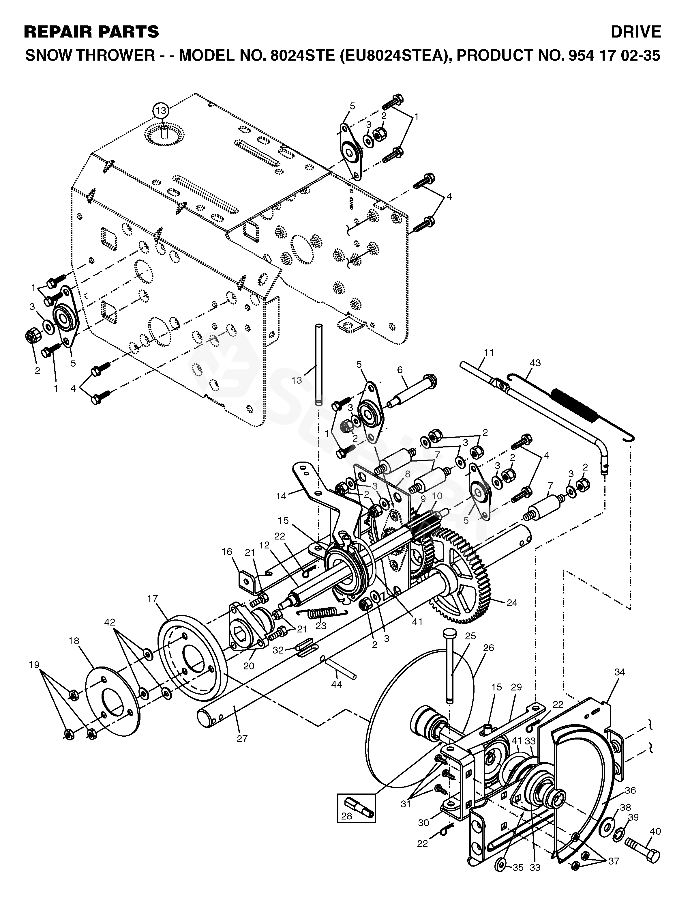
DRIVE
8024 STE 8024 STE, EU8024STEA, 954170235, 2004-09
Hover mouse on parts list
Wheel: Zoom, left button: Movement
Other parts For 8024 STE, EU8024STEA, 954170235, 2004-09
1 SCREW 532146315
2 BRACKET 873800500
3 CLIP 532155415
4 SCR5/16-18X1/2 SELFTAP ZN SPEC 817490508
5 BEARING 532180017
6 SHAFT 532180134
7 SPACER 532179270
8 PLATE 532192907
9 GEAR 532180082
10 GEAR 532180065
11 ROD 532187714
12 SHAFT 532180066
13 PEN 532178807
14 LEVER 532184080
15 BEARING 532175344
16 BRACKET 532187857
17 RING 532179831
18 PLATE 532184078
19 MATICE 873930500
20 HUB 532178613
21 BOLT 874760514
22 CLIP 532085179
23 SPRING 532180135
24 GEAR 532180081
25 PEN 532178695
26 PLATE ASSEMBLY, DRIVE 532175341
27 SHAFT 532179352
28 SHAFT 532175340
29 LEVER 532184077
30 BRACKET 532184076
31 BOLT 872270505
32 KEY 532178879
33 BEARING 532188909
34 PLATE, DRIVE MOUNTING 532184075
35 SPACER 532182504
36 PULLEY 532191080
37 MATICE 532155377
38 WASHER 819111507
39 PODLOŽKA 810040500
40 SCREW 874950512
41 RETAINER RING 812000012
42 CLIP 532155415
43 SPRING 532179095
44 PIN 532184206