We deliver to more than 25 countries
info@sgarden.cz
We focus especially on spare parts, just click!
Log in
/
Registration
Sign In
E-mail:
Password:
Stay logged in
Log in
Forgot your password?
I'm new here:
register
/
Log off
EN
€
CS
EN
€
Kč
Your
CART
Awaiting fulfillment
ks
Empty cart
Order
Are you
sure
to empty your cart?
Yes, empty
I don't want to
,
,
Spare parts
Everything for your machines
Spare parts
>
Husqvarna
>
CHAIN SAWS
>
540i XP 540i XP
>
CHAIN BRAKE
Back to
540i XP
540i XP
CHAIN BRAKE
540i XP
540i XP (967864014 - 7391736618656)
Hover mouse on parts list
Wheel:
Zoom, left button:
Movement
Other parts
For
540i XP
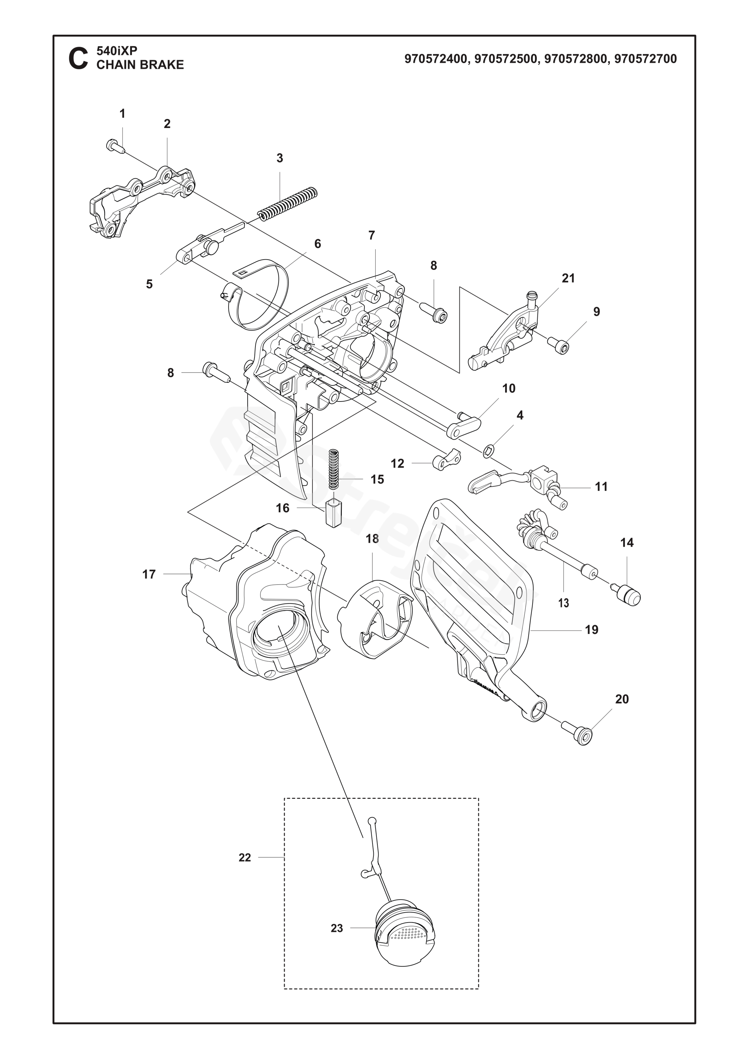
1
SCREW CITXPANT
526221801
2
COVER
593641601
3
BRAKE SPRING
595026101
4
WASHER
596302401
5
KNEE JOINT ASSY
599231901
6
BRAKE BAND
585590301
7
CHASSIS ASSY
596953601
8
SCREW ITXSCFT
573925801
9
SCREW ITXSCM
525824904
10
DRIVE LINK
593722301
11
OIL HOSE
599976901
12
CATCH
505201201
13
OIL HOSE
599976801
14
OIL PLUMMET
503967501
15
POLOHOVÁ PRUŽINA
503436501
16
SPRING GUIDE
537210701
17
OIL TANK
531344901
18
HAND GUARD
594919801
19
HAND GUARD
594919601
20
SCREW
580284201
21
OIL PUMP ASSY
544180103
22
TANK CAP ASSY
522620003
23
GASKET
589241101