We deliver to more than 25 countries
info@sgarden.cz
We focus especially on spare parts, just click!
Log in
/
Registration
Sign In
E-mail:
Password:
Stay logged in
Log in
Forgot your password?
I'm new here:
register
/
Log off
EN
€
CS
EN
€
Kč
Your
CART
Awaiting fulfillment
ks
Empty cart
Order
Are you
sure
to empty your cart?
Yes, empty
I don't want to
,
,
Spare parts
Everything for your machines
Spare parts
>
Husqvarna
>
TRACTORS/RIDE MOWERS
>
CTH150 CTH150, 96061018202, 2007-09
>
CHASSIS & ENCLOSURES
Back to
CTH150
CTH150, 96061018202, 2007-09
CHASSIS & ENCLOSURES
CTH150
CTH150, 96061018202, 2007-09
Hover mouse on parts list
Wheel:
Zoom, left button:
Movement
Other parts
For
CTH150, 96061018202, 2007-09
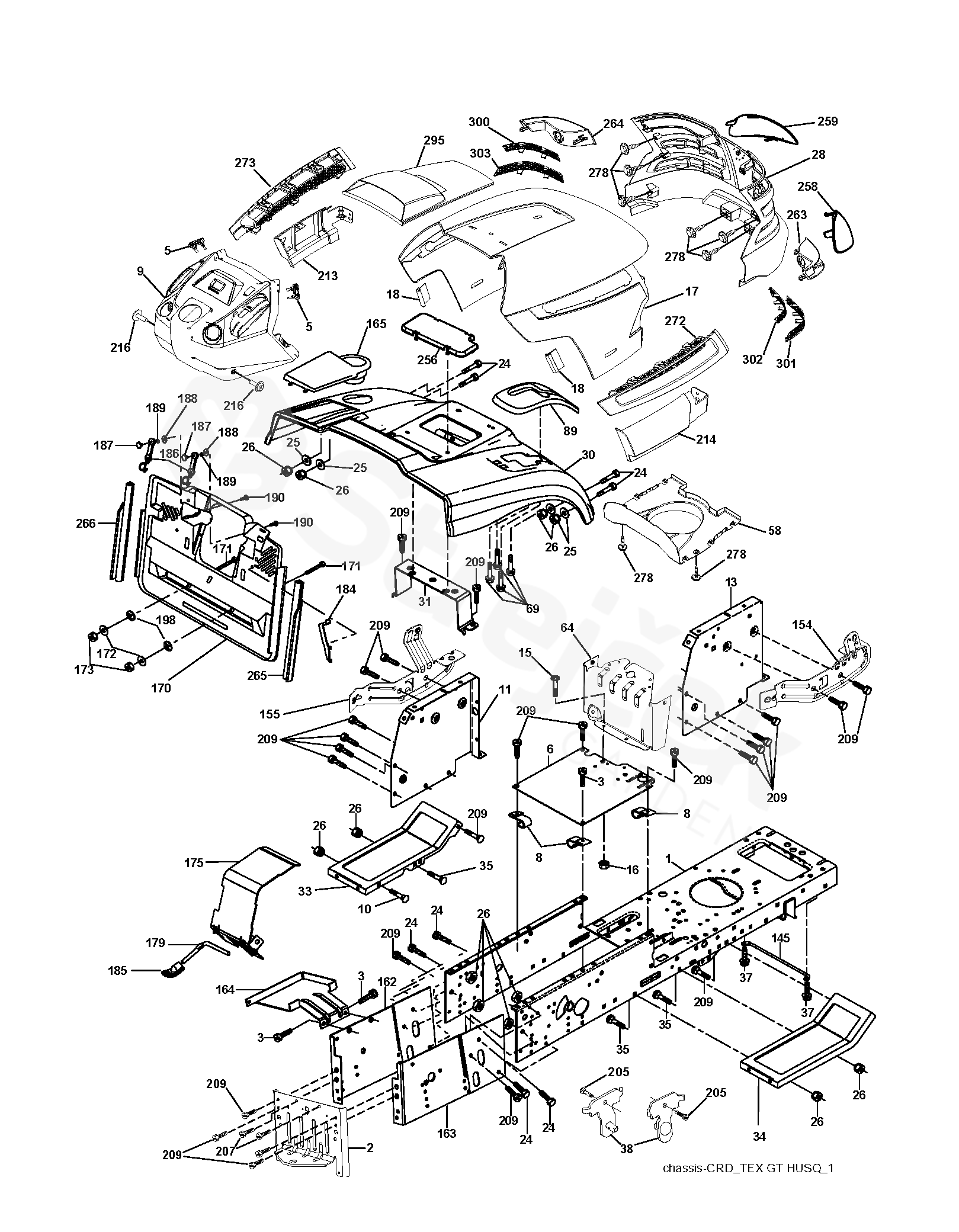
1
CHASSIS
532174620
2
DRAWBAR
532180384
3
SCREW
817060612
5
DAMPING PIECE
532407590
6
PLATE
532184419
8
CLIP
532126471
9
PANEL
532408911
10
BOLT
872140608
11
PLATE
532167203
13
PANEL
532178298
15
SCREW
874180512
16
NUT
873510500
17
HOOD
532411046
18
DAMPING PIECE
532404742
24
BOLT
874780616
25
PODLOŽKA
819131312
26
NUT
873800600
28
FRONT COVER
532408607
30
GUARD
532197376
31
BRACKET
532165156
33
FOOTREST
532181057
34
FOOTREST
532181058
35
BOLT
872110606
37
SCR5/16-18X1/2 SELFTAP ZN SPEC
817490508
38
BRACKET
532181748
58
AIR CONDUCTOR
532198514
64
PANEL
532199395
69
SCREW
532142432
89
BRACKET
532197377
145
ROD
532409167
154
BRACKET
532408690
155
BRACKET
532408691
162
BRACKET
532180382
163
BRACKET
532180383
164
SUPPORT
532165605
165
COVER
532181100
170
COVER
532199488
171
5/8-11 NUT TOP LOCK
872140620
172
WASHER
819132016
173
MATICE
873510600
175
DOOR TRAP
532188203
179
ROD PIVOT FBI
532188202
184
BRACKET
532174662
185
KNOB
532181101
186
LATCH
532160793
187
NUT
532125004
188
WASHER
819061216
189
WASHER
810071000
190
SCREW
871081010
198
PODLOŽKA
532168937
205
SCREW
817490608
207
SCREW
817670508
209
SCREW
817000612
213
LIST
532401711
214
LIST
532401709
216
SCREW
817060410
256
COVER
532181361
258
LENS
532198906
259
LENS
532198907
263
LENS
532197198
264
LENS
532197199
265
SEALING
532185704
266
SEALING
532185703
272
LIST
532403048
273
LIST
532403076
278
SCREW
532191611
295
AIR INTAKE
532400539
300
INSERT
532199131
301
INSERT
532199130
302
INSERT
532199132
303
INSERT
532199133