EN
Your CART
Awaiting fulfillment

ks
Empty cart Order
Are you
sure
to empty your cart?
Yes, empty I don't want to
Spare parts
Everything for your machines
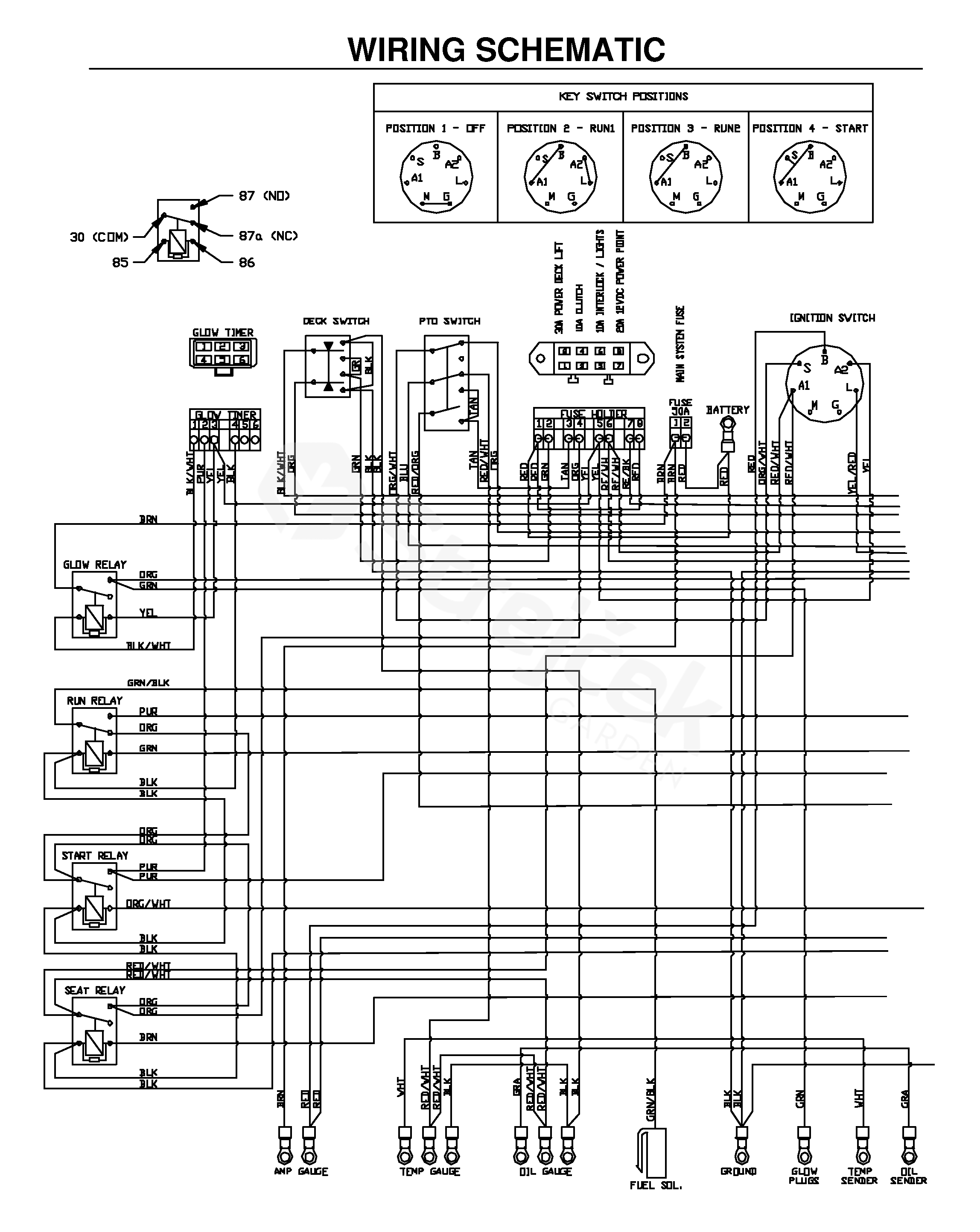
SCHEMATIC
BZ 27 BZ 27 C, 968999315, 2006-04
Hover mouse on parts list
Wheel: Zoom, left button: Movement
Other parts For BZ 27 C, 968999315, 2006-04