We deliver to more than 25 countries
info@sgarden.cz
We focus especially on spare parts, just click!
Log in
/
Registration
Sign In
E-mail:
Password:
Stay logged in
Log in
Forgot your password?
I'm new here:
register
/
Log off
EN
€
CS
EN
€
Kč
Your
CART
Awaiting fulfillment
ks
Empty cart
Order
Are you
sure
to empty your cart?
Yes, empty
I don't want to
,
,
Spare parts
Everything for your machines
Spare parts
>
McCULLOCH
>
Cultivators
>
MFT 60-120R MFT60-120R, 966649501, 2013-05
>
PRODUCT COMPLETE
Back to
MFT 60-120R
MFT60-120R, 966649501, 2013-05
PRODUCT COMPLETE
MFT 60-120R
MFT60-120R, 966649501, 2013-05
Hover mouse on parts list
Wheel:
Zoom, left button:
Movement
Other parts
For
MFT60-120R, 966649501, 2013-05
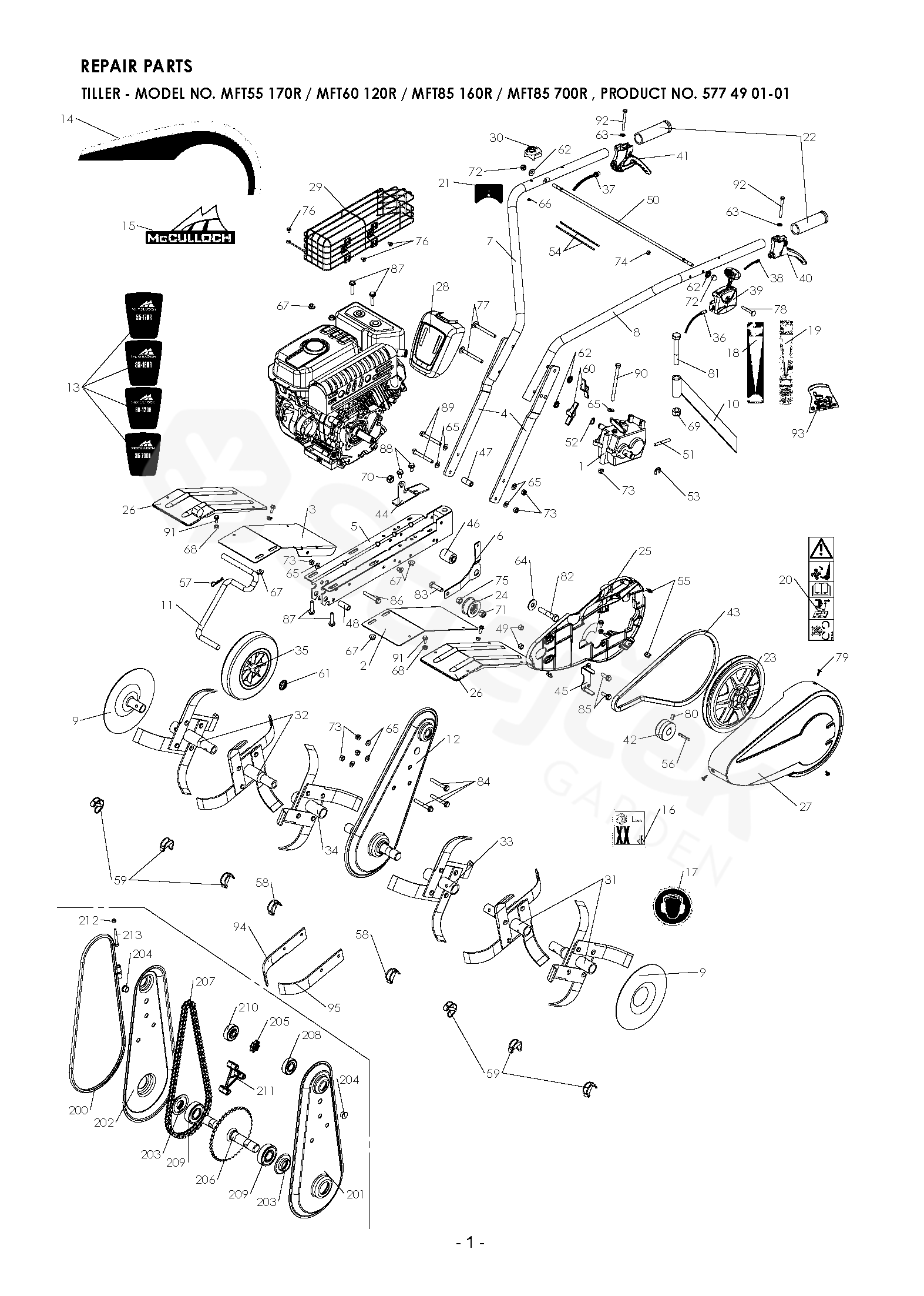
1
GEARBOX
585365001
2
GUARD
577487901
3
GUARD
577487801
4
HANDLEBAR
577487501
5
FRAME
577487401
6
PLATE
577453301
7
HANDLEBAR
577487701
8
HANDLEBAR
577487601
9
COVER
519653362
10
TAIL-SKID
531008206
11
WHEEL
577448001
12
TRANSMISSION
575358701
13
STICKER
MFT55-170R
577489501
14
STICKER
577489401
15
STICKER
577489301
16
LABEL
Engine: GX120
501962501
17
STICKER
577463301
18
DECAL
Engine: 750 SERIES
519646680
19
DECAL
Engine: LC170/GX
531008251
20
DECAL
531008540
21
LABEL
Engine: LC170/GX
501963701
22
GRIP
544311401
23
PULLEY
519653060
24
PULLEY
519653457
25
COVER PLATE
577524801
26
GUARD
577488501
27
BELT COVER
577488701
28
BRACKET
577489001
29
GRILL
Engine: GX
531009418
30
SWITCH
Engine: LC170
577517701
31
TINE
531008214
32
TINE
531008215
33
BLADE
531008211
34
BLADE
531008213
35
WHEEL
577447801
36
THROTTLE CABLE
577525001
37
CABLE
577463701
38
CABLE
501005301
39
THROTTLE LEVER
577453001
40
GEARSHIFT LEVER
501005201
41
LEVER
577463601
42
PULLEY
544243901
43
BELT
575360201
44
CLUTCH LEVER
577525101
45
BELT GUIDE
531008577
46
SPACER
577453401
47
SPACER
575360901
48
SPACER
575361001
49
SPACER
531008216
50
HANDLEBAR
577452401
51
SHAFT
519653067
52
CIRCLIP
585365201
53
RETAINER RING
580314201
54
COLLAR
544311101
55
CLIP
519653425
56
KEY
519653021
57
PIN RETAINING SCREW
519651220
58
CLIP
577453601
59
CLIP
577453501
60
WING NUT
531008462
61
WASHER
577463101
62
WASHER
544314901
63
WASHER
531009403
64
WASHER
577453901
65
WASHER
544208101
66
WASHER
531008539
67
NUT
519653430
68
NUT
519653432
69
NUT
531008578
70
ECROU DE FREIN
752255051
71
NUT
519653458
72
CAP NUT
577489101
73
NUT
544207901
74
HEXAGON LOCKING NUT
732261601
75
NUT
519653456
76
SCREW
Engine: GX
585365401
77
SCREW
575361301
78
SCREW
577453801
79
SCREW
519653426
80
SCREW
728692300
81
BOLT
531008220
82
SCREW
505026601
83
SCREW
519653455
84
BOLT
573943101
85
SCREW
Engine: GX
519653412
86
SCREW
575361601
87
SCREW
544207301
88
BOLT
531008202
89
SCREW
575361701
90
SCREW
519653045
91
SCREW
519653435
92
SCREW
519653113
93
BAG
577463201
94
BLADE
519653447
95
BLADE
519653448
200
FLANGE
577490401
201
HOUSING
519653042
202
HOUSING
519653041
203
RING
531008576
204
PLUG
519653391
205
PINION
519653057
206
ŘETĚZKA
519653007
207
CHAIN
575362301
208
BALL
505544001
209
BEARING
519653053
210
RING
531008546
211
SPACER
585365501
212
HEXAGON LOCKING NUT
732261601
213
SCREW
501963801