We deliver to more than 25 countries
info@sgarden.cz
We focus especially on spare parts, just click!
Log in
/
Registration
Sign In
E-mail:
Password:
Stay logged in
Log in
Forgot your password?
I'm new here:
register
/
Log off
EN
€
CS
EN
€
Kč
Your
CART
Awaiting fulfillment
ks
Empty cart
Order
Are you
sure
to empty your cart?
Yes, empty
I don't want to
,
,
Spare parts
Everything for your machines
Spare parts
>
Partner
>
LAWN MOWERS: CONSUMER WALK-BEHINDS
>
PP5051 CMDE PP5051 CMDE, 96141013001, 2007-04
>
DRIVE
Back to
PP5051 CMDE
PP5051 CMDE, 96141013001, 2007-04
DRIVE
PP5051 CMDE
PP5051 CMDE, 96141013001, 2007-04
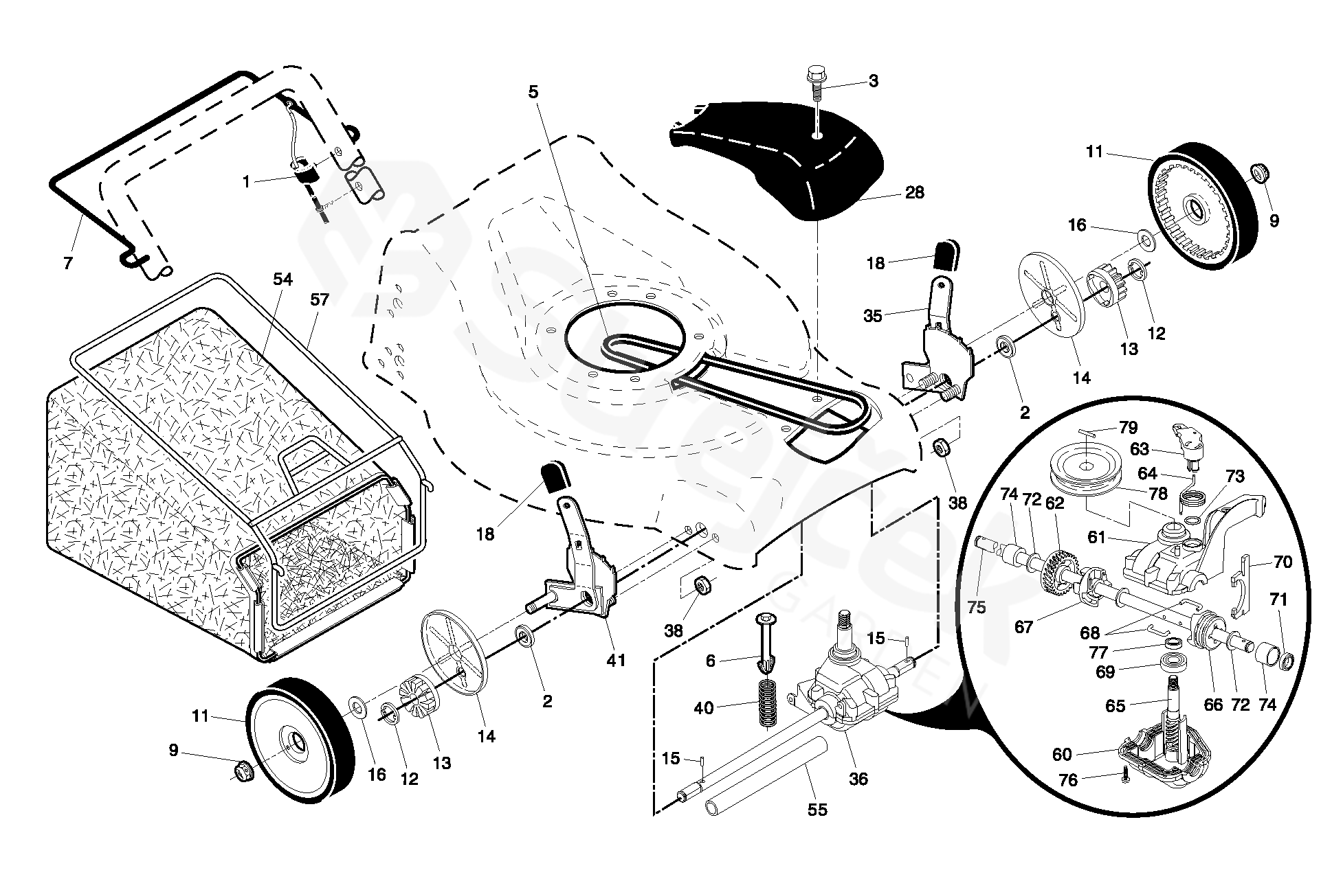
Hover mouse on parts list
Wheel:
Zoom, left button:
Movement
Other parts
For
PP5051 CMDE, 96141013001, 2007-04
1
CONTROL
532194653
2
BEARING
532191039
3
PAN HEAD TAPPING SCREW
532175262
5
V-BELT
532175436
6
PIN RETAINING SCREW
532150495
7
BAR
532198453
9
MATICE
532083923
11
WHEEL
532198088
12
E-CLIP
812000058
13
PINION
532750003
14
DUST COVER
532189403
15
PAWL, DRIVE
532191017
16
PODLOŽKA
532067725
18
KNOB
532087877
28
COVER
532181468
35
ADJUSTER
532195110
36
GEARBOX
532199205
38
MATICE
873800400
40
PRUŽINA
532137090
41
ADJUSTER
532195107
54
BAG
532400559
55
DRIVESHAFT COVER
532175739
57
FRAME
532194643
60
CASE
532183497
61
HOUSING
532183498
62
GEAR
532183499
63
LEVER
532183500
64
SPRING
532183501
65
SHAFT
532183502
66
DOG, MOVABLE
532183503
67
DOG, FIXED
532183504
68
WIRE, FORMED
532183505
69
BALL BEARING
532183506
70
FORK
532183507
71
SEAL, OUTPUT SHAFT
532183508
72
PODLOŽKA
532183509
73
SEAL, CASE
532183510
74
BUSHING
532183511
75
SHAFT
532196613
76
SCREW
532183513
77
SEAL, INPUT SHAFT
532183514
78
PULLEY
532199852
79
PEN
532199419