We deliver to more than 25 countries
info@sgarden.cz
We focus especially on spare parts, just click!
Log in
/
Registration
Sign In
E-mail:
Password:
Stay logged in
Log in
Forgot your password?
I'm new here:
register
/
Log off
EN
€
CS
EN
€
Kč
Your
CART
Awaiting fulfillment
ks
Empty cart
Order
Are you
sure
to empty your cart?
Yes, empty
I don't want to
,
,
Spare parts
Everything for your machines
Spare parts
>
Poulan
>
TRACTORS/RIDE MOWERS
>
DB27H48YT DB27H48YT, 96012003400, 2005-01
>
DRIVE
Back to
DB27H48YT
DB27H48YT, 96012003400, 2005-01
DRIVE
DB27H48YT
DB27H48YT, 96012003400, 2005-01
Hover mouse on parts list
Wheel:
Zoom, left button:
Movement
Other parts
For
DB27H48YT, 96012003400, 2005-01
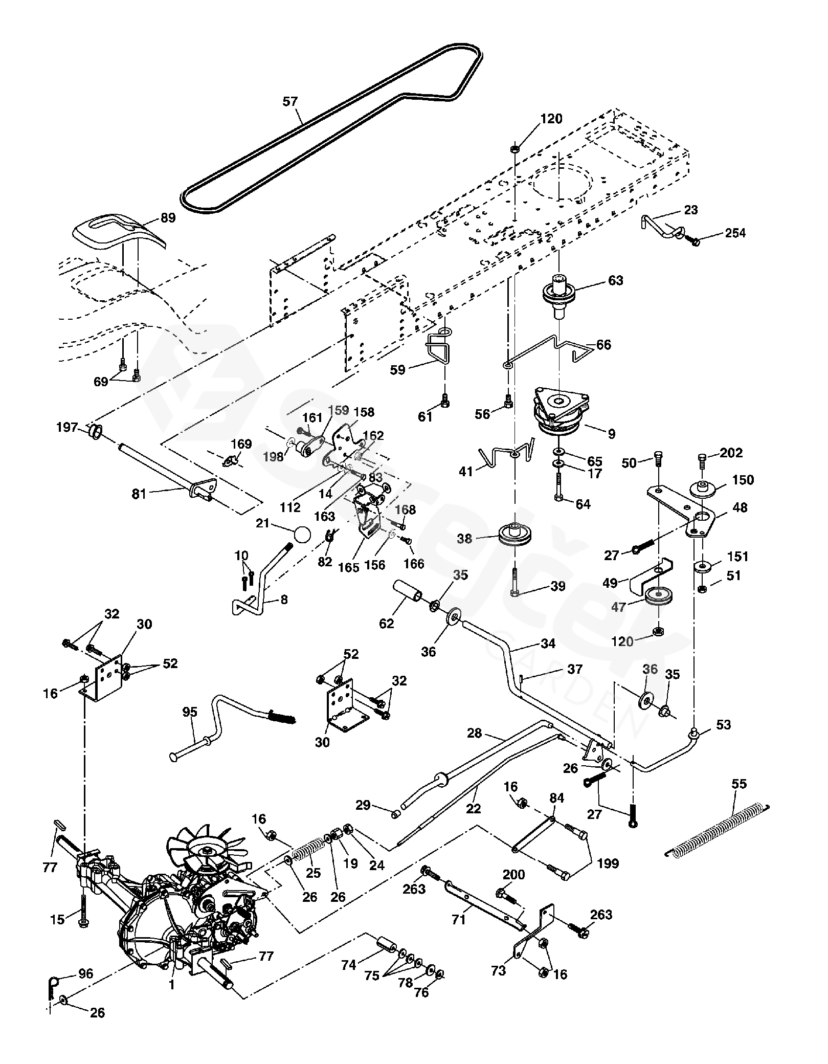
8
ROD SHIFT
532192502
9
CLUTCH ELEC.
532179334
10
SPLIT PIN
876020416
14
WASHER
810040400
15
BOLT
874490544
16
BRACKET
873800500
17
WASHER
532126197
19
NUT
532062336
21
BOULE DE LEVIER DE VITESSE
532106279
22
ROD
532169498
23
BRACKET
532190736
24
NUT
873350600
25
SPRING
532106888
26
PODLOŽKA
819131316
27
SPLIT PIN
876020412
28
SHAFT
532175765
29
COVER
532071673
30
BRACKET
532169592
32
BOLT
874760512
34
SHAFT
532175578
35
BEARING
532120183
36
WASHER
819211616
37
GOUPILLE NPCREMP:532002882*
532001572
38
PULLEY
532179114
39
BOLT
872110622
41
BELT GUIDE
532175556
47
PULLEY
532127783
48
GUIDE
532154407
49
BELT GUIDE
532123205
50
BOLT
872110612
51
MATICE
873680600
52
MATICE
873680500
53
LINK
532105710
55
PRUŽINA
532105709
56
SCREW
817060620
57
BELT
532140294
59
BELT GUIDE
532169691
61
SCREW
817120614
62
PEDAL RUBBER
532123533
63
PULLEY
174607
532174607
64
BOLT
532173937
65
WASHER
810040700
66
TENSIONER
532154778
69
SCREW
532142432
71
ROD
532169183
73
BRACKET
532169182
74
ROZPĚRKA
532137057
75
WASHER
532121749
76
RETAINER RING
812000001
77
KEY
532123583
78
PODLOŽKA
532121748
81
SHAFT
532165596
82
SPRING
532165711
83
WASHER
819171216
84
LINK
532169594
89
CONSOLE.SHIFT.STL.AUTO.BLK 192387X428
192387X428
192387X428
95
CONTROL
532170201
96
CLIP
532004497
112
WASHER
819091210
120
MATICE
873900600
150
SPACER
532175456
151
PODLOŽKA
819133210
156
WASHER
532166002
158
BRACKET
532165589
159
LEVER
532183900
161
1/4-20X3/4 CARR BLT
872140406
162
NUT
873680400
163
BOLT
874780416
165
BRACKET
532165623
166
SCREW
817490510
168
BOLT
532165492
169
RETAINER
532165580
197
SLEEVE
532169613
198
WASHER
532169593
199
SCREW
532169612
200
BOLT
872140508
202
BOLT
872110614
254
SCREW
817000616
263
SCREW
817000612