EN
Your CART
Awaiting fulfillment

ks
Empty cart Order
Are you
sure
to empty your cart?
Yes, empty I don't want to
Spare parts
Everything for your machines
MOWER DECK / CUTTING DECK
PD15538LT PD15538LT, 96012003801, 2005-01
Hover mouse on parts list
Wheel: Zoom, left button: Movement
Other parts For PD15538LT, 96012003801, 2005-01
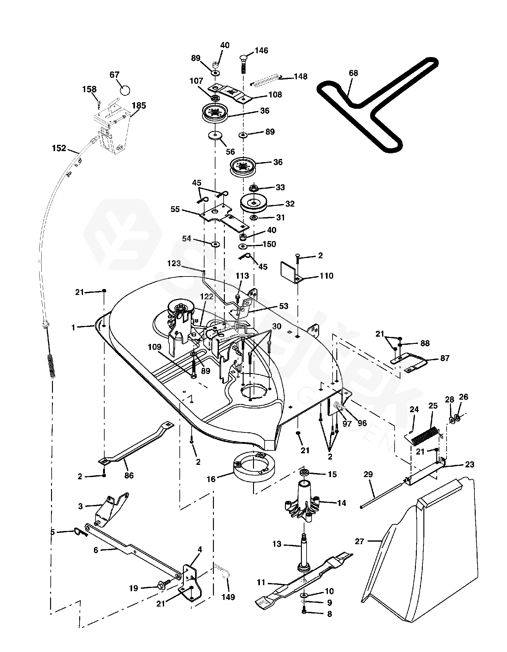
1 MOWER HOUSING ASSEMBLY 532170280
2 BOLT 872140506
3 BRACKE 532138017
4 BRACKET DECK SWAY BAR 532169970
5 SPRING 532004939
6 LEVER 532178024
8 BOLT 532850857
9 PODLOŽKA 810030600
10 PODLOŽKA 532140296
11 BLADE 532127842
13 SHAFT 532137645
14 BEARING HOUSING 532128774
15 BEARING 532110485
16 STRIPPER. MANDREL.BLACK 532174493
19 SPEC. BOLT 532132827
21 MATICE 873680500
23 BRACKET 532137607
24 HUB CAP 532105304
25 SPRING 532106734
26 MATICE 532110452
27 SHILED.DEFLECTOR.MOWER.38.BLK 106736X428
106736X428
106736X428
28 WASHER 819111016
29 ROD 532106735
30 SCREW 532173984
31 PODLOŽKA 532187690
32 PULLEY 532153532
33 NUT 532178342
36 PULLEY 532104360
40 MATICE 873680600
45 CLIP 532004497
53 BRAKE LEVER 532130840
54 PODLOŽKA 532178515
55 LEVER 532133840
56 SPACER 532165723
67 KNOB 532106932
68 BELT 532144200
86 RUNNER 532007631
87 RUNNER R.H. LT12/38 532008417
88 PODLOŽKA 819111216
89 WASHER 819131311
96 BOLT 874930620
97 NUT 532005394
107 SPACER 532133502
108 LEVER 532133503
109 BOLT 874760640
110 UPSTOP DECK FRONT 38" 532142587
113 SCREW 817060512
122 BRAKE LEVER 532131289
123 ROD 532169971
146 BOLT 532165891
148 SPRING 532169022
149 SPRING 532165898
150 WASHER 819091210
152 CLUTCH CABLE 38"/46" 532172758
158 SCREW 817240408
185 HEAD ASM. CABLE CLUTCH 532188234
DECK SHELL 532170317