Doručujeme do více než 25 zemí
info@sgarden.cz
Zaměřujeme se zvláště na náhradní díly, stačí kliknout
Přihlášení
/
Registrace
Přihlaste se
E-mail:
Heslo:
Zůstat přihlášen
Přihlásit se
Zapomenuté heslo?
Jsem tu nový:
registrovat
/
Odhlášení
CZ
€
CS
EN
€
Kč
Váš
KOŠÍK
čeká na naplnění
ks
Vysypat košík
Objednat
Opravdu
chcete
aby zůstal prázdný?
Ano, vysypat
Nechci
,
,
Náhradní díly
vše pro vaše stroje
Náhradní díly
>
STIGA
>
Ridery
>
PARK COMPACT 16 4WD PARK COMPACT 16 4WD (2007) [13-6104-48]
>
PŘEVODY
zpět na
PARK COMPACT 16 4WD
PARK COMPACT 16 4WD (2007) [13-6104-48]
PŘEVODY
PARK COMPACT 16 4WD
PARK COMPACT 16 4WD (2007) [13-6104-48]
Najeďte myší na rozkres
kolečko:
přiblížení, levé tlačítko:
pohyb
Další díly
pro
PARK COMPACT 16 4WD (2007) [13-6104-48]
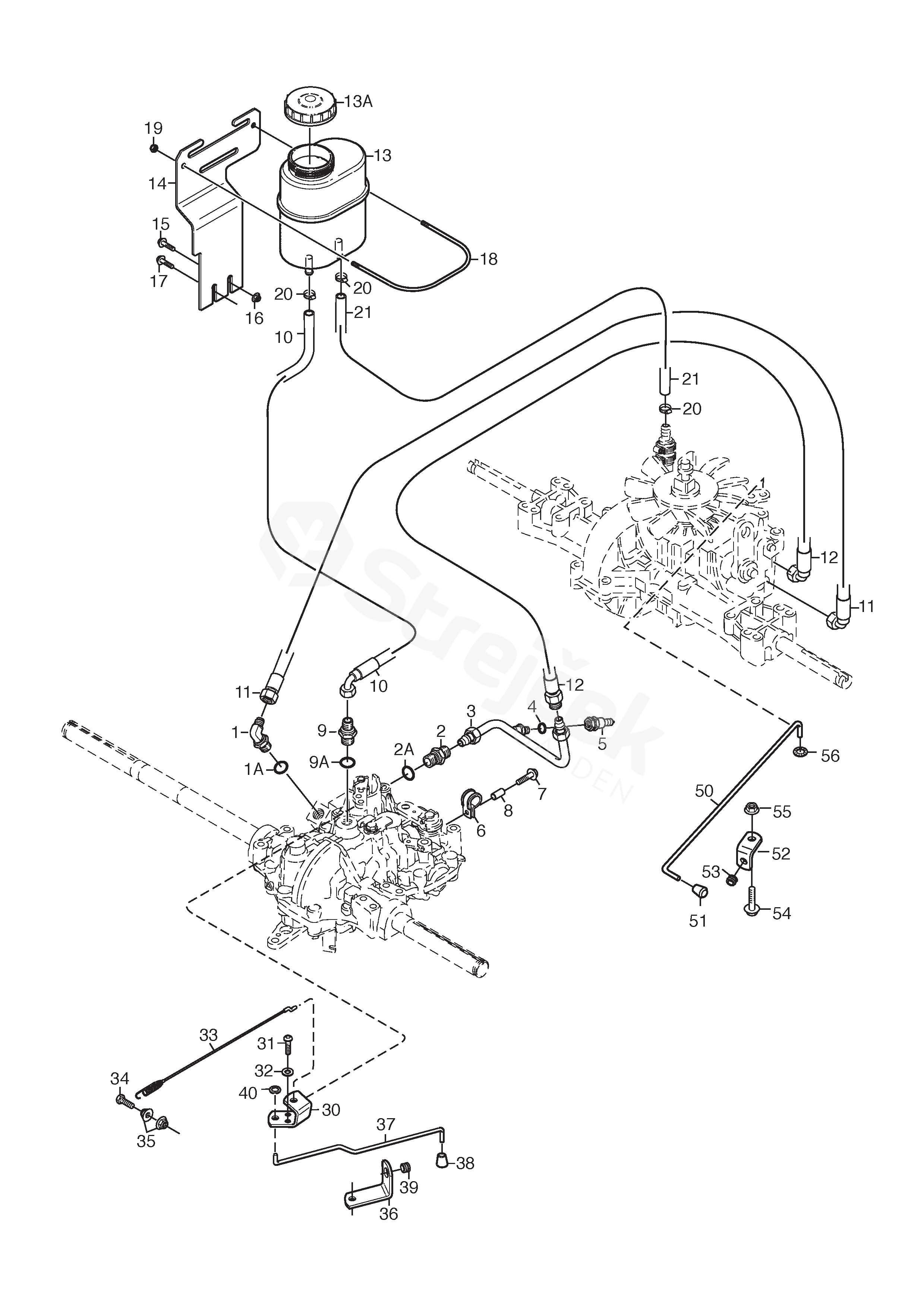
1
Hydraulická úhlová spojka
3/4,4%; x 9/16
1134-6044-01
2
Hydraulická spojka
3/4
1134-5875-01
3
Hydraulická trubka Sestava
1134-6039-01
4
PODLOŽKA
1/4
1134-4948-01
5
Rychlá spojka-muž
1134-6042-01
6
Trubková svorka
9578-0028-01
7
ŠROUB
9959-0825-16
8
ROZPĚRKA
1134-1565-09
9
Hydraulická spojka
3/4,4%; x 9/16
1134-5809-01
10
Hydraulická trubka
1134-5758-01
11
HYDRAULICKÁ HADICE
1134-6048-01
12
HYDRAULICKÁ HADICE
1134-6043-01
13
Nádrž na hydraulický olej Sestava
1134-6011-01
14
Nádrž Uložení
1134-6009-01
15
ŠROUB
9959-0820-16
16
MATICE
9739-0831-22
17
ŠROUB
9945-0816-16
18
Nádržová smyčka
1134-6030-01
19
Matice
9747-0631-02
20
HADICOVÁ SVĚRKA
9578-0023-04
21
TRUBKA
L = 165 mm
1134-2779-08
30
DRŽÁK
1134-6162-01
31
ŠROUB
9939-0612-16
32
PODLOŽKA
9699-0025-02
33
LANKO
1134-6163-01
34
ŠROUB
9997-0835-12
36
Ovládací Uložení
1134-6084-01
37
CONTROL ROD
1134-6083-01
38
KONFLÍK
1134-4014-01
39
Ochrana kabelů
1134-2790-01
40
STARLOCK
9675-0009-02
50
TAŽNÁ TYČ
1134-4015-01
52
ŠIKMÁ VZPĚRA
1134-4713-01
54
ŠROUB
9959-0816-16
13A
Víko-hydraulická olejová nádrž
1134-5965-01
1A
O-KROUŽEK
9404-0029-01