Doručujeme do více než 25 zemí
info@sgarden.cz
Zaměřujeme se zvláště na náhradní díly, stačí kliknout
Přihlášení
/
Registrace
Přihlaste se
E-mail:
Heslo:
Zůstat přihlášen
Přihlásit se
Zapomenuté heslo?
Jsem tu nový:
registrovat
/
Odhlášení
CZ
€
CS
EN
€
Kč
Váš
KOŠÍK
čeká na naplnění
ks
Vysypat košík
Objednat
Opravdu
chcete
aby zůstal prázdný?
Ano, vysypat
Nechci
,
,
Náhradní díly
vše pro vaše stroje
Náhradní díly
>
STIGA
>
Ridery
>
DECK READY/VILLA 85 M DECK READY/VILLA 85 M (2004)
>
OVLÁDACÍ PRVKY
zpět na
DECK READY/VILLA 85 M
DECK READY/VILLA 85 M (2004)
OVLÁDACÍ PRVKY
DECK READY/VILLA 85 M
DECK READY/VILLA 85 M (2004)
Najeďte myší na rozkres
kolečko:
přiblížení, levé tlačítko:
pohyb
Další díly
pro
DECK READY/VILLA 85 M (2004)
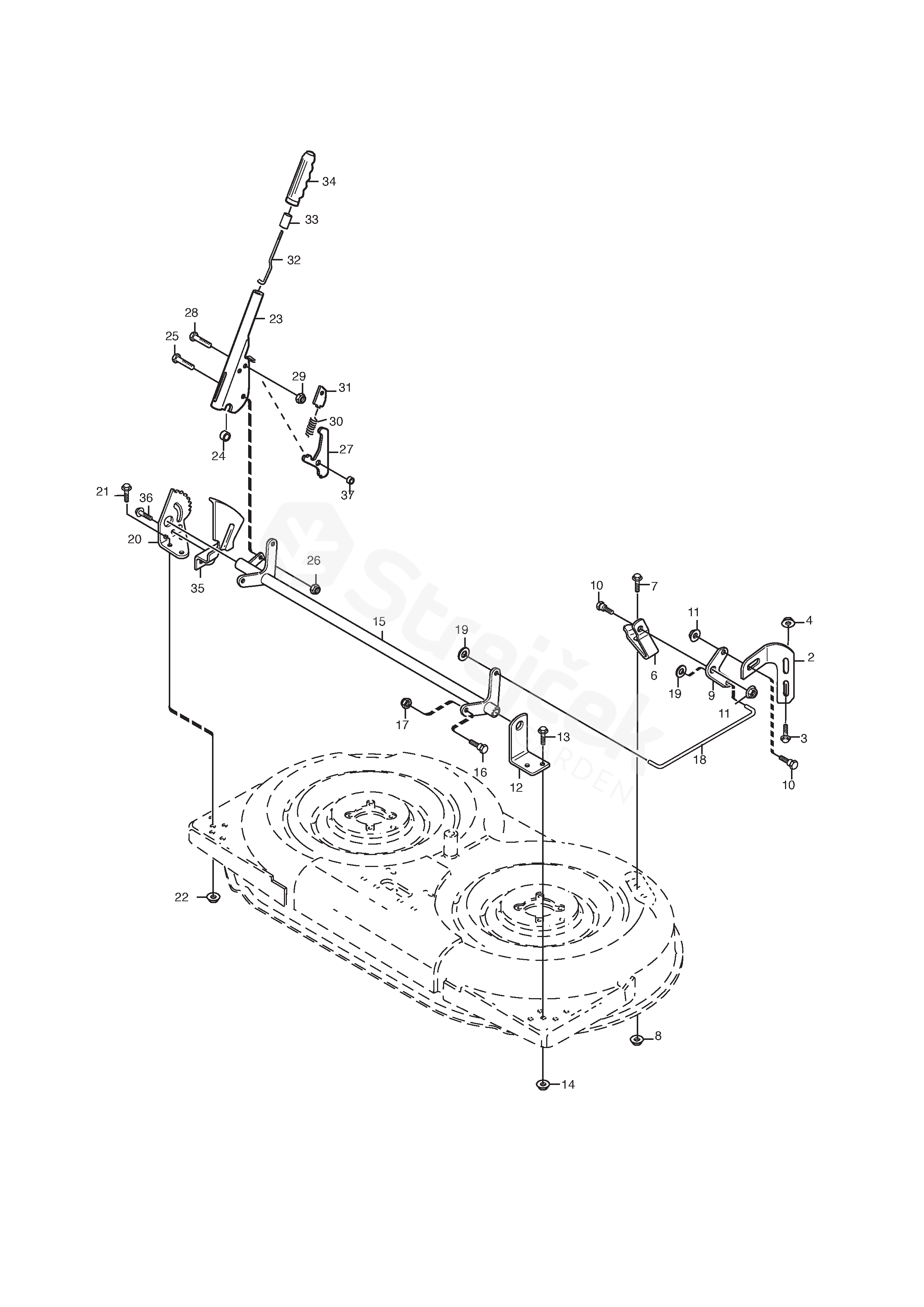
2
Nastavení držáku-Rh
Ej nemocný/ne nemocný.
1134-3015-01
6
Držák-Rh
Ej nemocný/ne nemocný.
1134-5056-01
9
Otočná deska
1134-2907-03
10
ŠROUB
1134-0240-00
11
MATICE
9747-0831-02
12
DRŽÁK
1134-2411-01
13
ŠROUB
9959-0820-16
14
MATICE
9739-0831-22
15
HRÍDEL
1134-3013-01
18
TYČ
1134-1833-02
19
Pojistná podložka
9675-0012-02
20
Deska pro nastavení výšky
1134-3011-01
23
Páka nastavení výšky
Inkl. 27 - 34, 37.
1134-5215-01
24
ROZPĚRKA
1134-2427-01
25
ŠROUB
9997-0825-16
27
Zajišťovací kvadrant
1134-3010-01
28
ŠROUB
9997-0620-16
29
Matice
9747-0631-02
30
PRUŽINA
1134-3262-01
31
Uzamykací klíč
1134-3009-01
32
CONTROL ROD
1134-3041-01
33
Zajišťovací knoflík
1134-3051-01
34
RUKOJEŤ
9406-0006-00
35
Deska pro nastavení výšky
1134-3026-02
36
ŠROUB
9945-0816-16
37
ROZPĚRKA
1134-5114-01