Doručujeme do více než 25 zemí
info@sgarden.cz
Zaměřujeme se zvláště na náhradní díly, stačí kliknout
Přihlášení
/
Registrace
Přihlaste se
E-mail:
Heslo:
Zůstat přihlášen
Přihlásit se
Zapomenuté heslo?
Jsem tu nový:
registrovat
/
Odhlášení
CZ
€
CS
EN
€
Kč
Váš
KOŠÍK
čeká na naplnění
ks
Vysypat košík
Objednat
Opravdu
chcete
aby zůstal prázdný?
Ano, vysypat
Nechci
,
,
Náhradní díly
vše pro vaše stroje
Náhradní díly
>
STIGA
>
Traktory
>
GARDEN COMBI GARDEN COMBI (2001)
>
Řízení podvozku
zpět na
GARDEN COMBI
GARDEN COMBI (2001)
Řízení podvozku
GARDEN COMBI
GARDEN COMBI (2001)
Najeďte myší na rozkres
kolečko:
přiblížení, levé tlačítko:
pohyb
Další díly
pro
GARDEN COMBI (2001)
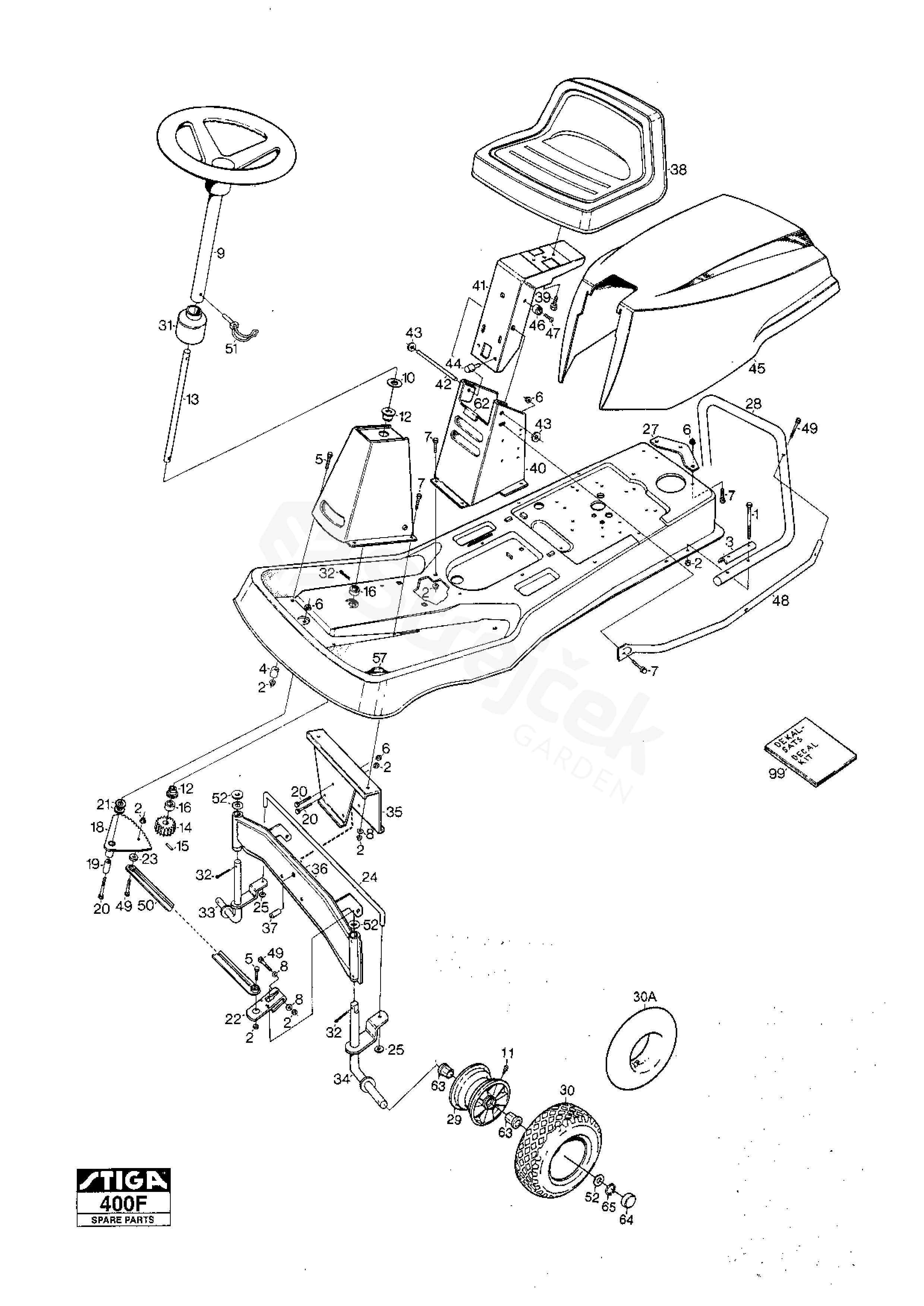
1
ŠROUB
9997-0890-12
2
MATICE
9747-0831-02
3
Trubková deska
1134-3165-01
4
ROZPĚRKA
1134-3113-01
5
ŠROUB
9997-0830-16
6
MATICE
9739-0831-22
7
ŠROUB
9997-0820-16
8
PODLOŽKA
9699-0090-02
9
VOLANT
1134-3192-01
10
PODLOŽKA
0,5 mm
1134-0341-02
11
Ventil Sestava.
9545-0500-00
12
LOŽISKO
Sats 4 st/kit 4
1134-9024-01
13
SLOUPEK ŘÍZENÍ
1134-3190-01
14
ŘETĚZKA
1134-3086-01
15
Vyhledání pinu
9595-0258-00
16
ROZPĚRKA
1134-3162-01
18
Ozubený segment
1134-3080-02
19
ROZPĚRKA
1134-1565-01
20
ŠROUB
9997-0855-12
21
PODLOŽKA
9699-0056-02
22
Rameno řízení
1134-3115-01
23
ROZPĚRKA
1134-3113-01
24
ŘÍDÍCÍ TYČ
1134-2096-02
25
STARLOCK
9675-0015-02
27
Tažné oko
1134-1774-01
28
BUMPER
1134-3140-01
29
Ráfek žlutý
1134-4343-02
30
PNEUMATIKA
11 x 4,00 - 4
9545-0114-00
31
Pouzdro na řízení tyče
1134-3166-01
32
COTTER PIN
9599-0080-02
33
Vřeteno R.H.
1134-4418-01
34
Vřeteno L.H.
1134-4420-01
35
Držák přední nápravy
1134-3107-01
36
Přední AXLE
1134-3151-01
37
Distanční trubka
1134-3155-01
38
SEDADLO
1134-3238-01
39
ŠROUB
9988-3919-16
40
Držák sedadla (žlutý)
1134-3135-01
41
Opěrka sedadel
1134-3138-01
42
CONTROL ROD
1134-0022-00
43
STARLOCK
9675-0017-02
44
PRUŽINA
1134-3134-01
45
Kapota motoru žlutá
1134-3091-01
46
KNOFLÍK
1134-3163-01
47
ŠROUB
9849-8013-16
48
TUBING
1134-3139-01
49
ŠROUB
9997-0845-12
50
ŘÍDÍCÍ TYČ
1134-3247-01
51
Zamykání klipu
1134-3167-01
52
PODLOŽKA
1134-0341-01
57
Podlahová rohož
1134-3537-02
62
TRIM
1134-3281-01
63
LOŽISKO
Sats 4 st/kit 4
1134-9024-01
64
Kryt náboje černý
1134-4344-01
65
POJISTNÝ KROUŽEK
9650-0020-04
99
Sada štítků
1134-3922-01
57A
Podlahová mat-R.H.
1134-3149-02