Doručujeme do více než 25 zemí
info@sgarden.cz
Zaměřujeme se zvláště na náhradní díly, stačí kliknout
Přihlášení
/
Registrace
Přihlaste se
E-mail:
Heslo:
Zůstat přihlášen
Přihlásit se
Zapomenuté heslo?
Jsem tu nový:
registrovat
/
Odhlášení
CZ
€
CS
EN
€
Kč
Váš
KOŠÍK
čeká na naplnění
ks
Vysypat košík
Objednat
Opravdu
chcete
aby zůstal prázdný?
Ano, vysypat
Nechci
,
,
Náhradní díly
vše pro vaše stroje
Náhradní díly
>
STIGA
>
Traktory
>
ESTATE 5092 HW ESTATE 5092 HW (2019) [2T0430681/ST1]
>
Šasi High End
zpět na
ESTATE 5092 HW
ESTATE 5092 HW (2019) [2T0430681/ST1]
Šasi High End
ESTATE 5092 HW
ESTATE 5092 HW (2019) [2T0430681/ST1]
Najeďte myší na rozkres
kolečko:
přiblížení, levé tlačítko:
pohyb
Další díly
pro
ESTATE 5092 HW (2019) [2T0430681/ST1]
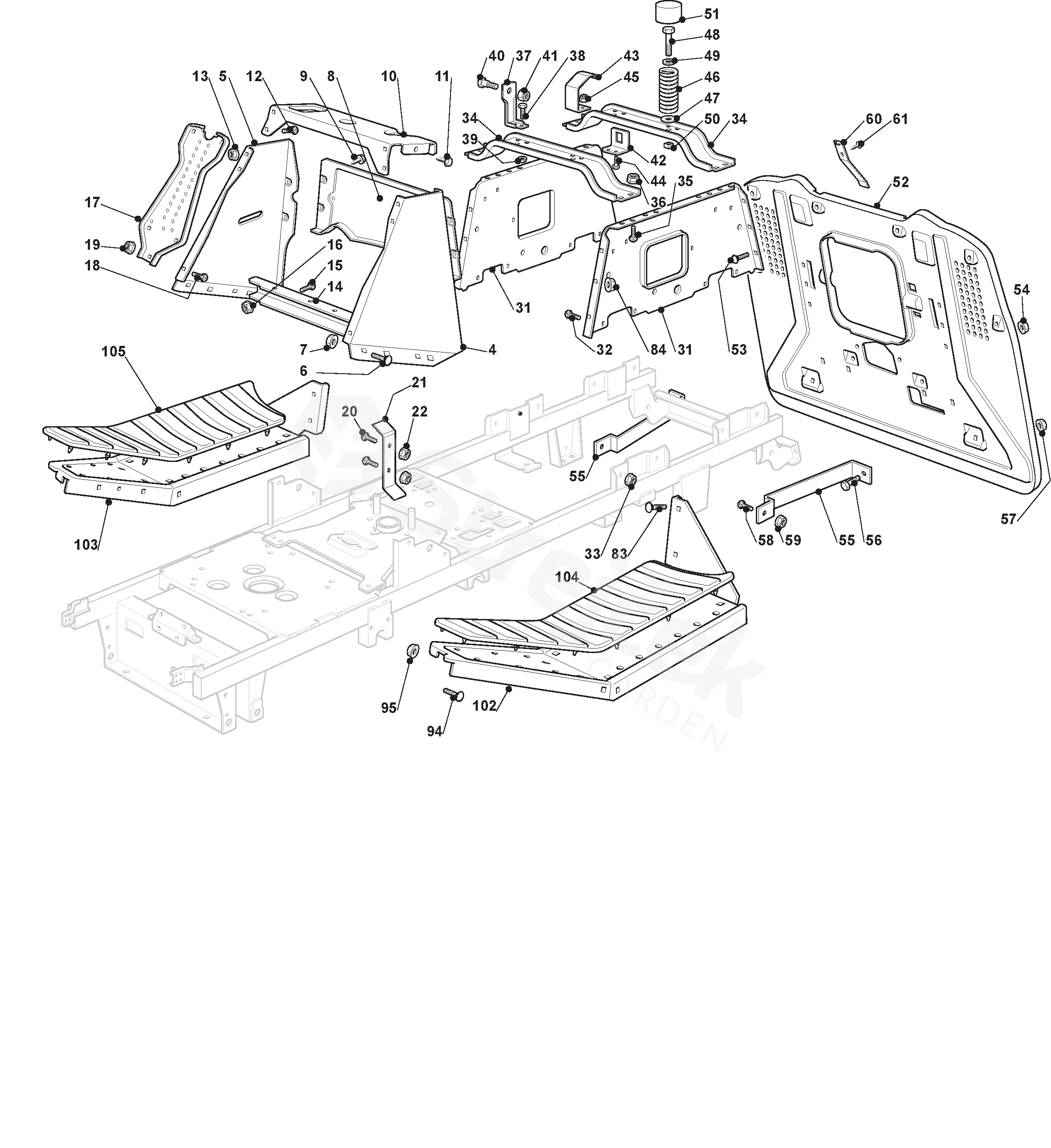
4
Podpora levého řídicího panelu
325785243/1
5
Podpora pravého řídicího panelu
325785245/0
8
Podpora zadní hospo-
382785151/2
10
Podpora centrálního řídicího panelu
325785255/0
11
ŠROUB
112735110/0
12
ŠROUB
112815200/0
13
MATICE
112292102/0
14
OPĚRNÁ MISKA
325785241/0
15
ŠROUB
112735120/0
17
Podpora předního řídicího panelu
382785153/1
20
ŠROUB
112793102/0
21
OPĚRNÁ MISKA
325785499/0
22
MATICE
112293201/0
31
Opěrka sedadel
325785249/0
34
Opěrka sedadel
325785257/1
35
ŠROUB
9897-0820-16
37
DRŽÁK
325755039/0
38
ŠROUB
112792611/0
40
KOLÍČEK
122524970/3
41
MATICE
112155010/0
42
DRŽÁK
325755043/0
43
PRUŽINA
325430253/0
44
ŠROUB
112789000/0
45
MATICE
112154330/0
46
PRUŽINA
125430257/1
47
PODLOŽKA
112523070/0
48
ŠROUB
112760515/0
49
PODLOŽKA
122671653/0
50
MATICE
112360425/0
51
CAP
325122000/2
52
DESKA
382547041/1
55
Vyztužení desek
325650119/0
60
PRUŽINA
125430276/0
102
Podpora levé stupaře
382510083/0
103
Podpora pravé stupaře
382510081/1
104
Levý kryt stupavky
325110327/0
105
Pravý kryt stupavky
325110326/0