Doručujeme do více než 25 zemí
info@sgarden.cz
Zaměřujeme se zvláště na náhradní díly, stačí kliknout
Přihlášení
/
Registrace
Přihlaste se
E-mail:
Heslo:
Zůstat přihlášen
Přihlásit se
Zapomenuté heslo?
Jsem tu nový:
registrovat
/
Odhlášení
CZ
€
CS
EN
€
Kč
Váš
KOŠÍK
čeká na naplnění
ks
Vysypat košík
Objednat
Opravdu
chcete
aby zůstal prázdný?
Ano, vysypat
Nechci
,
,
Náhradní díly
vše pro vaše stroje
Náhradní díly
>
STIGA
>
Řetězové pily
>
SP 420 SP 420 (2009)
>
KRYT
zpět na
SP 420
SP 420 (2009)
KRYT
SP 420
SP 420 (2009)
Najeďte myší na rozkres
kolečko:
přiblížení, levé tlačítko:
pohyb
Další díly
pro
SP 420 (2009)
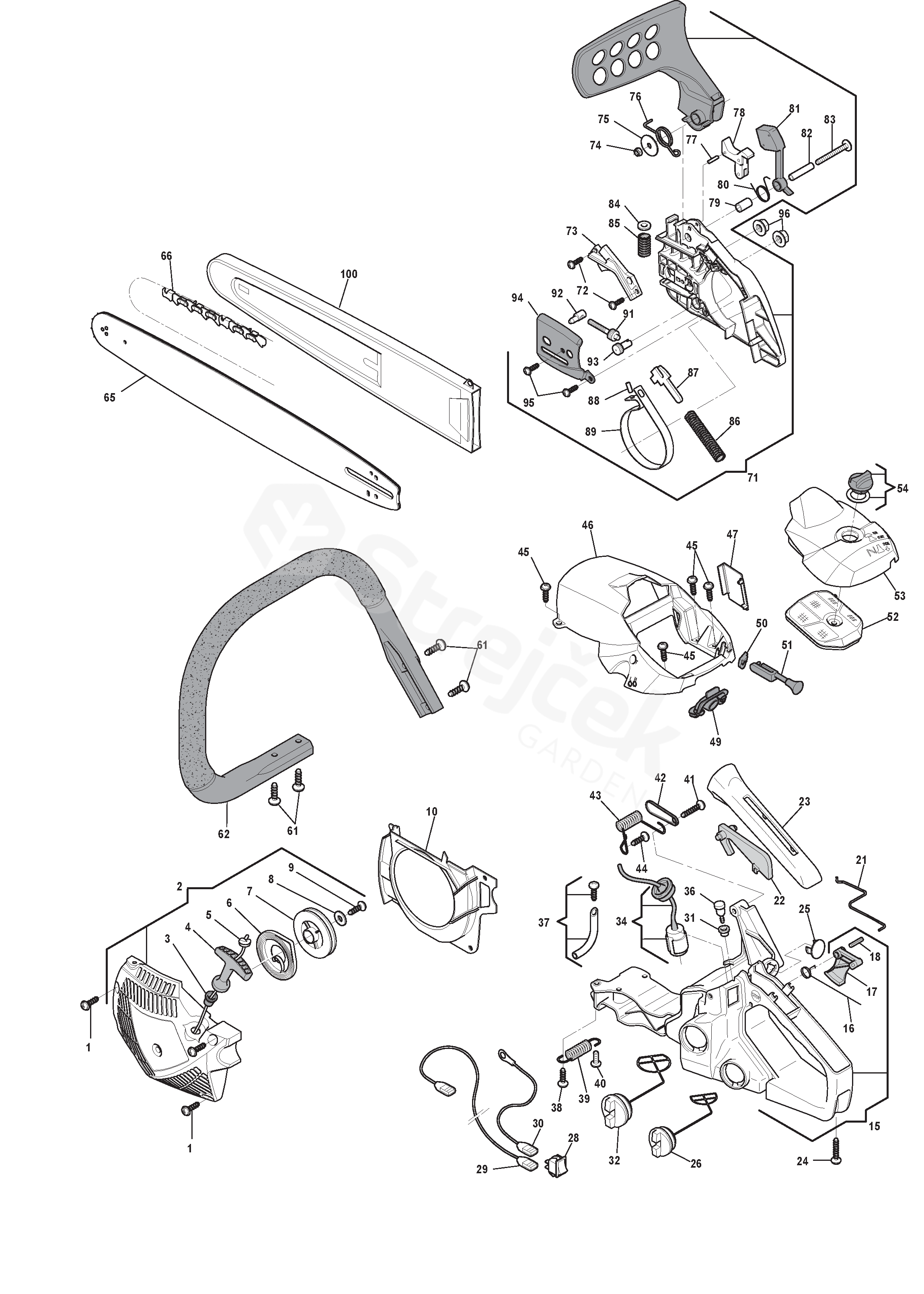
1
ŠROUB
123878013/0
2
Startér Sestava Orange
383058011/0
3
PRŮCHODKA
323044208/0
4
RUKOJEŤ STARTOVÁNÍ
323300004/0
5
STARTER CORD
123234001/0
6
Startovací pružina
123430562/0
7
KLADKA STARTOVÁNÍ
323604002/0
8
PODLOŽKA
123657004/0
9
ŠROUB
123878013/0
10
Vzduchový dopravník
323107502/0
15
RUKOJEŤ KOMPL.
6995299
16
PRUŽINA
6995114
17
PÁČKA PLYNU
6995264
18
KOLÍČEK
6995016
21
TÁHLO PLYNU
6995307
22
Bezpečnostní Páka
6995135
23
Rukojeť, horní část
6995312
24
ŠROUB
6995254
25
CAP
6995268
26
OIL Nádrž CAP
6995273
28
VYPÍNAČ
6995226
29
Stop Wire
6995310
30
Zemnící kabel
6995306
31
PRŮCHODKA
6995232
32
Palivová nádrž-Cap Sestava
6995260
34
Sací filtr Sestava
6995300
36
Odvzdušňovací ventil Sestava
6995221
37
Odvzdušňovací ventil Sestava
6995298
38
ŠROUB
6995002
39
PRUŽINA
6995301
40
ŠROUB
6995062
41
ŠROUB
6995002
42
DESKA
6995309
43
PRUŽINA
6995302
44
ŠROUB
123878024/0
45
ŠROUB
123878013/0
46
Kryt válce Oranžová
323087007/0
47
CAP
323653500/0
49
PRŮCHODKA
6995308
50
Vzduchová páka průchodky
323275006/0
51
Vzduchová páka
323315062/0
52
VZDUCHOVÝ FILTR
323220001/0
53
Kryt filtru oranžová
323090014/0
54
KONFLÍK
383593500/0
61
ŠROUB
6995254
62
RUKOJEŤ
6995286
65
Vodicí lišta 16"-.325"-0,050"
123900113/0
66
Řetěz 16inch
4113712
71
Spojka Ho. W /Br. Sestava Orange
383059009/0
72
ŠROUB
123878014/0
73
BRAKE Kryt
323109516/0
74
MATICE
123120000/0
75
PODLOŽKA
123657005/0
76
PRUŽINA
123430564/0
77
JEHLA
123665000/0
78
Páka brzdy řetězu
383315050/0
79
BUSHING
123044207/0
80
PRUŽINA
123430563/0
81
HAND-GUARD
323080000/0
82
BUSHING
123044210/0
83
ŠROUB
123878012/0
84
PODLOŽKA
323670000/0
85
PRUŽINA
123430559/0
86
BRZDOVÁ PRUŽINA
123430565/0
87
PÁKA
323315061/0
88
VÁLEČKOVÉ LOŽISKO
123665001/0
89
Řemen BRZDY
323448002/0
91
ŠROUB
123878011/0
92
Blok utahovacího řetězu
123796004/0
93
KOLÍČEK
123510093/0
94
PLECH VODÍCÍ LIŠTY
323311004/0
95
ŠROUB
123878014/0
96
MATICE
6995097
100
Kryt řetězu 16palců
4181307