Doručujeme do více než 25 zemí
info@sgarden.cz
Zaměřujeme se zvláště na náhradní díly, stačí kliknout
Přihlášení
/
Registrace
Přihlaste se
E-mail:
Heslo:
Zůstat přihlášen
Přihlásit se
Zapomenuté heslo?
Jsem tu nový:
registrovat
/
Odhlášení
CZ
€
CS
EN
€
Kč
Váš
KOŠÍK
čeká na naplnění
ks
Vysypat košík
Objednat
Opravdu
chcete
aby zůstal prázdný?
Ano, vysypat
Nechci
,
,
Náhradní díly
vše pro vaše stroje
Náhradní díly
>
Alpina
>
Vžínače/křovinořezy
>
B 44 D B 44 D (2012)
>
MOTOR
zpět na
B 44 D
B 44 D (2012)
MOTOR
B 44 D
B 44 D (2012)
Najeďte myší na rozkres
kolečko:
přiblížení, levé tlačítko:
pohyb
Další díly
pro
B 44 D (2012)
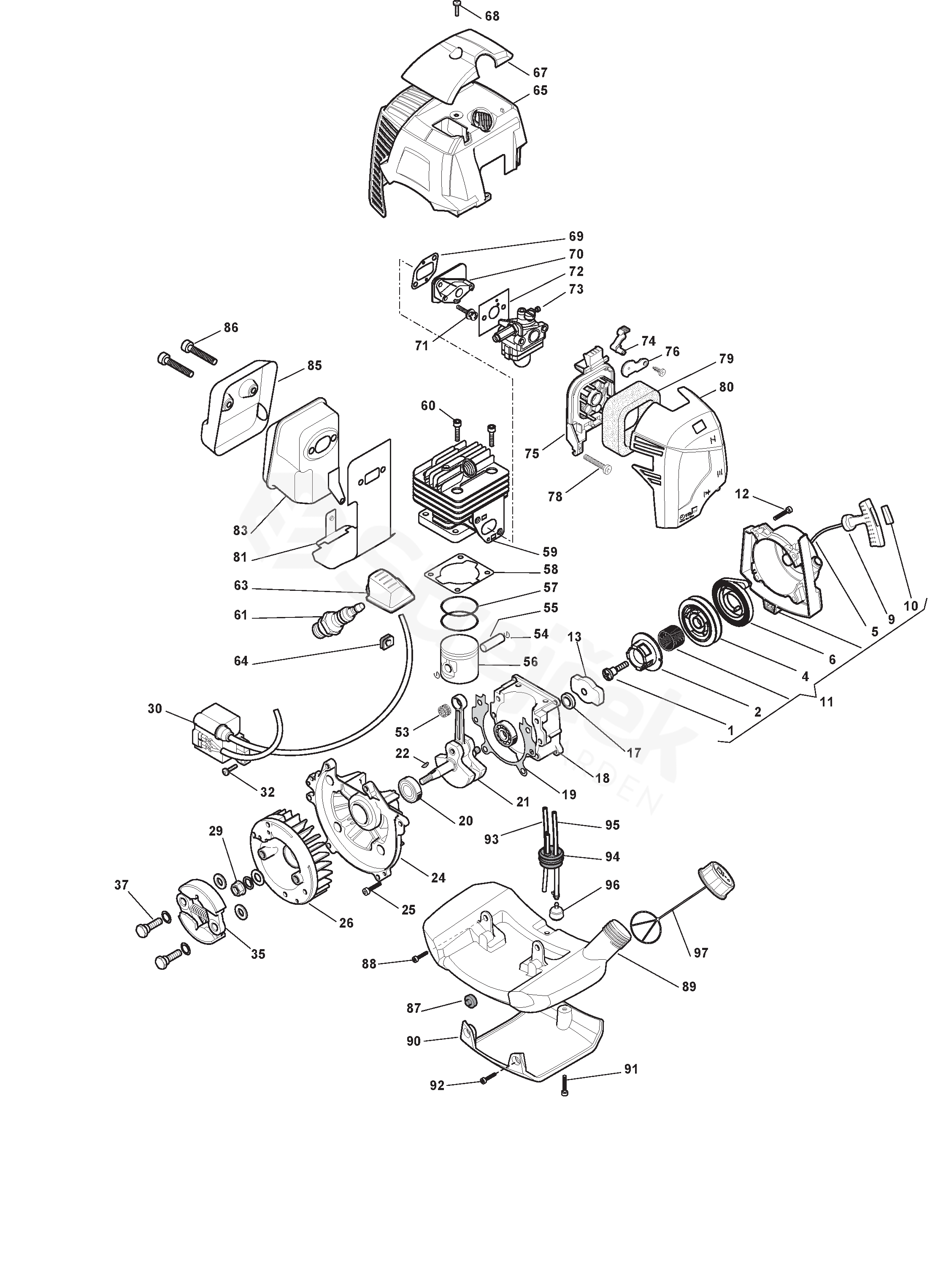
1
ŠROUB
118801251/0
2
STŘED
118801250/0
4
KLADKA STARTOVÁNÍ
118801249/0
5
STARTER CORD
118801252/0
6
PRUŽINA
118801253/0
9
RUKOJEŤ STARTOVÁNÍ
118801263/0
10
POJISTNÝ KROUŽEK
118801264/0
11
Startér Sestava Černá
118801262/0
12
ŠROUB
2135030
13
Startovací pohár Sestava
118801254/0
17
Těsnicí kroužek
119035159/0
18
CRANK CASE
118801281/0
19
Těsnění klikové skříně
123280087/0
20
LOŽISKO
119216048/0
21
KLIKOVÝ HŘÍDEL
118801278/0
22
Klíč setrvačníku
123072002/0
24
CRANK CASE
118801280/0
25
ŠROUB
2135060
26
VENTILÁTOR
118801321/0
29
MATICE
112154200/0
30
Elektronická cívka
118801276/0
35
Jednotka spojky
123430583/0
37
ŠROUB
123878058/0
53
LOŽISKO
118801284/0
54
Podložka, Pístový kolík
118801325/0
55
KOLÍK PÍSTU
123760008/0
56
PÍST
118801279/0
57
PÍSTNÍ KROUŽEK
123204017/0
58
CYLINDER BASE GASKET
118801282/0
59
VÁLEC KOMPL.
118801270/0
61
ZAPALOVACÍ SVÍČKA
3210024
63
SPARK PLUG Kryt
118801272/0
64
PRŮCHODKA
123275023/0
65
Bílý kryt válce
118801273/0
67
Bílý kryt
118801275/0
69
Těsnění sání
123280085/0
70
Sání
118801323/0
71
ŠROUB
112789000/0
72
Těsnění sání karburátoru
123280086/0
73
CARBURETOR
118801268/0
74
PÁKA
118801229/0
75
Podpora vzduchového filtru + kryt
118801228/0
76
CLONA
123190000/0
78
ŠROUB
2132160
79
VZDUCHOVÝ FILTR
123220011/0
80
Kryt filtru bílý
118801271/0
81
MUFFLER GASKET
118801277/0
83
TLUMIČ VÝFUKU
118801269/0
85
Bílý kryt
118801283/0
86
ŠROUB
118801180/0
87
Gumové těsnění
123280060/0
88
ŠROUB
112788910/0
89
PALIVOVÁ NÁDRŽ
118801274/0
90
Dolní Chránič
118801417/0
92
ŠROUB
2135200
93
TRUBKA
118801319/0
94
PRŮCHODKA
118801318/0
95
Palivová LINE
118801313/0
96
Filtr příjmu
183520005/0
97
Palivová nádrž-Cap Sestava
118801243/0