Doručujeme do více než 25 zemí
info@sgarden.cz
Zaměřujeme se zvláště na náhradní díly, stačí kliknout
Přihlášení
/
Registrace
Přihlaste se
E-mail:
Heslo:
Zůstat přihlášen
Přihlásit se
Zapomenuté heslo?
Jsem tu nový:
registrovat
/
Odhlášení
CZ
€
CS
EN
€
Kč
Váš
KOŠÍK
čeká na naplnění
ks
Vysypat košík
Objednat
Opravdu
chcete
aby zůstal prázdný?
Ano, vysypat
Nechci
,
,
Náhradní díly
vše pro vaše stroje
Náhradní díly
>
Alpina
>
Vžínače/křovinořezy
>
CB 29 DS CB 29 DS (2012)
>
MOTOR
zpět na
CB 29 DS
CB 29 DS (2012)
MOTOR
CB 29 DS
CB 29 DS (2012)
Najeďte myší na rozkres
kolečko:
přiblížení, levé tlačítko:
pohyb
Další díly
pro
CB 29 DS (2012)
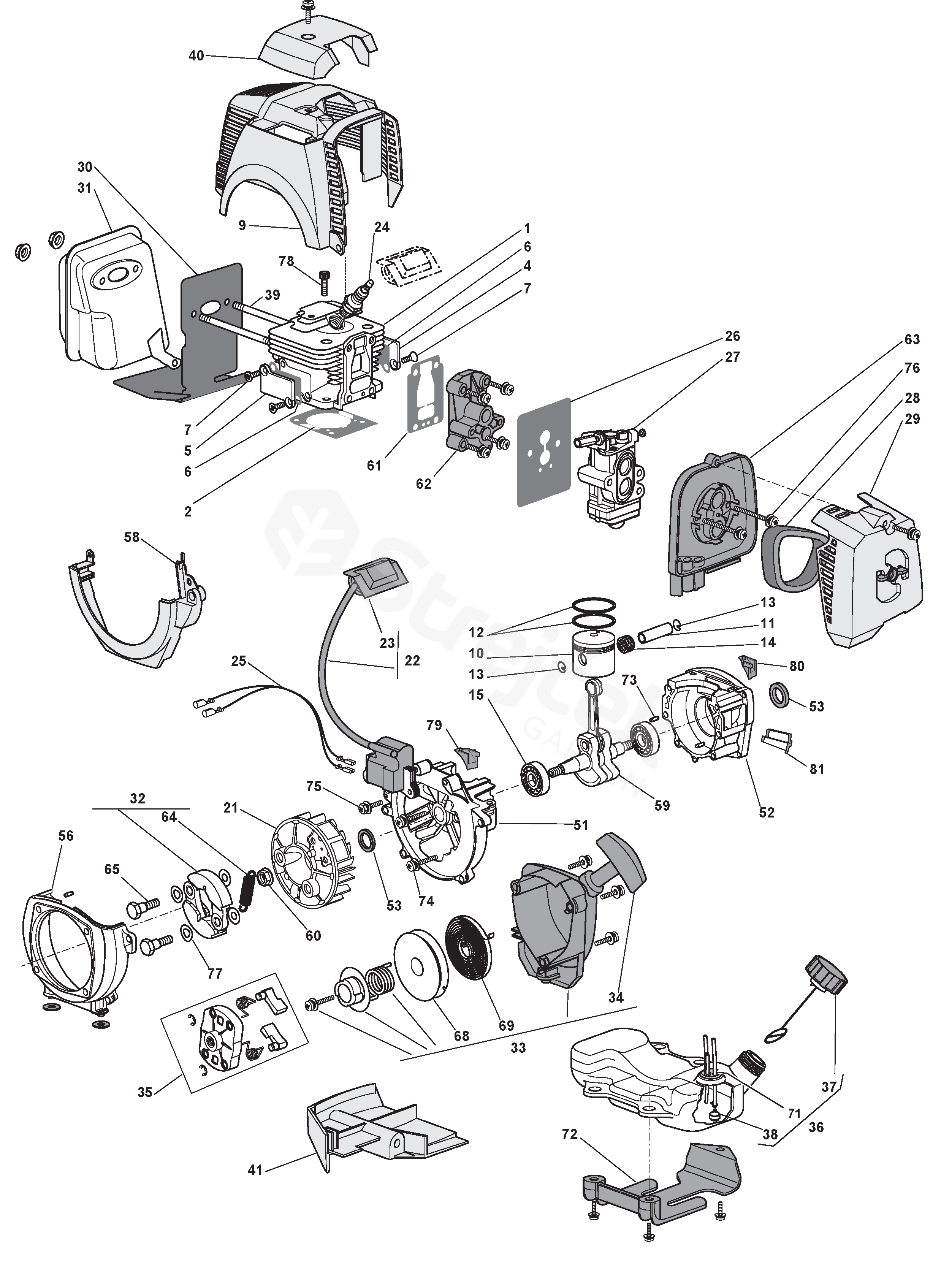
1
VÁLEC
123071019/0
2
CYLINDER GASKET
123280056/0
4
Kryt
123109568/0
5
Kryt
123109569/0
6
TĚSNĚNÍ
123280032/0
7
ŠROUB
123878054/0
9
Červený kryt válce
323106028/0
10
PÍST
123590004/0
11
KOLÍK PÍSTU
123760001/0
12
PÍSTNÍ KROUŽEK
123204007/0
13
Podložka, Pístový kolík
123202002/0
14
JEHLOVÉ LOŽISKO
123235003/0
15
KULIČKOVÉ LOŽISKO
114215215/0
21
VENTILÁTOR
123880005/0
22
Elektronická cívka
123044012/0
23
SPARK PLUG Kryt
323053003/0
24
ZAPALOVACÍ SVÍČKA
3210024
25
Zemnící kabel
183065028/0
26
Těsnění sání karburátoru
123280033/0
27
CARBURETOR
123054029/0
28
VZDUCHOVÝ FILTR
123220009/0
29
Kryt filtru červený
183090008/0
30
MUFFLER GASKET
123280028/0
31
TLUMIČ VÝFUKU
183740013/0
32
Spojka Sestava
183215005/0
33
STARTÉR KOMPL.
183058034/0
34
RUKOJEŤ STARTOVÁNÍ
123300007/0
35
Startovací pohár Sestava
123082002/0
36
PALIVOVÁ NÁDRŽ KOMPL.
183733005/0
37
VÍČKO PALIVOVÉ NÁDRŽE
183790008/0
38
Filtr příjmu
183520004/0
39
ŠROUB
123878061/0
40
Červený kryt, zapalovací svíčka
323109562/0
41
Dolní stráž, červená
323600065/0
51
CRANK CASE
123685005/0
52
CRANK CASE
123685004/0
53
Těsnicí kroužek
119035160/0
56
Případ podpory přenosu
123208410/0
58
Pouzdro, červená
323109565/0
59
KLIKOVÝ HŘÍDEL
123020026/0
60
MATICE
123120005/0
61
Těsnění sání
123280052/0
62
Sání
123073510/0
63
Čistič vzduchu Základna
123040002/0
64
PRUŽINA
123430586/0
65
ŠROUB
123878059/0
68
KLADKA STARTOVÁNÍ
123604008/0
69
PRUŽINA
123430589/0
71
Průchodka Sestava
123275022/0
72
KRYT
123784005/0
73
KOLÍČEK
123753002/0
74
ŠROUB
123878066/0
75
ŠROUB
123878064/0
76
ŠROUB
123878065/0
77
PODLOŽKA
123657010/0
78
ŠROUB
123878063/0
79
VODÍTKO
123294001/0
80
VODÍTKO
123294000/0
81
KRYT
123109559/0