Doručujeme do více než 25 zemí
info@sgarden.cz
Zaměřujeme se zvláště na náhradní díly, stačí kliknout
Přihlášení
/
Registrace
Přihlaste se
E-mail:
Heslo:
Zůstat přihlášen
Přihlásit se
Zapomenuté heslo?
Jsem tu nový:
registrovat
/
Odhlášení
CZ
€
CS
EN
€
Kč
Váš
KOŠÍK
čeká na naplnění
ks
Vysypat košík
Objednat
Opravdu
chcete
aby zůstal prázdný?
Ano, vysypat
Nechci
,
,
Náhradní díly
vše pro vaše stroje
Náhradní díly
>
Mountfield
>
Traktory
>
827 HB 827 HB (2013)
>
Blades Engagement
zpět na
827 HB
827 HB (2013)
Blades Engagement
827 HB
827 HB (2013)
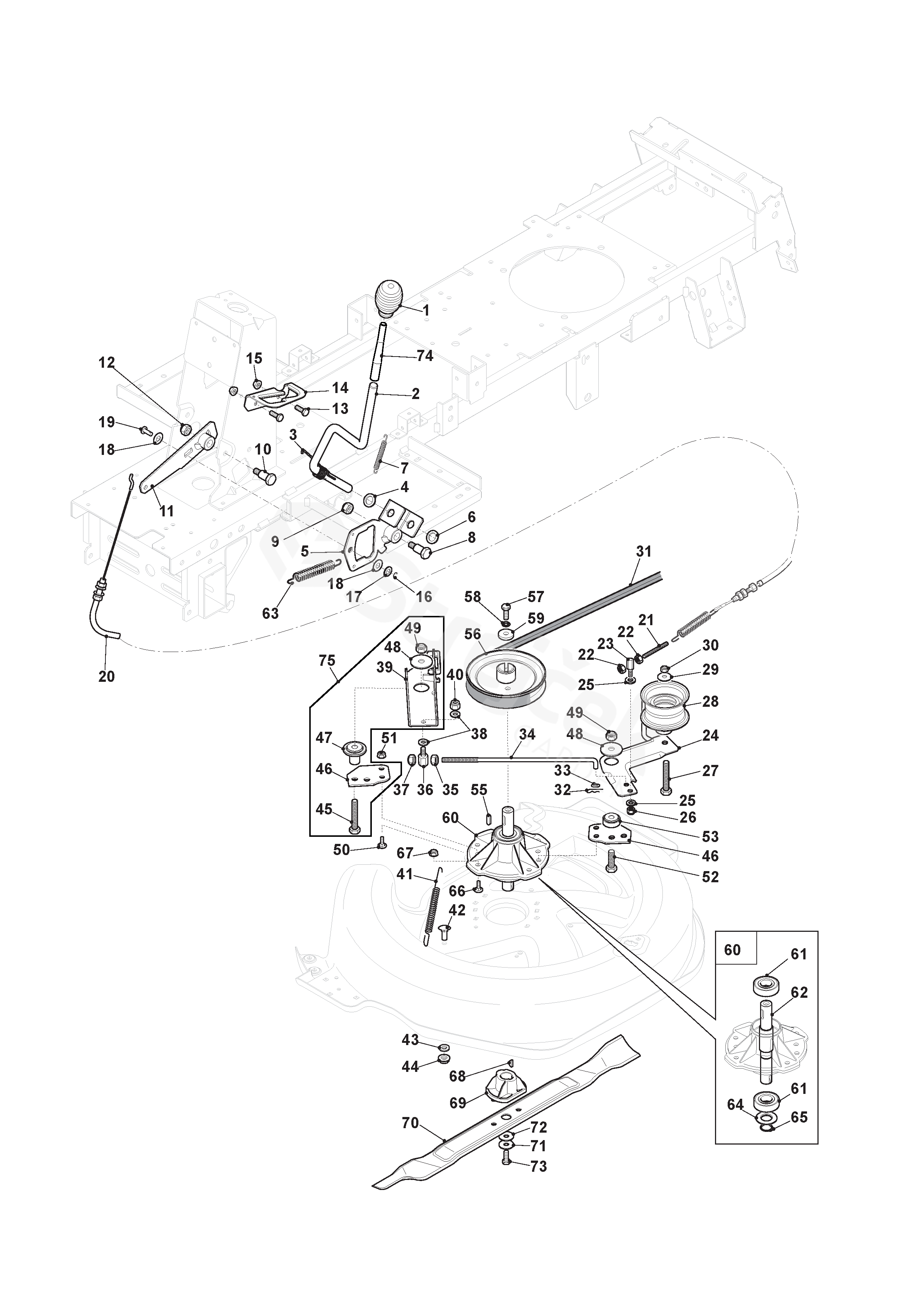
Najeďte myší na rozkres
kolečko:
přiblížení, levé tlačítko:
pohyb
Další díly
pro
827 HB (2013)
1
KONFLÍK
125394510/0
2
PÁKA
327315149/0
3
PRUŽINA
127430595/0
4
PODLOŽKA
112521370/0
5
PÁKA
384317099/0
6
KROUŽEK
122020050/0
7
PRUŽINA
125430208/1
10
DRŽÁK
127510122/1
11
DRŽÁK
384773577/0
12
MATICE
112154210/0
13
ŠROUB
112815200/0
14
Sektoru
327734065/0
15
MATICE
112292102/0
16
Benzovací kroužek
112000930/0
17
PODLOŽKA
112521350/0
18
Antitřecí podložka
325670011/0
19
KOLÍČEK
125510085/1
20
Dráty pro zapojení čepelí
384004606/0
21
ŘÍDÍCÍ TYČ
127840058/0
22
MATICE
112293200/0
23
KOLÍČEK
127510126/0
24
Páka utahovacího páky
384307001/0
26
MATICE
112155000/0
27
ŠROUB
112691600/0
28
ŘEMENICE
127604008/0
29
PODLOŽKA
112523060/0
31
ŘEMEN
135061428/0
32
COTTER PIN
124487995/0
34
SPOJOVACÍ TÁHLO
127034085/0
39
Kotoučová brzda
384220505/0
41
BRZDOVÁ PRUŽINA
127430592/0
42
ŠROUB
112818690/0
44
MATICE
112293201/0
45
ŠROUB
112692395/1
46
DRŽÁK
327772191/0
47
BUSHING
127047021/0
48
PODLOŽKA
112523090/0
49
MATICE
112155020/0
50
ŠROUB
112818700/0
52
ŠROUB
112794400/0
53
BUSHING
127047017/0
55
Peří
112139480/0
56
ŘEMENICE
127604014/0
57
ŠROUB
112793102/0
58
Pěstitel
112583500/0
59
PODLOŽKA
125670007/0
60
Podpora hřídele kotouče
384207251/0
61
LOŽISKO
119216040/0
62
HRÍDEL
127023003/0
63
PRUŽINA
125430259/0
64
Prachový kryt
325160501/1
65
Ségrovka
112609260/0
66
ŠROUB
9959-0825-16
68
KLÁVESA
112139100/0
69
UNAŠEČ NOŽE
125463200/0
70
Okřídlený kotouč
184109505/0
71
Elastická podložka
112508125/0
72
PODLOŽKA
112523080/0
73
ŠROUB
112735694/0
74
PÁKA
327315151/1
75
Sada kotoučových brzd
384220506/1