CZ
Váš KOŠÍK
čeká na naplnění

ks
Vysypat košík Objednat
Opravdu
chcete
aby zůstal prázdný?
Ano, vysypat Nechci
Náhradní díly
vše pro vaše stroje
MOTOR
MPC 2710 MPC 2710 (2017)
Najeďte myší na rozkres
kolečko: přiblížení, levé tlačítko: pohyb
Další díly pro MPC 2710 (2017)
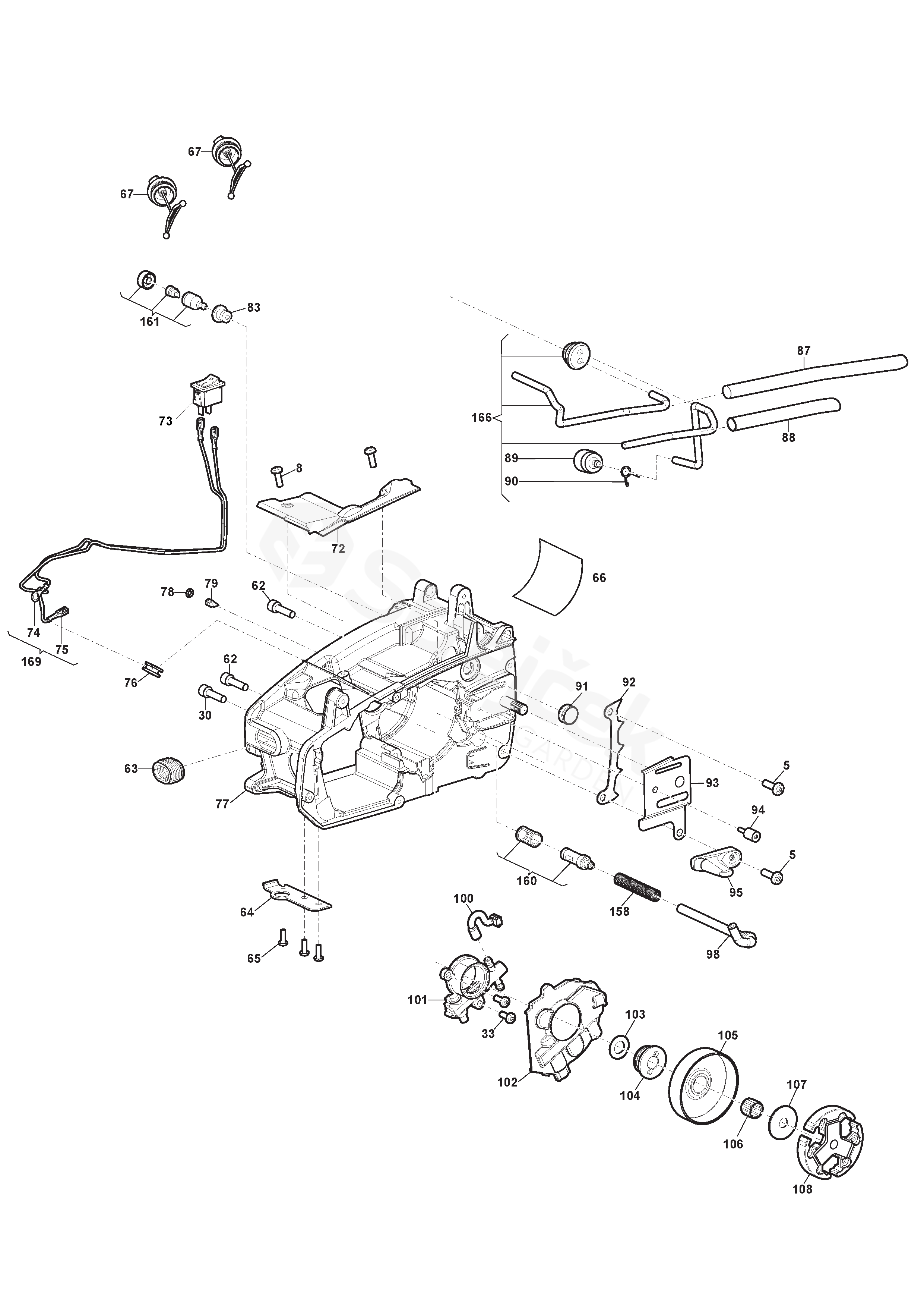
5 ŠROUB 118800189/0
8 ŠROUB 123878121/0
30 ŠROUB 2135030
62 ŠROUB 2135040
63 Vzduchový dopravník 118804796/0
64 OPĚRNÝ PLECH 118804797/0
65 ŠROUB 112727815/0
66 Tepelná ochrana 118804730/0
67 Olejová nádrž Cap Sestava 118804252/0
72 OBAL KABELU 118804813/0
73 VYPÍNAČ 118804802/0
74 ELECTRIC CABLE
Černé
118804803/0
75 ELECTRIC CABLE
Červené
118804804/0
76 Drátěná svorka 118804733/0
77 PODVOZEK 118804734/0
78 O-KROUŽEK 118804735/0
79 TRYSKA 118804736/0
83 PRŮCHODKA 118804737/0
87 Izolovaná trubka 118804815/0
88 Vlnitá trubka 118804741/0
89 PALIVOVÝ FILTR 118804740/0
90 SVORKA 118804234/0
91 CAP 118804742/0
92 ZUBOVÁ OPĚRKA 118804743/0
93 Vnitřní deska 118804744/0
94 Olověné šrouby 118804745/0
95 Řetězová zátka 118804746/0
98 OLEJOVÁ TRUBKA 118804747/0
100 SPRAY NOZZLE 118804749/0
101 OLEJOVÉ ČERPADLO 118804750/0
102 Kryt olejového čerpadla 118804751/0
103 PODLOŽKA 118550608/0
104 WORM 118804752/0
105 3/8 Spojkový buben 118804753/0
106 JEHLOVÉ LOŽISKO 123235001/0
107 PODLOŽKA 118804818/0
108 SPOJKA 118804758/0
158 Olejová trubka pružina 118804853/0
160 Olejový filtr Sestava 118804800/0
161 Odvzdušňovací ventil Sestava 118804801/0
166 Palivová trubka Sestava 118804820/0
169 Pozemní / Off Line Drát Sestava 118804966/0