CZ
Váš KOŠÍK
čeká na naplnění

ks
Vysypat košík Objednat
Opravdu
chcete
aby zůstal prázdný?
Ano, vysypat Nechci
Náhradní díly
vše pro vaše stroje
PŘEVODY
MONARK S51S MONARK S51S (1993)
Najeďte myší na rozkres
kolečko: přiblížení, levé tlačítko: pohyb
Další díly pro MONARK S51S (1993)
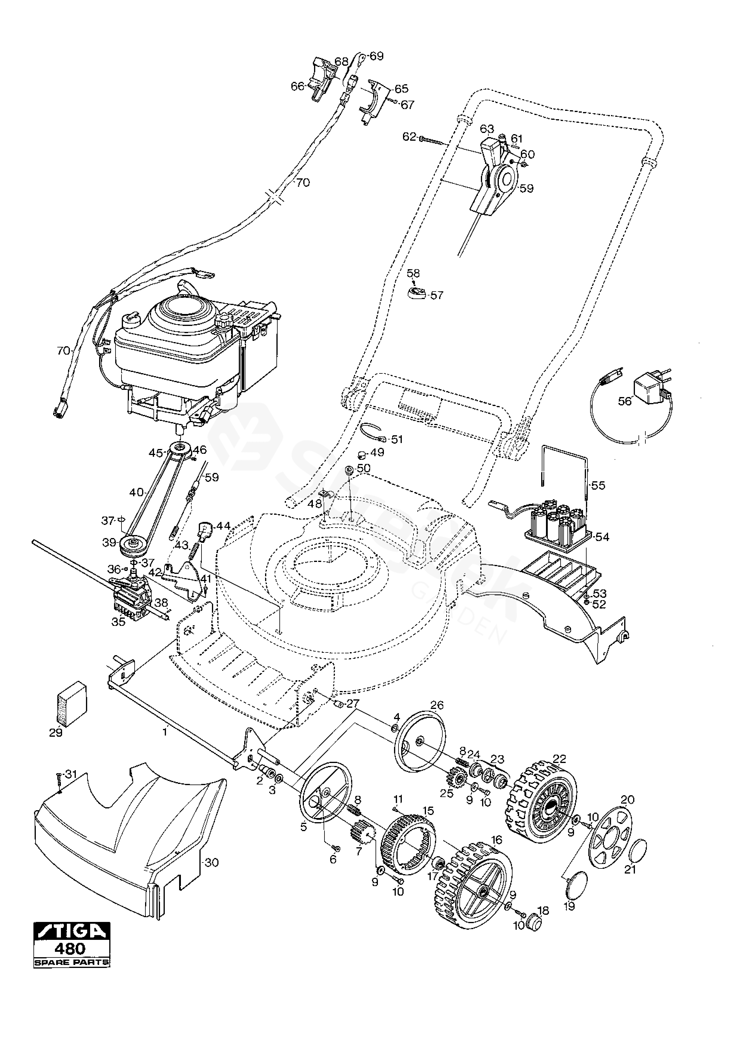
1 Přední AXLE 1111-2580-01
2 BUSHING 1111-2595-01
3 PODLOŽKA 9699-0115-02
4 PODLOŽKA 1111-1456-01
8 PRUŽINA 1111-2183-01
9 Plochá podložka 9699-0100-02
10 ŠROUB 9997-0612-16
19 KRYT STŘEDU
4215-51,4215-91
1111-1181-01
20 KRYT STŘEDU
4215-11
1111-2664-01
21 Pohár kol
4215-11
1111-2676-01
22 KOLO 1111-2665-01
23 KULIČKOVÉ LOŽISKO 1111-9047-01
24 Vnější kroužek 1111-1184-01
25 PŘEVODOVÉ KOLO 1111-2600-01
26 KRYTKA KOLA 1111-2782-02
27 ROZPĚRKA 1111-2596-01
29 Přední Podpěra 1111-2922-01
30 Kryt převodovky, žlutý 1111-2568-01
31 ŠROUB 9848-8013-16
35 1111-3056-01+1111-3295-01 1111-2564-01
36 KLÁVESA F000-3475-00
37 POJISTNÝ KROUŽEK 9659-0050-04
38 KOLÍČEK 1111-2382-01
39 Řemenici řemene 1111-2565-01
40 Pohon Řemen 1111-9059-01
41 ŠROUB 9943-0510-16
42 DRŽÁK PRUŽINY 1111-2567-01
43 BRZDOVÁ PRUŽINA 1134-1023-00
44 Pružina zastávka 1111-2621-01
45 ŘEMENICE
25 mm
1111-2433-02
46 ŠROUB 9915-0612-15
49 Zátka krytu 9403-0115-70
51 DRŽÁK LANKA 9579-0008-00
57 DRŽÁK LANKA 1111-2018-01
58 ŠROUB 9836-9216-12
59 Ovládání spojky 1111-2551-01
60 Matice 9747-0631-02
61 Vyhledání pinu 9595-0160-00
62 ŠROUB 9948-0655-16
63 KONFLÍK 1111-1987-02