CZ
Váš KOŠÍK
čeká na naplnění

ks
Vysypat košík Objednat
Opravdu
chcete
aby zůstal prázdný?
Ano, vysypat Nechci
Náhradní díly
vše pro vaše stroje
Šasi High End
PTM0901 PTM0901 (2009)
Najeďte myší na rozkres
kolečko: přiblížení, levé tlačítko: pohyb
Další díly pro PTM0901 (2009)
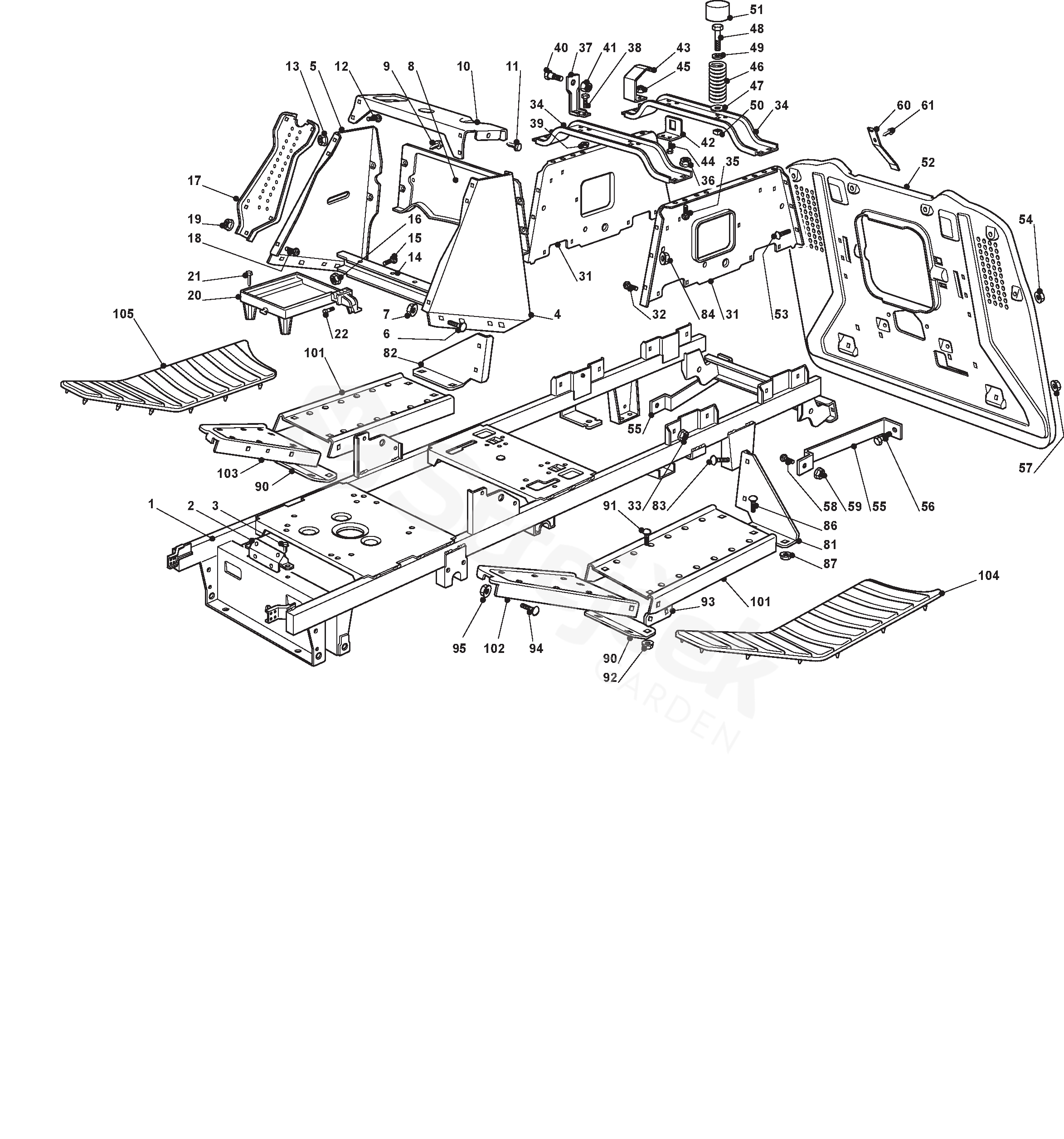
1 RÁM 382800095/0
2 SVORKA 382774253/0
3 ŠROUB 112735121/0
4 Podpora levého řídicího panelu 325785243/1
5 Podpora pravého řídicího panelu 325785245/0
8 Podpora zadní hospo- 382785151/1
10 Podpora centrálního řídicího panelu 325785255/0
11 ŠROUB 112735110/0
12 ŠROUB 112815200/0
13 MATICE 112292102/0
14 OPĚRNÁ MISKA 325785241/0
17 Podpora řídicího panelu 382785153/0
20 Podpora baterie 325785279/0
21 ŠROUB 112760490/0
22 KOLÍČEK 125510099/0
31 Opěrka sedadel 325785249/0
34 Opěrka sedadel 325785257/0
35 ŠROUB 112818690/0
36 MATICE 112293201/0
37 DRŽÁK 325755039/0
38 ŠROUB 112792611/0
40 Opěra PIN 122524970/2
41 MATICE 112155010/0
42 DRŽÁK 325755043/0
43 PRUŽINA 325430253/0
44 ŠROUB 112789000/0
45 MATICE 112154330/0
46 PRUŽINA 125430257/0
47 PODLOŽKA 112523070/0
48 ŠROUB 112760515/0
49 PODLOŽKA 122671653/0
50 MATICE 112360425/0
51 CAP 325122000/2
52 Zadní deska, Černá 382547041/0
55 Vyztužení desek 325650119/0
60 PRUŽINA 127430554/0
81 Podpora stupavky 325774371/0
82 Podpora stupavky 325774369/0
90 SVORKA 325774375/0
91 ŠROUB 112815205/0
93 SVORKA 325774351/0
101 Podpora stupavky 325500029/0
102 Podpora levé stupaře 325500027/0
103 Podpora pravé stupaře 325500025/0
104 Levý kryt stupavky 325110327/0
105 Pravý kryt stupavky 325110326/0