Doručujeme do více než 25 zemí
info@sgarden.cz
Zaměřujeme se zvláště na náhradní díly, stačí kliknout
Přihlášení
/
Registrace
Přihlaste se
E-mail:
Heslo:
Zůstat přihlášen
Přihlásit se
Zapomenuté heslo?
Jsem tu nový:
registrovat
/
Odhlášení
CZ
€
CS
EN
€
Kč
Váš
KOŠÍK
čeká na naplnění
ks
Vysypat košík
Objednat
Opravdu
chcete
aby zůstal prázdný?
Ano, vysypat
Nechci
,
,
Náhradní díly
vše pro vaše stroje
Náhradní díly
>
ST S p A
>
Vžínače/křovinořezy
>
B 42 D B 42 D (2020)
>
PŘEVODY
zpět na
B 42 D
B 42 D (2020)
PŘEVODY
B 42 D
B 42 D (2020)
Najeďte myší na rozkres
kolečko:
přiblížení, levé tlačítko:
pohyb
Další díly
pro
B 42 D (2020)
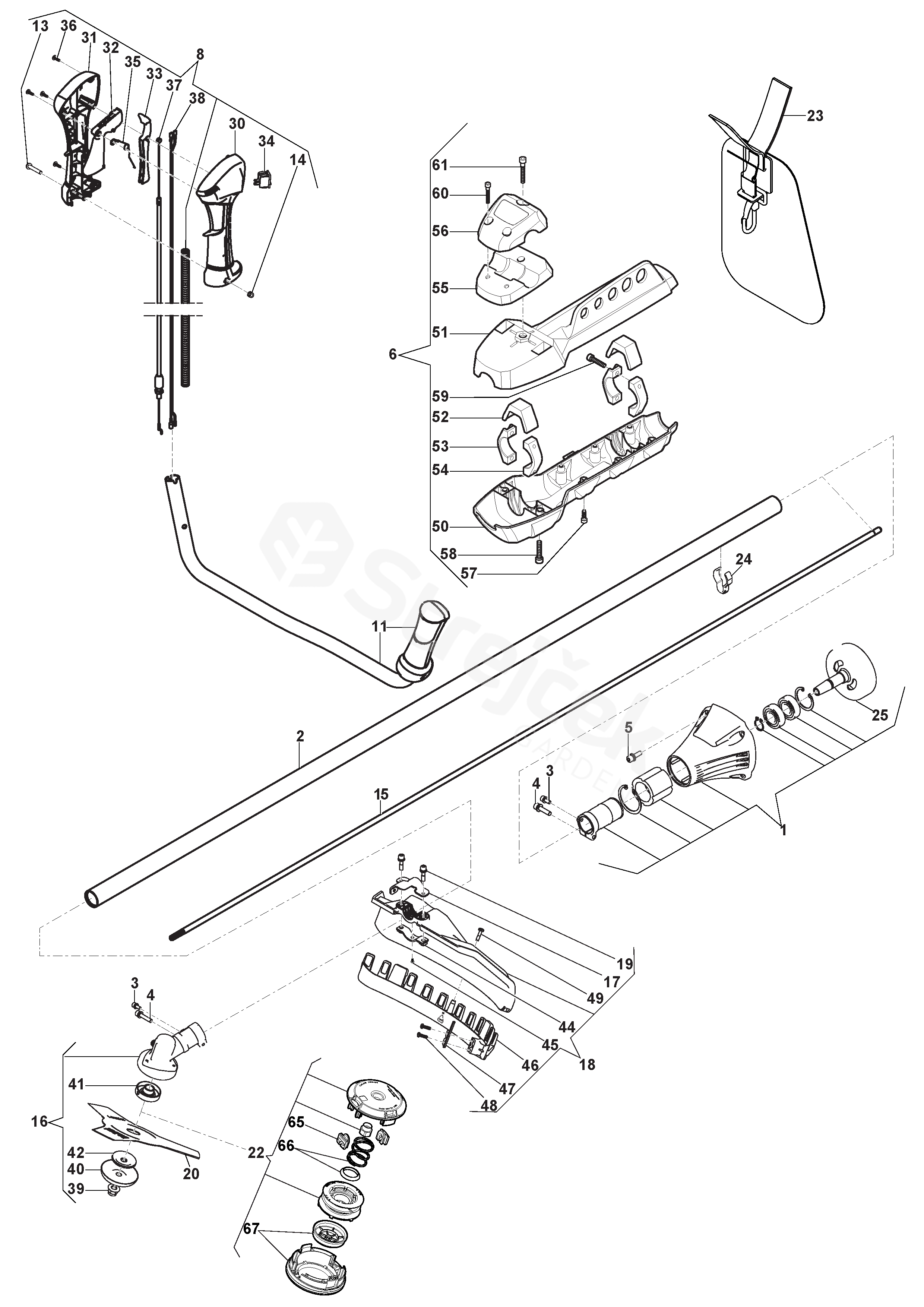
1
Podpora přenosu Sestava
118804002/0
2
Přenosový kanál
118803958/0
3
ŠROUB
6981145
4
ŠROUB
112727799/0
5
ŠROUB
112727801/0
6
Sada převodovky
118804962/0
8
Rukojeť Sestava, Žlutá
118804955/0
11
Levá rukojeť
118803210/0
13
ŠROUB
2135120
14
MATICE
112154330/0
15
HŘÍDEL NÁHONU
118804042/0
16
Ozubené pouzdro Sestava
118803999/0
17
DESKA
118804052/0
18
Bezpečnostní Kryt Sestava
118803954/0
19
ŠROUB
2132180
20
3 Zuby Disk
118801125/0
22
Zařezávač struny
1911-9227-01
23
HARNESS
118804015/1
24
Drátěná svorka
118804066/0
25
BUBEN SPOJKY
118804037/0
30
Bílá levá rukojeť
118803974/0
31
Bílá pravá rukojeť
118803964/0
32
PÁČKA
118803221/0
33
Bezpečnostní Páka
118803219/0
34
VYPÍNAČ
118803213/0
35
PRUŽINA
118803220/0
36
ŠROUB
112727810/0
37
LANKO PLYNU
118803986/0
38
Stop Wire
118803217/0
39
MATICE
2452090
40
Kryt prachu na pouzdře
118804050/0
41
Horní kroužek matice
118804043/0
42
Dolní kroužek matice
118804044/0
44
KRYT
118804058/0
45
ŠROUB
112727815/0
46
OPĚRNÁ MISKA
118803202/0
47
Zařezávač struny
118804056/0
48
ŠROUB
6981149
49
ŠROUB
112728531/0
50
Převodovka Domek
118801357/0
51
Převodovka Domek
118801353/1
52
Tlumič nárazů
118801358/0
53
DRŽÁK
118801359/0
54
DRŽÁK
118801360/0
55
Podpora dolního držadla
118801356/1
56
Podpora horního handgripu
118801355/0
57
ŠROUB
2135030
58
ŠROUB
118810711/0
59
ŠROUB
112727796/0
61
ŠROUB
112760520/0
65
Držák čáry
118804890/0
66
PRUŽINA
118804889/0
67
Kryt + knoflík
118804888/0