Doručujeme do více než 25 zemí
info@sgarden.cz
Zaměřujeme se zvláště na náhradní díly, stačí kliknout
Přihlášení
/
Registrace
Přihlaste se
E-mail:
Heslo:
Zůstat přihlášen
Přihlásit se
Zapomenuté heslo?
Jsem tu nový:
registrovat
/
Odhlášení
CZ
€
CS
EN
€
Kč
Váš
KOŠÍK
čeká na naplnění
ks
Vysypat košík
Objednat
Opravdu
chcete
aby zůstal prázdný?
Ano, vysypat
Nechci
,
,
Náhradní díly
vše pro vaše stroje
Náhradní díly
>
Poulan
>
Zahradní traktory
>
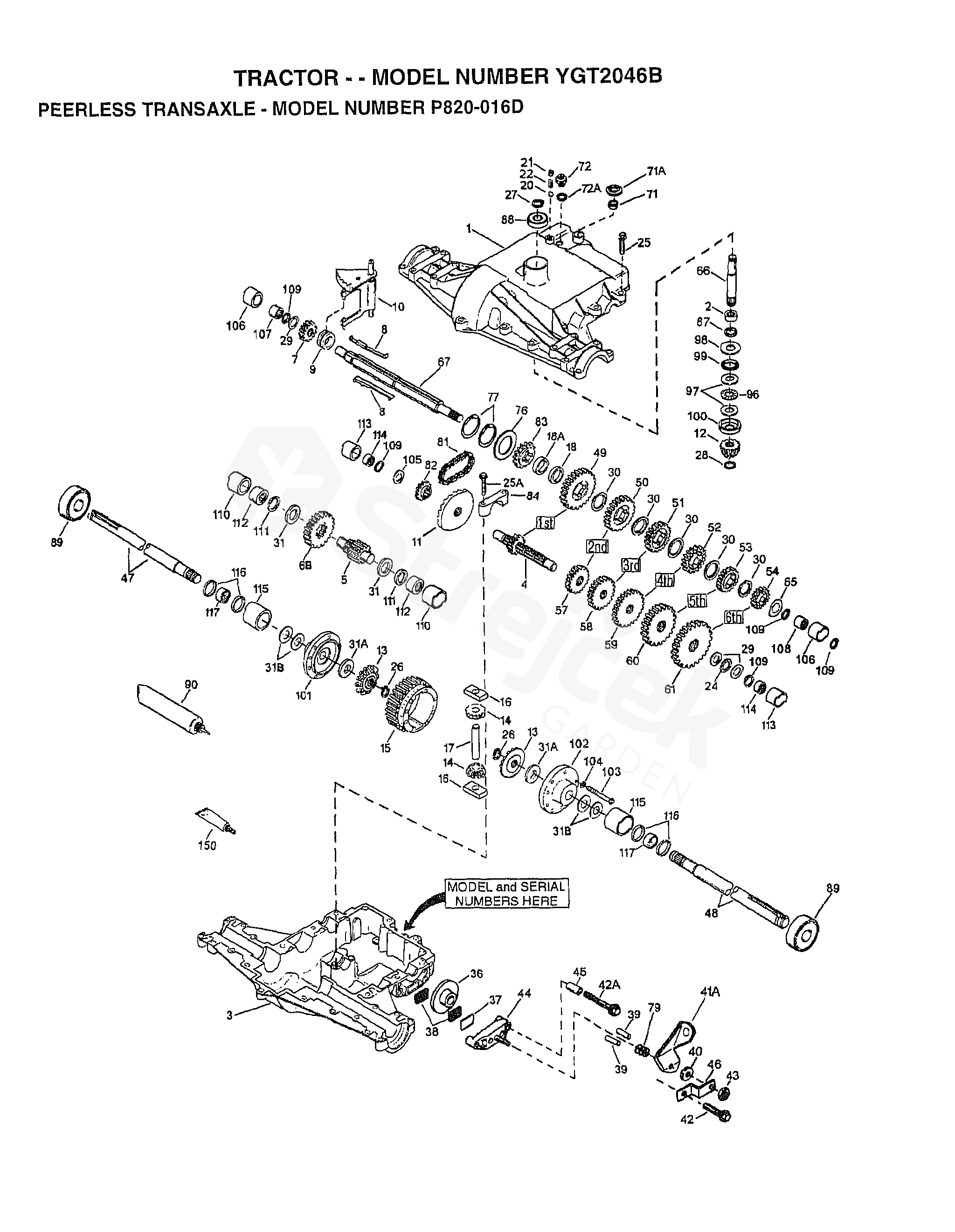
YGT2046B YGT2046B, 1998-01
>
KOMPLETNÍ VÝROBEK
zpět na
YGT2046B
YGT2046B, 1998-01
KOMPLETNÍ VÝROBEK
YGT2046B
YGT2046B, 1998-01
Najeďte myší na rozkres
kolečko:
přiblížení, levé tlačítko:
pohyb
Další díly
pro
YGT2046B, 1998-01
38
PODLOŽKA
532799021
40
792076A
42
792073A
77
788078A
114
OIL SEAL
601002324
150
788093A
25A
792073A
42A
792085A