We deliver to more than 25 countries
info@sgarden.cz
We focus especially on spare parts, just click!
Log in
/
Registration
Sign In
E-mail:
Password:
Stay logged in
Log in
Forgot your password?
I'm new here:
register
/
Log off
EN
€
CS
EN
€
Kč
Your
CART
Awaiting fulfillment
ks
Empty cart
Order
Are you
sure
to empty your cart?
Yes, empty
I don't want to
,
,
Spare parts
Everything for your machines
Spare parts
>
Husqvarna
>
ICE AUGERS
>
7-23 SNOWBLOWER 1998-09
>
CHASSIS / FRAME
Back to
7-23
SNOWBLOWER 1998-09
CHASSIS / FRAME
7-23
SNOWBLOWER 1998-09
Hover mouse on parts list
Wheel:
Zoom, left button:
Movement
Other parts
For
SNOWBLOWER 1998-09
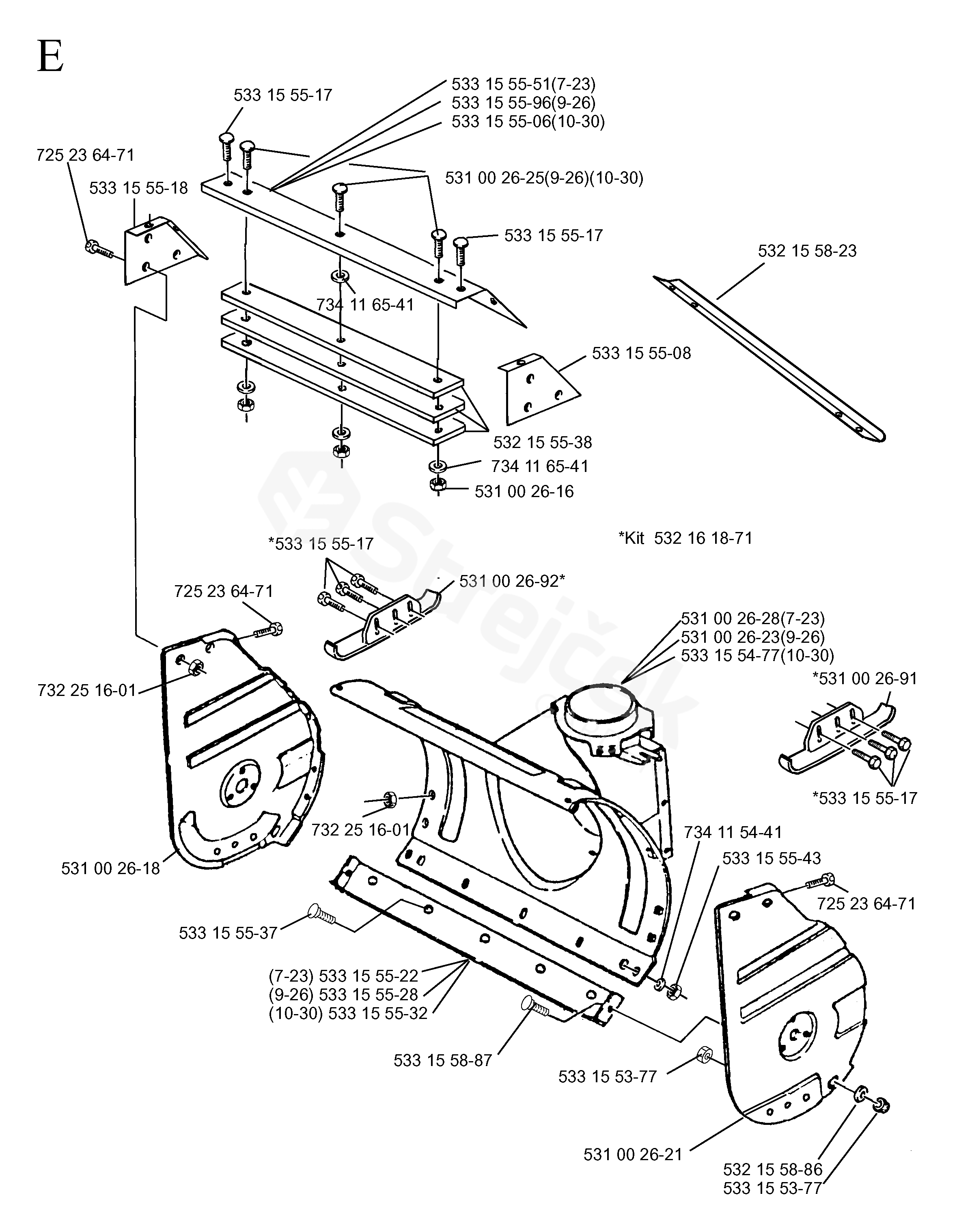
531002616
NUT
531002616
531002618
PLATE
531002618
531002621
PLATE
531002621
531002623
HOUSING
9-26
531002623
531002625
SCREW
9-26 10-30
531002625
531002628
HOUSING
7-23
531002628
531002691
SKID
KIT 532 16 18-71
531002691
531002692
SKID
KIT 532 16 18-71
531002692
532155538
COUNTERWEIGHT
532155538
532155823
BLADE
532155823
532155886
WASHER
532155886
533155377
NUT
533155377
533155477
HOUSING
10-30
533155477
533155506
PANEL
10-30
533155506
533155508
PLATE
533155508
533155517
SCREW
KIT 532 16 18-71
533155517
533155518
PLATE
533155518
533155522
SCRAPER
7-23
533155522
533155528
SCRAPER
9-26
533155528
533155532
SCRAPER
10-30
533155532
533155537
SCREW
533155537
533155543
NUT
533155543
533155551
PANEL
7-23
533155551
533155596
PANEL 9-26
9-26
533155596
533155887
SCREW
533155887
725236471
SCREW EHHM
725236471
732251601
HEXAGON LOCKING NUT
732251601
734115441
PODLOŽKA
734115441
734116541
PODLOŽKA
734116541